
Latvijas Republikas Ministru kabinets
1997.g ada 23.decembrī Noteikumi nr.451
Rīgā (prot. nr.72, 43.§)
Noteikumi par Latvijas būvnormatīvu LBN 203-97 "Betona un dzelzsbetona konstrukciju projektēšanas normas"
3.9. Dzelzsbetona elementu aprēķins uz slodžu lokālu iedarbību
3.9.1. Aprēķins uz virsmas spiedi
267. Aprēķinot virsmas vietējo (lokālo) spiedi (saspiešanos) elementiem bez šķērsstiegrojuma, jāievēro nosacījums:
N £ yRb,locAloc1 , kur: (101)
N — vietējās slodzes radītais spiedes garenspēks;
Aloc1 — spiedes laukums (15.zīmējums);
y — koeficients, kas atkarīgs no vietējās slodzes sadalījuma virsmas spiedes laukumā un kuru ņem vienmērīgai izkliedētai slodzei — 1,0; nevienmērīgam slodzes sadalījumam (zem siju, garensiju, pārsedžu galiem); smagajam, smalkgraudainajam betonam un vieglbetonam — 0,75; šūnbetonam — 0,50;
Rb,loc — betona aprēķina pretestība virsmas vietējai spiedei, ko nosaka pēc formulas:
Rb,loc = ajbRb , (102)
šeit:
ajb 1,0;
a = 1,0 betonam, kura klase ir zemāka par B25;
a = 13,5 Rbt/Rb — B25 un augstākas klases betoniem;
jb = 3 ÷ Aloc2 / Aloc1 ,
bet ne lielāka par šādām vērtībām, ja slodze pielikšanas shēmā atbilst 15.a, c, d, f un h zīmējumam:
a) smagajam, smalkgraudainajam un vieglbetonam, kura klase ir augstāka par B7,5 — 2,5; B3,5, B5, B7,5 — 1,5,
b) B2,5 un zemākas klases šūnbetonam un vieglbetonam — 1,2, ja slodze pielikšanas shēmā atbilst 15.b, e un g zīmējumam.
Rb, Rbt — ņem tādus kā betona konstrukcijām (15.tabulas 9.pozīcija);
Aloc2 — virsmas spiedes aprēķina laukums, kuru nosaka saskaņā ar šo noteikumu 268.punktu.
268. Aprēķina laukumā Aloc2 tiek iekļauts iecirknis, kurš ir simetrisks virsmas spiedes laukumam (15.zīmējums).
269. Turklāt jābūt izpildītiem šādiem nosacījumiem:
269.1. ja vietējā slodze ir visā elementa platumā b, aprēķina laukumā ieskaita iecirkni ar garumu, kas nav lielāks par b uz katru pusi no vietējās slodzes robežas (15.a zīmējums);
269.2. ja vietējā malas slodze ir visā elementa platumā, aprēķina laukums Aloc2 ir vienāds ar virsmas spiedes laukumu Aloc1 (15.b zīmējums);
269.3. ja vietējā slodze ir garensiju un siju galu balstīšanās vietās, tad aprēķina laukumā ietilpst iecirknis, kura platums ir vienāds ar garensijas vai sijas balstījuma dziļumu un garums nav lielāks par atstatumu starp sijai piekļauto laidumu vidusdaļām (15.c zīmējums);
269.4. ja atstatums starp sijām pārsniedz elementa divkāršu platumu, aprēķina laukuma garumu nosaka kā sijas platuma un elementa divkārša platuma summu (15.d zīmējums);
269.5. ja vietējā malas slodze ir elementa stūrī (15.e zīmējums), aprēķina laukums Aloc2 vienāds ar virsmas spiedes laukumu Aloc1;
269.6. ja vietējā slodze pielikta elementa garuma un platuma daļā, aprēķina laukumu ņem saskaņā ar 15.f zīmējumu. Ja ir vairākas minētā tipa slodzes, aprēķina laukumus norobežo līnijas, kas iet caur divu esošo slodžu pielikšanas viduspunktu;
15.zīmējums.
Vietējās virsmas spiedes aprēķina shēmas dzelzsbetona elementiem:
a — ja vietējā slodze ir visā elementa platumā; b — ja vietējā malas slodze ir visā elementa platumā; c, d — ja vietējā slodze ir garensiju un siju galu balstīšanas vietās; e — ja vietējā malas slodze ir elementa stūrī; f — ja vietējā slodze ir elementa garuma un platuma daļās vai ja vietējā malas slodze ir
sienas izciļņa vai ailstarpas robežās; g — ja vietējā malas slodze ir
sienas izciļņa (pilastra) robežās; h — sarežģītas formas šķērsgriezumam;
1 — virsmas lokālais spiedes laukums; 2 — virsmas spiedes aprēķina laukums; 3 — minimālā sietveida stiegrojuma zona, kurā netiešo stiegrojumu ņem vērā, aprēķinot pēc formulas (104) 15.b, e, g zīmējumā neatkarīgi no betona veida un klases — 1,0
269.7. ja ir vietējā malas slodze, kas atrodas sienas izciļņa (pilastra) vai T veida šķēluma ailstarpas robežās, aprēķina laukums Aloc2 vienāds ar virsmas spiedes laukumu Aloc1 (15.g zīmējums);
269.8. nosakot sarežģītas formas šķēlumu aprēķina laukumu, nav jāņem vērā iecirkņi, kuriem nav pietiekami drošas (15.h zīmējums) saistes ar noslogoto iecirkni;
269.9. ja ir vietējā siju, garensiju, pārsedžu un citu liecē strādājošo elementu slodze, balsta dziļumu, aprēķinot Aloc1 un Aloc2, ņem ne lielāku par 20 cm.
270. Smagā betona elementiem ar netiešo stiegrojumu metinātu šķērssietu veidā vietējās virsmas spiedes aprēķinā jāievēro nosacījums:
N £ Rb,redAloc1 , kur: (103)
Aloc1 — virsmas spiedes laukums;
Rb,red — betona reducētā prizmas stiprība vietējās virsmas spiedes aprēķinos, un to nosaka pēc formulas:
Rb,red = Rbjb + jmxyRs,xyjs , (104)
šeit:
Rs,xy, j,mxy — tie paši apzīmējumi, kas šo noteikumu 185.punktā;
jb = 3 ÷ Aloc2 / Aloc1 , (105)
bet ne lielāks par 3,5
js — koeficients, kas ievēro netiešā stiegrojuma ietekmi vietējās spiedes daļā; 15.b, e, g zīmējuma shēmām ņem js = 1,0, bez tam netiešo stiegrojumu aprēķinā ņem vērā nosacījumu, ka šķērssieti novietoti laukumā, kas nav mazāks par 15.zīmējumā attiecīgās shēmās ar punktēto līniju norobežoto; 15.a, c, d, f, h zīmējuma shēmām koeficientu js nosaka pēc formulas:
Aloc1
js = 4,5 – 3,5 –––– , (106)
Aef
šeit:
Aef — netiešā stiegrojuma sietu kontūrā, rēķinot no to malējiem stieņiem, ieslēgtā betona laukums, kam jāatbilst nosacījumam Aloc1 < Aef £ Aloc2.
3.9.2. Caurspiedes aprēķins
271. Plātņveida konstrukcijām (bez šķērsstiegrojuma) caurspiede vienmērīgi izkliedētu spēku iedarbībā ierobežotā laukumā jāaprēķina ar nosacījumu:
F £ aRbtumho , kur: (107)
F — spiedes spēks;
a — koeficients, kuru ņem:
a) smagajam betonam — 1,0,
b) smalkgraudainajam betonam — 0,85,
c) vieglbetonam — 0,80;
um — augšējās un apakšējās pamatnes perimetru vidējais aritmētiskais piramīdai, kas veidojas caurspiedē šķēluma darba augstuma robežās.
Aprēķinot um un F, tiek pieņemts, ka caurspiede notiek piramīdas sānu virsmā, kuras mazākā pamatne ir spiedošā spēka darbības laukums, bet sānu skaldnes atrodas 45° leņķī pret horizontāli.
16.zīmējums.
Shēmas dzelzsbetona elementu caurspiedes aprēķināšanai;
a — ja caurspiedes piramīdas sānu skaldņu slīpums ir 45°;
b — tas pats, ja leņķis ir lielāks par 45°‚.
273. Spiedes spēku F ņem vienādu ar spēku, kas darbojas uz caurspiedes piramīdu, izņemot slodzes, kas pieliktas caurspiedes piramīdas lielākai pamatnei (rēķinot stieptā stiegrojuma novietojuma plaknē) un pretojas caurspiedei.
274. Ja atbalsta shēma ir tāda, ka caurspiede var notikt tikai piramīdas virsmā ar sānu skaldņu leņķi, kas lielāks par 45°, piemēram, pāļu režģos, (16.b zīmējums), nosacījuma (107) pirmo daļu nosaka faktiskai caurspiedes piramīdai, reizinot ar ho/c. Turklāt nests p ējas vērtību ņem ne lielāku par vērtību, kas atbilst piramīdai, ja c = 0,4ho, kur c — caurspiedes piramīdas sānu skaldnes horizontālās projekcijas garums.
275. Ja caurspiedes piramīdas robežās ievietotas plātnes plaknei ir stateniskas aptveres, aprēķins jāveic ar nosacījumu:
F £ Fb + 0,8Fsw , (108)
bet F nav lielāks par 2Fb. Piepūli Fb ņem vienādu nevienādības (107) labajai pusei, bet Fsw nosaka kā visu šķērsspēku summu, ko uzņem aprēķina caurspiedes piramīdas sānu skaldnes šķērsojošās aptveres, pēc formul as:
Fsw = SRswAsw, kur: (109)
Rsw nedrīkst pārsniegt vērtību, kas atbilst A-I klases stiegrojumam.
276. Ņemot vērā šķērsstiegrojumu, Fsw vērtībai jābūt ne mazākai par 0,5Fb.
277. Ja aptveres atrodas ierobežotā laukumā koncentrētas slodzes tuvumā, tad papildus jāaprēķina tādas piramīdas caurspiešana, kuras augšējo pamatni veido šķērsstiegrojuma saturošā iecirkņa kontūras ar nosacījumu (107). Šķērsstiegrojumam jāatbilst šo noteikumu 560.punkta prasībām.
3.9.3. Atraušanas aprēķins
278. Dzelzsbetona elementiem atraušanos no to apakšējai skaldnei vai šķēluma augstuma robežās pieliktās slodzes iedarbības (17.zīmējums) aprēķina ar nosacījumu:
hs
F (1 – –––) £ SRswAsw, kur: (110)
ho
F — atrāvējspēks;
hs — atstatums no atrāvējspēka pārnešanas līmeņa līdz garenstiegrojuma šķēluma smagumcentram;
RswAsw — šķērsspēku summa, ko uzņem papildus uzstādītās aptveres atraušanās zonas garumā:
a = 2hs + b, (111)
šeit:
b — atrāvējspēka pārnešanas laukuma platums;
hs un b vērtības nosaka atkarībā no atrāvējslodzes slodzes pielikšanas rakstura un apstākļiem (ar konsoļu, piegulošo elementu starpniecību u.c.).
17.zīmējums.
Dzelzsbetona elementu atraušanas apr ēķina shēma
3.10. Ieliekamo detaļu aprēķins
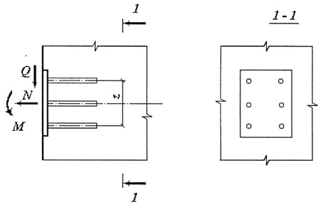
279. Plakaniem tērauda ieliekamo detaļu elementiem T veidā piemetinātie enkuri no vienā ieliekamās detaļas simetrijas plaknē novietotās statiskās slodzes radītā lieces momentu, ass spēku un bīdes spēku iedarbības (18.zīmējums) jāaprēķina pēc formulas:
, kur: (112)
Aan — visvairāk saspriegtās rindas enkuru šķērsgriezuma un summārais laukums;
Nan — vislielākā stiepes piepūle enkuru rindā, ko aprēķina pēc formulas:
M N
Nan = –– + ––– ; (113)
z nan
Qan — bīdes piepūle vienā enkuru rindā, ko aprēķina pēc formulas:
Q – 0,3N'an
Qan = ––––––––––; (114)
nan
N'an — vislielākā spiedes piepūle vienā enkuru rindā, ko aprēķina pēc formulas:
M N
N'an = –– + ––– ; (115)
z nan
280. Formulās (112) — (115):
M, N, Q — uz ieliek amo detaļu darbojošais lieces moments, asspēks un bīdes spēks; momentu nosaka attiecībā pret asi, kas atrodas plāksnes ārējās skaldnes plaknē un iet caur visu enkuru smagumcentru;
nan — enkuru rindu skaits bīdes virzienā; ja netiek nodrošināta bīdes spēka Q vienmērīga pārnešana uz visām enkuru rindām, tad, aprēķinot bīdes piepūli Qan, jāievēro ne vairāk kā četras rindas;
z — atstatums starp enkuru malējām rindām;
l — koeficients, ko nosaka enkurstieņiem ar diametru 8 — 25 mm B12,5 — B50 klases smagajam un smalkgraudainajam betonam un B12,5 — B30 klases vieglbetonam pēc formulas:
(116)
bet kuru ņem ne lielāku par 0,7; augstākam par B50 klasi smagajam un smalkgraudainajam betonam koeficients jāņem tāds pats kā B50 klases betonam, bet augstākam par B30 klasi vieglbetonam — kā B30 klases vieglbetonam,
šeit:
Rb, Rs — MPa;
Aan1 — visvairāk saspriegtās rindas enkurstieņa šķērsgriezuma laukums, cm2;
b — koeficients, kuru ņem:
a) smagajam betonam — 1,0,
b) smalkgraudainajam A grupas betonam — 0,8,
c) B un C grupas betonam — 0,7,.
d) vieglbetonam rm/2300 (rm — betona vidējais blīvums, kg/m3),
d — koeficients, ko nosaka pēc formulas:
(117)
N
w = 0,6 –– , ja N'an £0 (nav piespiests),
Q
ja enkuros nav stiepes piepūles, koeficients d ir 1,0.
281. Pārējo rindu enkuru šķēluma laukums jāņem vienāds vissaspriegtākās rindas enkuru šķēluma laukumam.
282. Formulās (113) un (115) asspēks N uzskatāms par pozitīvu, ja tas ir virzīts no ieliekamās detaļas (18.zīmējums), un par negatīvu, ja tas ir virzīts uz to. Gadījumos, ja ass piepūles Nan un N'an, kā arī bīdes piepūle Qan, aprēķinot pēc formulām (113) — (115), iegūst negatīvas vērtības, formulās (112) — (114) un (117) tās ņem vienādas ar nulli. Turklāt, ja Nan iegūst negatīvu vērtību, tad formulā (114) ņem N'an = N. Ja ieliek a mā detaļa atrodas izstrādājuma augšējā virsmā (betonējot), koeficientu l samazina par 20 %, bet N'an vērtību ņem vienādu ar nulli.
18.zīmē jums.
Uz ieliekamo detaļu darbojošos piepūļu shēma
283. Slīpajiem enkuriem, kas piemetināti ieliekamā detaļā ar pārlaidsavienojumu no 15° līdz 30° leņķī, aprēķina bīdes spēka iedarbību (ja Q > N, kur N — atrāvējspēks) pēc formulas:
Q – 3N'an
Aan,inc = ––––––––– , kur: (118)
Rs
A an,inc — slīpo enkuru šķērsgriezuma summārais laukums;
N'an — saskaņā ar šo noteikumu 279.punktu.
284. Bez tam jāuzstāda stateniskie enkuri, ko aprēķina pēc formulas (112), ja d = 1,0 un ja Qan vērtības ir 0,1 no bīdes piepūles Qan, kuru aprēķina pēc formulas (114).
285. Metināto ieliekamo detaļu konstrukcijai ar tai piemetinātiem elementiem, kas pārnes slodzi uz ieliekamām detaļām, jānodrošina enkurstieņu iesaistīšana darbā atbilstoši pieņemtajai aprēķina shēmai. Ieliekamo detaļu ārējos elementus un to metinātos savienojumus aprēķina saskaņā ar Latvijas būvnormatīvu LBN 204. Aprēķinot plāksnēm un veidvelmējumiem atrāvējspēju spēku, pieņem, ka tie ir locīklveidā savienoti ar stateniskiem enkurstieņiem. Bez tam plāksnes bie z ums t aprēķināmajai ieliekamajai detaļai, pie kuras T veidā piemetina enkurus, jāpārbauda ar nosacījumu:
Rs
t 0,25dan ––– , kur: (119)
Rsq
dan — pēc aprēķina nepieciešamais enkurstieņa diametrs;
Rsq — tērauda aprēķina pretestība cirpei, kuru ņem saskaņā ar LBN 204.
286. Lietojot tādus metināto savienojumu veidus, kas nodrošina lielāku zonu plāksnes iekļaušanu darbā, kad no tās rauj ārā enkurstieni, un attiecīgi to pamatojot, ir iespējama šo metināto savienojumu nosacījuma (119) korekcija.
287. Plāksnes biezumam jāatbilst arī metināšanas tehnoloģiskajām prasībām.
3.11. Dzelzsbetona elementu izturības aprēķins
288. Dzelzsbetona elementu izturību aprēķina, salīdzinot spriegumus betonā un stiegrās ar attiecīgām aprēķina pretestībām, kas reizinātas ar darba apstākļu koeficientiem gb1, gs3, kurus ņem atbilstoši 15. un 24.tabulai, bet, ja ir metināti stiegru savienojumi, arī ar darba apstākļu koeficientu gs4 (25.tabula).
289. Spriegumus betonā un stiegrojumā aprēķina kā elastīgam ķermenim (reducētos šķēlumos) ārējo spēku iepriekšējās saspriegšanas piepūles P iedarbībā.
290. Betona spiestajā zonā neelastīgās deformācijas tiek ņemtas vērā ar betona elastības moduļa samazināšanu, ņemot betonam stiegrojuma reducēšanas koeficientus a' = 25, 20, 15 un 10 attiecīgi B15, B25, B30, B40 un augstākas klases betonam.
291. Ja netiek ievērots nosacījums (140), aizstājot tajā Rbt,ser vērtību ar Rbt, reducētā šķēluma laukumu nosaka, neņemot vērā betona stiepto daļu.
292. Elementa garenasij statenisku šķēlumu izturību aprēķina ar nosacījumu:
292.1. spiestam betonam:
sb,max £ Rb; (120)
292.2. stieptajam stiegrojumam:
ss,max £ Rs, kur: (121)
sb,max, ss,max — maksimālie normālie elementa asij paralēlie spriegumi attiecīgi spiestā betonā un stieptā stiegrojumā.
293. Pārbaudot betona spiesto zonu daudzkārtējās slodzes iedarbībā, jāvairās no stiepes spriegumu rašanās tajā. Spiestā stiegrojuma izturību neaprēķina.
294. Elementu garenasij slīpu šķēlumu izturība jāaprēķina ar nosacījumu, ka reducētā šķēluma smagumcentra līmenī darbojošos galveno stiepes spriegumu rezultante pa elementa garumu pilnībā jāuzņem šķērsstiegrojumam, kurā spriegumi ir vienādi pretestībai Rs, reizinātai ar darba apstākļu koeficientiem gs3 un gs4 (24. un 25.tabula).
295. Elementiem, kuriem šķērsstiegrojums nav paredzēts, jāizpilda šo noteikumu prasības, formulās (141) un (142) aizstājot betona aprēķina pretestības Rb,ser un Rbt,ser ar attiecīgām aprēķina pretestībām Rb un Rbt, reizinātām ar darba apstākļu koeficientu gb1 (15.tabula).
4. Dzelzsbetona konstrukciju elementu aprēķins
otrās grupas robežstāvokļos
4.1. Dzelzsbetona elementu plaisu rašanās aprēķins
296. Dzelzsbetona elementiem plaisu rašanās aprēķini attiecas uz elementu garenasij stateniskām un pret elementu garenasi slīpām plaisām.
4.2. El ementa garenasij statenisku plaisu rašanās aprēķins
297. Liektiem, stieptiem un ekscentriski spiestiem dzelzsbetona elementiem piepūles, ko uzņem garenasij stateniski šķēlumi plaisu rašanās brīdī, nosaka, ņemot vērā šādus pieņēmumus:
297.1. šķēlumi pēc deformācijas paliek plakani;
297.2. malējā stieptā betona slāņa vislielākais relatīvais pagarinājums ir vienāds ar 2Rbt,ser/Eb;
297.3. spriegumus stieptās zonas (ja tāda ir) betonā nosaka, ņemot vērā betona elastīgās vai neelastīgās deformācijas, turklāt neelastīgās deformācijas ņem vērā, samazinot šķēluma kodola punkta atstatumu r;
297.4. spriegumi stieptās daļas betonā ir vienmērīgi izkliedēti un pēc lieluma vienādi Rbt,ser;
297.5. spriegumi iepriekš nesaspriegtā stiegrojumā ir vienlīdzīgi apkārtējā betona deformāciju pieaugumam atbilstošo spriegumu un betona rukuma un šļūdes radīto spriegumu algebriskai summai;
297.6. spriegumi saspriegtajā stiegrojumā ir vienlīdzīgi tā iepriekšējā sasprieguma (ņemot vērā visus zudumus) un apkārtējā betona deformāciju pieaugumam atbilstošā sprieguma algebriskai summai.
298. Šo noteikumu 297.punktā noteiktais neattiecas uz elementiem, kuriem aprēķina daudzkārtējās slodzes iedarbību.
299. Nosakot piepūles, ko uzņem elementu šķēlumi ar iepriekšsaspriegto stiegrojumu bez enkuriem, sprieguma pārvades zonas lp garumā, plaisu rašanos aprēķinot, jāievēro iepriekšējā sprieguma samazināšanās stiegrojumā ssp s'sp, reizinot tos ar koeficientu gs5 saskaņā ar šo noteikumu 23.tabulas 5.pozīciju.
300. Centriski iepriekšsaspriegtus dzelzsbeton a elementus centriskajā (spēka N) stiepē aprēķina, ievērojot nosacījumu:
N £ Ncrc, kur (122)
Ncrc — piepūle, ko uzņem elementa garenasij statenisks šķēlums plaisu rašanās brīdī un ko aprēķina pēc formulas:
Ncrc = Rbt,ser(A + 2aAs) + P. (123)
301. Liektie m, ekscentriski spiestiem, kā arī ekscentriski stieptiem elementiem plaisu rašanos aprēķina, ievērojot nosacījumu:
Mr£Mcrc, kur: (124)
Mr — apskatāmā šķēluma vienā pusē esošo spēku moments attiecībā pret asi, kas paralēla neitrālajai asij un iet caur kodolpunktu, kas atrodas vistālāk no stieptās daļas, kuras plaisrašanās tiek pārbaudīta;
Mcrc — moments, ko, rodoties plaisām, uzņem elementa garenasij statenisks šķēlums un ko nosaka pēc formulas:
Mcrc = Rbt,serWpl ± Mrp, kur: (125)
Mrp — piepūles P moments attiecībā pret to pašu asi kā Mr noteikšanā; momenta zīmi nosaka griešanās virziens (plus — ja momentu Mrp un Mr griešanās virzieni ir pretēji; mīnus — ja virzieni sakrīt).
302. Piepūli P uzskata:
302.1. iepriekšsaspriegtiem elementiem — kā ārējo spiedes spēku;
302.2. elementiem, kurus gatavo bez iepriekšējās saspriegšanas, kā ārējo stiepes spēku, kuru aprēķina pēc formulas (8), pieņemot, ka spriegumi ss un s's— nesaspriegtā stiegrojumā ir skaitliski vienlīdzīgi betona rukuma zuduma vērtībām pēc šo noteikumu 4.tabulas 8.pozīcijas (tāpat kā stiegrojumam, kuru nospriego uz balstiem).
303. Mr vērtību nosaka pēc formulām:
303.1. liektiem elementiem (19.a zīmējums):
Mr = M; (126)
303.2. ekscentriski spiestiem elementiem (19.b zīmējums):
Nr = N(eo – r); (127)
303.3. ekscentriski stieptiem elementiem (19.c zīmējums):
Mr = N(eo + r). (128)
304. Mrp vērtības nosaka:
304.1. aprēķinot plaisu rašanos šķēluma daļā, kas ārējo slodžu iedarbībā stiepta, bet spiesta iepriekšsaspriegšanas piepūles iedarbībā, pēc formulas (19.zīmējums):
Mrp = P(eop + r); (129)
304.2. aprēķinot plaisu rašanos šķēluma daļā, kas stiepta iepriekšējās saspriegšanas piepūles iedarbībā (20.zīmējums), pēc formulas:
Mrp = P (eop – r). (130)
19.zīmējums.
Piepūļu shēmas un spriegumu epīras elementa šķērsgriezumā,
aprēķinot elementa garenasij statenisku plaisu rašanos šķēluma daļā,
kura stiepta ārējo slodžu iedarbībā, bet spiesta iepriekšējās saspriegšanas
piepūles iedarbībā: a — liecē; b — ekscentriskā spiedē;
c — ekscentriskā stiepē; 1 — kodolpunkts;
2 — reducētā šķēluma smagumcentrs
20.zīmējums.
Piepūļu shēma un spriegumu epīra elementa šķērsgriezumā,
aprēķinot elementa garenasij statenisku plaisu rašanos šķēluma daļā,
kas stiepta iepriekšējās saspriegšanas piepūles iedarbībā;
1 — kodolpunkts; 2 — reducētā šķēluma smagumcentrs
305. Formulās (127), (128), (129) un (130):
r — atstatums no reducētā šķēluma smagumcentra līdz kodolpunktam, kas atrodas vistālāk no stieptās daļas, kuras plaisu rašanās tiek pārbaudīta; r vērtību nosaka:
a) ekscentriski spiestiem, iepriekšsaspriegtiem liektiem, kā arī ekscentriski stieptiem elementiem, ja tiek ievērots nosacījums:
N £ P, (131)
pēc formulas:
Wred
r=j–––; (132)
Ared
b) ekscentriski stieptiem elementiem, ja nosacījums (131) netiek ievērots, pēc formulas:
Wpl
r= ––––––––––––––; (133)
A + 2a (As + A's)
c) liektiem elementiem, kas izgatavoti bez stiegrojuma iepriekšējās saspriegšanas, pēc formulas:
Wred
r= –––; (134)
Ared
306. Formulās (132) un (133):
sb
j = 1,6 – ––––, (135)
Rb,ser
bet to ņem ne mazāku par 0,7 un ne lielāku par 1,0. Formulā (135):
sb — ārējās slodzes un iepriekšējās saspriegšanas piepūles radītais maksimālais spriegums spiestajā betonā, kuru aprēķina tāpat kā elastīgam ķermenim ar reducēto šķēlumu;
Wpl — nosaka saskaņā ar šo noteikumu 311.punkt u;
Es
a = –––– .
Eb
307. Aprēķinot plaisu rašanos (šuvju atvēršanās sākumu) saliktu un blokveida konstrukciju saduru šķēlumiem bez līmes lietošanas šuvēs, Rbt,ser vērtību formulās (123) un (125) ņem vienlīdzīgu nullei.
308. Aprēķinot plaisu rašanos elementiem posmos ar sākuma plaisām spiestajā daļā, ārējās slodzes iedarbībā stieptajai daļai Mcrc vērtība, ko nosaka pēc formulas (125), jāsamazina par DMcrc = lMcrc.
309. Koeficientu l nosaka pēc formulas:
0,9
l = (1,5 – –––) (1– jm), (136)
d
turkl āt, iegūstot negatīvu vērtību, to ņem vienlīdzīgu nullei. Formulā (136):
jm — nosaka pēc formulas (168) posmam ar sākuma plaisām, bet ne mazāku par 0,45;
y As
d = –––– –––––––, (137)
h – y As + A's
bet ne lielāks par 1,4;
y — atstatums no reducētā šķēluma smagumcentra līdz ārējās slodzes stieptā betona malējam slānim.
310. Konstrukcijām ar stiepļveida stiegrām un A-VI vai AT-VII klases stieņveida stiegrām formulā (137) iegūtā d vērtība jāsamazina par 15 %.
311. Reducētā šķēluma pretestības momentu malējam stieptajam slānim (ņemot vērā stieptā betona neelastīgās deformācijas) Wpl nosaka, pieņemot, ka nav garenspēka N un iepriekšējās saspriegšanas piepūles P, pēc formulas:
2(Ibo + aIso + aI'so)
Wpl = ––––––––––––––– + Sbo. (138)
h – x
Neitrālās ass stāvokli nosaka, ievērojot nosacījumu:
(h – x) Abl
S'bo + aS'bo – aS'so = –––––––––. (139)
2
312. Ar iepriekšsaspriegtiem elementiem (piemēram sijām) stiegrotās konstrukcijās, nosakot piepūles, ko uzņem šķēlumi, rodoties plaisām iepriekšsaspriegtos elementos, betona stiepās daļas šķēluma laukums, kas nav pakļauts iepriekšējai saspriegšanai, aprēķinā nav jāņem vērā.
313. Pārbaudot nestspējas robežu vienlaikus ar plaisu rašanos, piepūli, ko uzņem šķēlumos, rodoties plaisām, nosaka pēc formulām (123) un (125), aizstājot Rbt,ser vērtību ar 1,2Rbt,ser, ar koeficientu gsp = 1,0.
314. Plaisu rašanos daudzkārtējās slodzes iedarbībā aprēķina, ievērojot nosacījumu:
sbt £ Rbt,ser, kur: (140)
sbt — stiepes normālsprieguma lielākā vērtība betonā, ko nosaka saskaņā ar šo noteik umu 288.punktu.
315. Betona aprēķina pretestību stiepei Rbt,ser formulā (140) ņem ar darba apstākļu koeficientu gbl (15.tabula).
4.3. Pret elementa garenasi slīpu plaisu rašanās aprēķins
316. Pret elementa garenasi slīpu plaisu rašanos aprēķina, ievērojot nosacījumu:
smt £ gb4 Rbt,ser , kur (141)
gb4 — betona darba apstākļu koeficients (14.tabula), kuru nosaka pēc formulas:
1 – smc / Rb,ser
gb4 = –––––––––––––, (142)
0,2 + aB
bet tas nedrīkst būt lielāks par 1,0. Formulā (142):
a — koeficients, kuru ņem:
a) smagajam betonam — 0,01;
b) smalkgraudainajam, vieglbetonam un šūnbetonam — 0,02;
B — betona spiedes stiprības klase, MPa;
aB vērtība jāņem ne mazāka par 0,3.
317. No stiepes un galveno spiedes spriegumu vērtības betonā smt un smc nosaka pēc formu las:
sx + sy sx – sy
smt(mc) = –––––––– ± ÷ ( –––––– ) 2+ txy2, kur: (143)
2 2
sx — ārējās slodzes un iepriekšējās saspriegšanas piepūles normālspriegums betonā elementa garenasij perpendikulārā laukumā;
sy — balstreakciju un koncentrētu spēku vietējās iedarbības, izkliedētās slodzes, kā arī aptveru un uzliekto stieņu iepriekšējās saspriegšanas rezultātā radītie normālspriegumi betonā elementa garenasij paralēlā laukumā;
txy — ārējās slodzes atliekto stieņu iepriekšējās saspriegšanas piepūles tangenciālie spriegumi betonā.
318. Spriegumus sx, sy un txy nosaka kā elastīgam ķermenim, izņemot tangenciālos vērpes momenta iedarbībā radušos spriegumus, kurus nosaka pēc formulām elementa plastiskajam stāvoklim.
319. Spriegumus sx un sy formulā (143) liek ar "plus" zīmi, ja tie ir stiepes spriegumi, ar "mīnus" zīmi — ja tie ir spiedes spriegumi. Spriegumu smc formulā (142) ņem pēc absolūtā lieluma.
320. Nosacījumu (141) pārbauda T veida vai dubulta T veida šķērsgriezuma elementa reducētā šķēluma smagumcentrā un spiesto plauktu un sieniņas savienošanās vietās.
321. Aprēķinot elementus ar iepriekšsaspriegto stiegrojumu bez enkuriem, jāņem vērā iepriekšējo spriegumu ssp un s'sp pazemināšanās spriegumu pārvades zonas garumā lp, reizinot ar koeficientu gs5 saskaņā ar šo noteikumu 23.tabulas 5.pozīciju.
322. Daudzkārtējās slodzes iedarbībā plaisu rašanos aprēķina saskaņā ar šo noteikumu 316.punktu, turklāt betona aprēķina pretestības Rbt,ser un Rb,ser ieved ar darba apstākļu koeficientu gbl (15.tabula).
4.4. Dzelzsbetona elem entu plaisu atvēruma aprēķins
323. Dzelzsbetona elementiem aprēķina elementa garenasij statenisku un pret elementa garenasi slīpu plaisu atvērumu.
4.4.1. Elementa garenasij statenisku plaisu atvēruma aprēķins
324. Elementa garenasij statenisku plaisu atvēruma platumu acrc (mm) nosaka pēc formulas:
ss 3
acrc = djlh ––– 20 (3,5 – 100m) ÷ d, kur: (144)
Es
d — koeficients, kuru ņem:
a) liektiem un ekscentriski spiestiem elementiem — 1,0;
b) stieptiem elementiem — 1,2;
jl — koeficients, kuru ņem, ievē rojot:
a) īslaicīgās slodzes un neilgstošas iedarbības pastāvīgās un ilgstošās slodzes — 1,0,
b) daudzkārtēji atkārtojošās slodzes, kā arī ilgstošas iedarbības pastāvīgās un ilgstošās slodzes:
1) smagā betona konstrukcijām dabiskā mitrumā j1 = 1,60 – 15m;
2) ūdenspiesātinājuma stāvoklī — 1,20;
3) pārmaiņus ūdenspiesātinājumā un izžuvušā stāvoklī — 1,75;
4) smalkgraudainajam:
A grupas betonam — 1,75;
B grupas betonam — 2,00;
C grupas betonam — 1,50;
5) vieglbetonam un porainajam betonam — ne mazāk par 1,50;
6) šūnbetonam — 2,50;
jl— vērtība smalkgraudainajam, vieglbetonam, porainajam un šūnbetonam ūdenspiesātinājuma stāvoklī jāreizina ar koeficientu 0,8, bet pārmaiņus ūdenspiesātinājumā un izžuvušā stāvoklī — ar koeficientu 1,2;
h — koeficients, kuru ņem:
a) periodiska profila stieņveida stiegrām — 1,0;
b) gludām stieņveida stiegrām — 1,3;
c) periodiska profila stiepļveida stiegrām un trosēm — 1,2;
d) gludām stieplēm — 1,4;
ss — spriegumi stiegrojuma S malējās rindās stieņos vai (ja ir iepriekšējais saspriegums) spriegumu pieaugums ārējās slodzes iedarbībā, ko nosaka saskaņā ar šo noteikumu 329.punkta nosacījumiem;
m — šķēluma stiegrojuma koeficients, ko ņem vienlīdzīgu stiegrojuma S šķērsgriezuma laukuma attiecībai pret betona šķēluma laukumu (ar darba augstumu ho un neņemot vērā plauktu spiestās pārkares), bet ne lielāku par 0,02;
d — stiegru diametrs, mm.
325. Elementiem, kuru plaisizturībai tiek izvirzītas 2.kategorijas prasības, plaisu atvērumu platumu nosaka pastāvīgo, ilgstošo un īslaicīgo slodžu summārā iedarbībā ar koeficientu jl = 1,0.
326. Elementiem, kuru plaisizturībai tiek izvirzītas 3.kategorijas prasības, ilgstoši atvērtu plaisu platumu nosaka pastāvīgo un ilgstošu slodžu iedarbībā ar koeficientu jl < 1,0.
327. Elementiem. kuru plaisizturībai tiek izvirzītas 3.kategorijas prasības, ilgstoši atvērtu plaisu platumu nosaka pastāvīgo un ilgstošu slodžu iedarbībā ar koeficientu jl > 1,0. Īslaicīgi atvērtu plaisu platumu nosaka kā ilgstoša atvēruma un īslaicīgu slodžu iedarbības radītā atvēruma platuma pieauguma summu, ko nosaka ar koeficientu jl = 1,0.
328. Plaisu atvēruma platumu, ko nosaka pēc formulas (144), koriģē šādos gadījumos:
328.1. ja liektu, ekscentriski spiestu vai ekscentriski ar eo,tot 0,8ho stieptu elementu stiegrojuma S malējās rindas stieņu šķēluma smagumcentrs atrodas attālumā a2 > 0,2h no visvairāk stieptā betona slāņa, acrc vērtība jāpalielina, reizinot ar koeficientu da, ko aprēķina pēc formulas:
a2
20 ––– – 1
h
da = ––––––––––––, (145)
3
bet ne lielāks par 3;
328.2. ja m £ 0,008 un Mr2 < Mo, liektiem un ekscentriski spiestiem smagā betona un vieglbetona elementiem plaisu atvēruma platumu no visu slodžu neilgstošas iedarbības pieļaujams noteikt, lineāri interpolējot starp vērtību acrc = 0 pie momenta Mcrc un acrc vērtību, kuru aprēķina saskaņā ar šī punkta nosacījumiem pie momenta Mo = Mcrc + Ybh2Rbt,ser, kur Y = 15ma/h, bet ne lielākas par 0,6. Turklāt pastāvīgu un ilgstošu slodžu iedarbībā ilgstoša atvēruma plaisu platumu nosaka, reizinot visu slodžu iedarbībā iegūto acrc vērtību ar attiecību:
jl1 = (Mr1 – Mrp) / (Mr2 – Mrp) , kur:
Mcrc
jl1= 1,8 jl ––––, bet ne mazāks par jl;
Mr2
Mr1, Mr2 — attiecīgi pastāvīgas un ilgstošas iedarbības un visu slodžu iedarbības momenti Mr;
m, h — tas pats, kas formulā (144);
328.3. B7,5 un zemākas klases vieglbetona un porainā betona elementiem acrc vērtība jāpalielina par 20 %.
329. Spriegumus stieptajā stiegrojumā (vai spriegumu pieaugumi) ss nosaka pēc formulām:
329.1. centriski stieptiem elementiem:
N – P
ss = –––––; (146)
As
329.2. liektiem elementiem:
M – P (z – esp)
ss = –––––––––––––; (147)
As z
329.3. ekscentriski spiestiem, kā arī ekscentriski stieptiem elementiem ar eo,tot 0,8ho:
N(es ±z) – P(z – esp)
ss = –––––––––––––––– ; (148)
As z
330. Ekscentriski stieptiem elementiem, ja eo,tot < 0,8ho, ss vērtību nosaka pēc formulas (148), ņemot z = zs, kur zs — atstatums starp stiegrojuma S un S' — smagumcentriem.
331. Bez stiegrojuma iepriekšējās saspriegšanas izgatavotiem elementiem iepriekšsaspriegšanas piepūles P vērtību drīkst ņemt vienlīdzīgu nullei.
332. Formulā (148) plusa zīmi izmanto ekscentriskai stiepei, mīnusa zīmi — ekscentriskai spiedei. Ja stiepes asspēks N atrodas starp stiegrojuma S un S' smagumcentriem, es vērtību ņem ar mīnusa zīmi.
333. Formulās (147) un (148) z — atstatums no stiegrojuma S šķēluma laukuma smagumcentra līdz piepūļu rezultantes pielikšanas punktam šķēluma spiestajā zonā virs plaisas, un to nosaka saskaņā ar šo noteikumu 362.punkta nosacījumiem.
334. Ja stieptai s stiegrojums atrodas liektu, ekscentriski spiestu, kā arī ekscentriski ar eo,tot 0,8ho stieptu elementu šķēluma augstumā vairākās kārtās, tad pēc formulām (147) un (148) aprēķinātie spriegumi ss jāreizina ar koeficientu dn, ko aprēķina pēc formulas:
h – x – a2
dn = –––––––––, kur: (149)
h – x – a1
x = xho; vērtību x nosaka pēc formulas (161);
a1, a2 — atstatumi attiecīgi no visa stiegrojuma S un stieņu malējās rindas šķēluma laukuma smagumcentra līdz visvairāk stieptajam betona slānim.
335. Spriegumu ss + ssp vērtība, bet, ja ir daudzrindu stiepts stiegrojums, — dnss + ssp vērtība nedrīkst pārsniegt Rs,ser, iepriekšējās saspriegšanas piepūles P vērtība jāsamazina par lielumu DP, ko nosaka pēc formulas:
DP = lP, kur: (150)
l nosaka pēc formulas (136).
33 6. Sākuma plaisu dziļums hcrc spiestajā zonā nedrīkst būt lielāks par 0,5h0; hcrc vērtību nosaka pēc formulas:
hcrc = h – (1,2 + jm) xho, kur: (151)
x vērtību nosaka pēc formulas (161),
jm vērtību nosaka pēc formulas (168) daļai ar sākuma plaisām.
4.4.2. Pret elementa garenasi slīpu plaisu atvēruma aprēķins
337. Ja elements stiegrots ar garenasij stateniskām aptverēm, tad slīpo plaisu atvēruma platumu nosaka pēc formulas:
0,6 ssw dw h
acrc = j1 ––––––––––––––––––––––––, kur: (152)
dw
Es ––– + 0,15 Eb(1 + 2amw)
ho
jl — koeficients, kuru ņem, ievērojot:
a) īslaicīgās slodzes un neilgstošas iedarbības pastāvīgās un ilgstošās slodzes — 1,00;
b) daudzkārtēji atkārtojošās slodzes, kā arī ilgstošas iedarbības pastāvīgās un ilgstošās slodzes:
1) smagā betona dabiska mitruma konstrukcijām — 1,50;
2) konstrukcijām ūdenspiesātinājuma stāvoklī — 1,20;
3) konstrukcijām pārmaiņus ūdenspiesātinājumā un izžuvušā stāvoklī — 1,75;
4) smalkgraudainā, vieglbetona, porainā un šūnbetona konstrukcijām — tas pats, kas formulā (144);
h — tas pats, kas formulā (144);
dw — aptveru diametrs;
Es Asw
a = ––– ; mw = –––.
Eb bs
338. Spriegumu aptverēs nosaka pēc formulas:
Q – Qb1
ssw = ––––––– s, (153)
Asw ho
bet ssw vērtība nedrīkst pārsniegt Rs,ser;
Q un Qb1 — attiecīgi nosacījuma (84) kreisā un labā daļa, aizstājot Rbt vērtību ar Rbt, ser, turklāt koeficients jb4 jāreizina ar 0,8.
339. Ja aplūkojamajā šķērsspēku darbības zonā nav statenisku plaisu, t.i., ja tiek izpildīts nosacījums (124), ir pieļaujams ņemt vērā šķērspiepūles Qbl palielinājumu, ko elements uzņem, aprēķinot to ar nosacījumu (141).
340. Aprēķinātās pretestības Rbt,ser un Rb,ser nedrīkst pārsniegt vērtības, kas atbilst B30 klases betonam.
341. B7,5 un zemākas klases vieglbetona elementiem pēc formulas (152) aprēķinātā acrc vērtība jāpalielina par 30 %.
342. Aprēķinot slīpu plaisu neilgstoša atvēruma platumu, jāievēro šo noteikumu 324.punkta nosacījumi attiecībā uz slodžu iedarbības ilguma ietekmi.
4.5. Dzelzsbetona elementu plaisu aizvēršanās aprēķins
343. Dz elzsbetona elementiem aprēķina elementa garenasij statenisku un pret elementa garenasi slīpu plaisu aizvēršanos (aizspiešanos).
4.5.1. Elementa garenasij statenisku plaisu aizvēršanās aprēķins
344. Lai nodrošinātu elementa garenasij statenisku plaisu drošu aizvēršanos, iedarbojoties pastāvīgām un ilgstošām slodzēm, jāievēro šādas prasības:
344.1. saspriegtajā stiegrojumā S pastāvīgu, ilgstošu un īslaicīgu slodžu iedarbībā nav pieļaujama neatgriezenisku deformāciju rašanās; to nodrošina, ievērojot nosacījumu :
ssp +ss £ 0,8 Rs,ser, kur: (154)
ss — spriegumu pieaugums saspriegtajā stiegrojumā S ārējo slodžu iedarbībā, kuru aprēķina pēc formulām (146), (147) un (148);
344.2. elementa šķēlumam, kura stieptajā daļā ir plaisa, kas radusies pastāvīgo, ilgstošo un īslaicīgo slodžu iedarbībā, jāpaliek spiestam, kad paliek tikai pastāvīgās un ilgstošās slodzes, ar normālajiem spiedes spriegumiem sb uz elementa ārējo slodžu stieptās skaldnes ne mazākiem par 0,5 MPa, turklāt sb lielumu nosaka kā elastīgam ķermenim ārējo slodžu un iepriekšējās spriegošanas piepūles iedarbībā.
345. Elementu iecirkņiem, kuru spiestajā daļā ir sākuma plaisas (šo noteikumu 1.18.apakšpunkts), ssp vērtība formulā (154) jāreizina ar koeficientu, kas vienāds ar 1 – l, bet P vērtība, nosakot spriegumus sb, jāreizina ar koeficientu, kas vienāds ar 1,1 x (1-l), bet ne lielāks par 1,0 , kur l vērtības nosaka saskaņā ar šo noteikumu 309.punktu.
4.5.2. Pret elementa garenasi slīpu plaisu aizvēršanās aprēķins
346. Lai nodrošinātu pret elementa garenasi slīpu plaisu drošu aizvēršanos, betonā abiem galvenajiem spriegumiem, kurus nosaka saskaņā ar šo noteikumu 316.punkta nosacījumiem reducētā šķēluma smagumcentra līmenī, iedarbojoties pastāvīgām un ilgstošām slodzēm, jābūt spiedošiem un pēc lieluma ne mazāki e m par 0,5 MPa. Šo prasību nodrošina ar iepriekšsaspriegtā šķērsstiegrojuma (aptveru vai atliekto stieņu) palīdzību.
4.6. Dzelzsbetona konstrukciju elementu pārvietojumu aprēķins
347. Dzelzsbetona konstrukciju elementu pārvietojumus (izlieces, pagrieziena leņķus) aprēķina pēc būvmehānikas formulām, nosakot tajās ietilpstošās liekuma vērtības saskaņā ar šo noteikumu 350.–371.punktu.
348. Dzelzsbetona elementu liekuma un pārvietojumu lielumu skaita no to sākumstāvokļa, bet iepriekšējās saspriegšanas gadījumā — no stāvokļa pirms betona saspriegšanas.
349. Pašsaspriegtu elementu sākuma liekumu nosaka, ņemot vērā garenstiegrojuma daudzumu un stāvokli attiecībā pret betona šķēlumu un betona saspriegšanas lielumu.
350. Liekumu nosaka:
350.1. elementa iecirkņiem, kur stieptajā daļā neveidojas elementa garenasij stateniskas plaisas, kā vienlaidus ķermenim;
350.2. elementa iecirkņiem, kur stieptajā daļā ir garenasij stateniskas plaisas, kā betona spiestās zonas malējā slāņa un stieptā garenstiegrojuma vidējo deformāciju starpības attiecību pret elementa šķēluma augstumu.
351. Ja pastāvīgo ilgstošo un īslaicīgo slodžu iedarbībā plaisas nerodas un ja pastāvīgo un ilgstošo slodžu iedarbībā tās ir aizvērtas, elementus vai elementu iecirkņus apskata bez plaisām stieptajā daļā, turklāt aprēķinā slodzes iekļauj ar slodzes drošuma koeficientu gf = 1,0.
4.7. Dzelzsbetona elementu liekuma noteikšana bezplaisu iecirkņos
352. Iecirkņos, kur neveidojas garenasij stateniskas plaisas, liektu, ekscentriski spiestu un ekscentriski stieptu elementu pilnā liekuma lielumu nosaka pēc formulas:
1 1 1 1 1
–– = (––– ) + (–––) – (–––) – (–––) , kur: (155)
r r 1 r 2 r 3 r 4
1 1
(––) , (––) — liekums attiecīgi no īslaicīgo un pastāvīgo un no ilgstošo liet-
r 1 r 2
derīgo slodžu (bez piepūles P ievērošanas) iedarbības, ko nosaka pēc formulām:
1 M
(––) = ––––––––– ;
r 1 jb1EbIred
, kur: (156)
1 Mjb2
(––) = ––––––––– ;
r 2 jb1EbIred
M — atbilstošās ārējās slodzes (īslaicīgas, ilgstošas) moments attiecībā pret asi, kas stateniska lieces momenta darbības plaknei un iet cauri reducētā šķēluma smagumcentram;
jb1 — koeficients, kurā ievērota betona šļūdes ietekme un kuru ņem:
a) smagajam, smalkgraudainajam, vieglbetonam ar blīvu smalku pildvielu, kā arī šūnbetonam (divslāņu iepriekšsaspriegtajām šūnbetona un smagā betona konstrukcijām) — 0,85;
b) vieglbetonam ar porainu smalko pildvielu, porainajam betonam — 0,70;
jb2 — koeficients, kurā ņemta vērā betona ilgstošas šļūdes ietekme uz bezplaisu elementa deformācijām un kuru ņem pēc šo noteikumu 33.tabulas;
1
(––) — liekums, kas saistīts ar elementa izlieci iepriekšējās saspriegšanas
r 3
piepūles P īslaicīgas iedarbības rezultātā un ko nosaka pēc formulas:
1 Peop
(––) = ––––––––– ; (157)
r 3 jb1EbIred
1
(––) — liekums, kas saistīts ar elementa izliekumu no iepriekšējās saspriegšanas
r 4
piepūles radītā betona rukuma un šļūdes, ko nosaka pēc formulas:
1 eb – e'b
(––) = ––––––––– ; kur (158)
r 4 ho
eb, e'e — betona relatīvās deformācijas, kas izveidojušās tā rukuma un iepriekšējās saspriegšanas piepūles radītās šļūdes rezultātā un ko nosaka attiecīgi stieptā garenstiegrojuma un malējā spiestā betona slāņa smagumcentra līmenī pēc formulām:
sb
eb = –––––; (159)
Es
s'b
e'b = –––––;
Es
sb vērtība jāņem skaitliski vienāda betona rukuma un šļūdes radīto iepriekšējā sasprieguma zudumu summai stieptās daļas stiegrojumā pēc šo noteikumu 4.tabulas 6., 8. un 9.pozīcijas, bet s'b — tāpat saspriegtajam stiegrojumam, ja tas būtu novietots vistālākā spiestā bet o na slāņa līmenī.
1 1 Peopjb2
353. Summa (––) + (––) jāņem ne mazāka par –––––––– .
r 3 r 4 jb1EbIred
354. Elementiem bez iepriekšējās saspriegšanas liekuma vērtības un pieļaujams ņemt vienlīdzīgas nullei.
33.tabula
|
Koeficients jb2, kurā ņemta vērā ilgstoša s |
||||
|
betona šļūdes ietekme uz bezplaisu elementa deformācijām |
||||
|
Slodzes iedarbības ilgums |
Smagā, vieglā, porainā | Smalkgraudainā | ||
| un šūnbetona (divslāņu | betona konstrukcijām | |||
| iepriekšsaspriegtām | ||||
| šūnbetona un smagā | ||||
| betona) konstrukcijām | A grupai | B grupai | C grupai | |
|
1. Īslaicīga iedarbība |
1,0 | 1,0 | 1,0 | 1,0 |
|
2. Ilgstoša iedarbība, ja apkārtējās |
||||
|
vides gaisa mitrums: |
||||
|
a) 40–75 % |
2,0 | 2,6 | 3,0 | 2,0 |
|
b) zem 40 % |
3,0 | 3,9 | 4,5 | 3,0 |
Piezīmes.
1. Apkārtējās vides gaisa mitrumu pieņem saskaņā ar šo noteikumu 11.punkta nosacījumiem.
2. Smalkgraudainā betona grupas norādītas šo noteikumu 76.punktā.
3. Ilgstošā slodzes iedarbībā, betonam atrodoties pārmaiņus ūdenspiesātinājumā un izžūšanas apstākļos, jb2 vērtība jāreizina ar ko eficientu 1,2.
4. Ja apkārtējās vides gaisa mitrums ir virs 75 %, betonu noslogojot ūdenspiesātinājuma stāvoklī, šīs tabulas 2.a pozīcijā jb2 vērtības jāreizina ar koeficientu 0,8.
355. Nosakot liekumu elementiem ar sākuma plaisām spiestajā daļā (šo noteikumu 1.18.apakšpunkts), pēc formulām (156) un (157) noteiktās , un vērtības jāpalielina par 15 %, bet pēc formulas (158) noteiktā vērtība — par 25 %. Iecirkņos, kur stieptajā daļā veidojas elementa garenasij stateniskas plaisas, bet apskatāmās slodzes ieda r bībā ir nodrošināta to aizvēršanās, liekumu vērtības , un , kas ietilpst formulā (155), jāpalielina par 20 %.
4.8. Dzelzsbetona elementu liekuma noteikšana iecirkņos
ar plaisām stieptajā daļā
356. Iecirkņos, kur stieptajā daļā veidojas elementa garenasij stateniskas plaisas, liektu, ekscentriski spiestu, kā arī ekscentriski ar eo,tot 0,8ho stieptu taisnstūra, T veida un TT veida (kārbveida) šķēlumu elementu liekumu nosaka pēc formulas:
1 M Ys Yb Ntot Ys
–– = ––– [ –––– + ––––––––––––– ] – ––– x –––, kur: (160)
r hoz EsAs (jf + x) bhoEbn ho EsAs
M — visu apskatāmā šķēluma vienā pusē esošo ārējo spēku un iepriekšējās saspriegšanas piepūles P moments attiecībā pret asi, kas ir stateniska momenta iedarbības plaknei un iet cauri stiegrojuma S šķēluma la ukuma smagumcentram;
z — atstatums no stiegrojuma S šķēluma smagumcentra līdz spiedes piepūļu rezultantes pielikšanas punktam šķēluma spiestajā zonā virs plaisas, kuru nosaka saskaņā ar šo noteikumu 362.punktu;
Ys — koeficients, kurā ņemts vērā stieptā betona darbs iecirknī ar plaisām un kuru nosaka saskaņā ar šo noteikumu 366.punktu;
Yb — koeficients, kurā ņemts vērā visattālākā spiestā betona slāņa deformāciju sadalījuma nevienmērīgums visā plaisu iecirkņa garumā un kuru ņem smagajam, smalkgraudainajam betonam un augstākas par B7,5 klases vieglbetonam — 0,9; B7,5 un zemākas klases vieglajam, porainajam un šūnbetonam — 0,7; konstrukcijām, kurām aprēķina daudzkārtēji atkārtojošās slodzes iedarbību neatkarīgi no betona veida un klases, — 1,0;
j — koeficients, kuru aprēķina pēc formulas (164);
x — betona spiestās daļas relatīvais augstums, kuru nosaka saskaņā ar šo noteikumu 362.punktu;
n — koeficients, kas raksturo spiestās zonas betona elastīgi plastisko stāvokli un kuru ņem pēc šo noteikumu 34.tabulas;
Ntot — garenspēka N un iepriekšējās saspriegšanas piepūles P rezultante (ekscentriskas stiepes gadījumā spēku N pieņem ar mīnusa zīmi).
357. Elementiem, kurus gatavo bez stiegrojuma iepriekšējās saspriegšanas, pieļaujams piepūli P ņemt vienlīdzīgu nullei.
358. Nosakot elementu liekumu iecirkņos ar sākuma plaisām spiestajā zonā, vērtība jāsamazina par lielumu DP, ko nosaka pēc formulas (150).
359. Liektiem un ekscentriski spiestiem smagā betona elementiem, kuriem Mcrc < Mr2 < (Mcrc + ybh2Rbt,ser) momenta Mr2 radīto liekumu var noteikt, lineāri interpolējot starp liekuma vērtībām, kuras noteiktas kā vienlaidu elastīgam ķermenim momentam Mcrc1 saskaņā ar šo noteikumu 352., 354., 355.punktu, un momentam Mcrc + ybh2Rbt,ser saskaņā ar šo punktu. Koeficientu y ņem sask a ņā ar šo noteikumu 324.punktu, divkārt samazinot tā vērtību un ņemot vērā pastāvīgo un ilgstošo slodžu ilgstošu iedarbību.
34.tabula
|
Slodzes |
Koeficients n, ar kuru raksturo spiestās daļas | |||||
|
iedarbības |
betona elastīgi plastisko stāvokli . | |||||
|
ilgums |
smagā, | porainā | smalkgraudainā | šūnbe- | ||
| vieglbetona | betona | betona konstrukcijām | tona | |||
| konstruk- | konstruk- | . | konstruk- | |||
| cijām | cijām | A grupai | B grupai | C grupai | cijām | |
|
1. Īslaicīga iedarbība |
0,45 | 0,45 | 0,45 | 0,45 | 0,45 | 0,45 |
|
2. Ilgstoš a iedarbība, |
||||||
|
ja apkārtējās vides |
||||||
|
gaisa mitrums: |
||||||
|
a) 40–75 % |
0,15 | 0,07 | 0,10 | 0,08 | 0,15 | 0,20 |
|
b) mazāk par 40 % |
0,10 | 0,04 | 0,07 | 0,05 | 0,10 | 0,10 |
Piezīmes.
1. Apkārtējās vides gaisa mitrumu ņem saskaņā ar š o noteikumu 11.punktu.
2. Smalkgraudainā betona veidi norādīti šo noteikumu 76.punktā.
3. Ja pārmaiņus ir spiestās zonas betona ūdenspiesātināšana un izžūšana, — vērtības ilgstošā slodzes iedarbībā jādala ar koeficientu 1,2.
4. Ja apkārtējās vides gaisa mitrums ir vairāk par 75 % un betonu noslogo ūdenspiesātinājuma stāvoklī, šīs tabulas 2.a pozīcijā n vērtības jādala ar koeficientu 0,8.
360. Koeficienta x vērtību aprēķina pēc formulas:
1 1,5 + jf
x = ––––––––––––––––––– ± –––––––––––– ; (161)
1 + 5 (d + l) es,tot
b + –––––––––––– 11,5 ––––– ± 5
10ma ho
bet tā jāņem ne lielāka par 1,0.
361. Formulas (161) labās puses otrā saskaitāmā augšējās zīmes jāņem spiedes, bet apakšējās — stiepes piepūlei Ntot.
362. Formulā (161):
b — koeficients, kuru ņem:
a) smagajam un vieglbetonam — 1,8;
b) smalkgraudainajam betonam — 1,6;
c) šūnbetonam un porainajam betonam — 1,4;
M
d = –––––––––– (162)
bh2oRb,ser
h'f
l = jf + ( 1 – ––––– ) (163)
2ho
a
(b'f – b) h'f + ––– x A's
2n
jf = ––––––––––––––––––– (164)
bho
es, tot — spēka Ntot ekscentricitāte attiecībā pret stiegrojuma S šķēluma laukuma smagumcentru; atbilst momentam M (šo noteikumu 356.punkts), un to nosaka pēc formulas:
M
es,tot = –––– (165)
Ntot
z vērtību aprēķina pēc formulas:
h'f
––– jf + x2
ho
z = h0 [ 1 – –––––––––– ] . (166)
2(jf + x)
363. Ekscentriski spiestiem elementiem z vērtība jāņem ne lielāka par 0,97es,tot.
364. Elementiem ar taisnstūra šķērsgriezumu un T veida šķērsgriezumu ar plauktu stieptajā daļā formulās (163) un (166) h'f vietā jāliek 2a' vērtības, resp., h'f = 0 attiecīgi — ja stiegrojums S' ir vai tā nav.
h'f
365. Šķērsgriezumi, kuriem ir plaukts spiestajā daļā, ja x < ––––, jāaprēķina
ho
kā taisnstūra šķērsgriezumi ar platumu b'f. Plauktu aprēķina platums b'f jānosaka saskaņā ar šo noteikumu 336.punkta nosacījumiem.
366. Koeficientu ys smagā, smalkgraudainā, vieglbetona, kā arī šūnbetona un smagā betona divslāņu iepriekšsaspriegto konstrukciju elementiem nosaka pēc formulas:
1 – j2m
y = 1,25 – jlsjm – ––––––––––––––––– ) (167)
(3,5 – 1,8jm)es,tot / ho
bet tas nedrīkst būt lielāks par 1,0, turklāt jāņem es,tot/ho 1,2/jls.
367. Liektiem elementiem bez iepriekšsaspriegtā stiegrojuma formulas (167) labās puses pēdējo locekli var ņemt vienlīdzīgu nullei.
368. Formulā (167):
jls — koeficients, kurā ievērots slodzes iedarbības ilguma iespaids un kuru ņem pēc šo noteikumu 35.tabulas;
es,tot — formula (165);
Rbt,ser Wpl
jm = –––––––––––– , (168)
| ±Mr ± Mrp |
bet ne lielāks par 1,0; šeit Wpl — formula (138);
Mr, Mrp — 4,5, turklāt kā pozitīvus ņem momentus, kas rada stiepi stiegrojumā S.
369. Šūnbetona vienslāņa konstrukcijām (bez iepriekšējās saspriegšanas) ys vērtību aprēķina pēc formulas:
M
ys = 0,5 + jl x –––– , kur (169)
Mser
Mser — moments, kuru uzņem elementa šķēlums, aprēķinot tā stiprību ar 2.grupas robežstāvokļu stiegru un betona aprēķina pretestībām;
jl — koeficients, ko ņem:
a) īslaicīgā slodzes iedarbībā periodiska profila stiegrām — 0,6, gludām stiegrām — 0,7;
b) ilgstošā slodzes iedarbībā neatkarīgi no stiegru profila — 0,8.
370. K onstrukcijām, kurām aprēķina izturību, koeficients js visos gadījumos jāņem 1,0.
371. Pilno liekumu iecirknī ar plaisām stieptajā daļā nosaka pēc formulas:
= – + –, kur: (170)
— liekums visu slodžu īslaicīgā iedarbībā, kam aprēķina pārvietojumus saskaņā ar šo noteikumu 36.punkta nosacījumiem;
— liekums pastāvīgo un ilgstošo slodžu īslaicīgā iedarbībā;
— liekums pastāvīgo un ilgstošo slodžu ilgstošā iedarbībā;
— liekums, kas saistīts ar elementa izlieci iepriekšējās saspriegšanas piepūles radītā betona rukuma un šļūdes rezultātā un ko ņem saskaņā ar šo noteikumu 454.punkta nosacījumiem.
372. Liekumus, un nosaka pēc formulas (160), turklāt un aprēķina ar ys un n, kas atbilst ilgstošai slodzes iedarbībai. Ja un vērtības izrādās negatīvas, tās ņem vienlīdzīga s nullei.
35.tabula
|
Slodzes iedarbības ilgums |
Koeficients jls, ja betona klase | ||
| augstāka par B7,5 | B7,5 un zemāka | ||
| 1 | 2 | 3 | |
|
1. Īslaicīga iedarbība, ja stiegras: |
|||
|
a) stieņveida: |
|||
|
gludas |
1,0 | 0,7 | |
|
periodiska profila |
1,1 | 0,8 | |
|
b) stiepļ veida |
1,0 | 0,7 | |
|
2. Ilgstoša iedarbība (neatkarīgi no stiegru veida) |
0,8 | 0,6 | |
4.9. Izlieču noteikšana
373. Izliece fm, kas radusies lieces deformāciju dēļ, jānosaka pēc formulas:
l ....... 1
¶m = Ś Mx ( –– ) dx, kur (171)
o r x
Mx — lieces moments šķēlumā x no spēka vieninieka, kas pielikts meklējamā pārvietojuma virzienā šķēlumā x tā laiduma robežās, kuram izliece jānosaka;
— pilns elementa liekums šķēlumā x no tās slodzes, kuras izraisītā izliece tiek aprēķināta; vērtības nosaka pēc formulām (155) un (170) attiecīgi iecirkņiem bez plaisām un ar plaisām; zīmi ņem atbilstoši liekuma epīrai.
374. Nemainīga šķērsgriezuma liektiem elementiem ar plaisām stieptajā daļā bez stiegrojuma iepriekšsaspriegšanas katrā iecirknī, kura robežās lieces moments nemaina zīmi, liekumu pieļaujams aprēķināt visvairāk saspriegtajam šķēlumam, pieņemot, ka pārējos tāda iecirkņa šķēlumos liekums mainās proporcionāli lieces momenta vērtībām (21.zīmējums).
21.zīmējums.
Nemainīga šķērsgriezuma dzelzsbetona
elementu lieces momentu un liekuma epīras;
a — slodžu novietojuma shēma; b — lieces momentu epīra;
c — liekuma epīra
375. Liektiem elementiem, ja < 10, jāņem vērā šķērsspēku ietekme uz to izlieci. Tādā gadījumā pilnā izliece ftot vienlīdzīga lieces deformācijas fm un bīdes deformācijas fq radīto izlieču summai.
376. Izlieci fq, ko radījusi bīdes deformācija, nosaka pēc formulas:
l .......
¶q = Ś Qx gxdx, kur: (172)
— o
Qx — šķērsspēks šķēlumā x, kas rodas, iedarbojoties vienībspēkam, kurš pielikts izlieces noteikšanas šķēlumā meklējamā pārvietojuma virzienā;
gx — bīdes deformācija, ko nosaka pēc formulas:
1,5 Qx jb2
gx = ––––––––– jcrc, kur: (173)
Gbho
Qx — ārējās slodzes iedarbībā radies šķērsspēks šķēlumā x;
G — betona bīdes modulis;
jb2 — koeficients, kurā ievērota betona ilgstošās šļūdes ietekme un kuru ņem pēc šo noteikumu 33.tabulas;
jcrc — koeficients, kurā ievērota plaisu ietekme uz bīdes deformācijām un kuru ņem:
a) elementa garuma posmos, kur nav elementa garenasij statenisku un slīpu plaisu, — 1,0;
b) iecirkņos, kur ir tikai pret elementa garenasi slīpas plaisas, — 4,8;
c) iecirkņos, kur ir tikai elementa garenasij stateniskas vai stateniskas un slīpas plaisas, — pēc formulas:
3 EbIred 1
jcrc = –––––––– (––) , kur: (174)
Mx r x
Mx, — attiecīgi ārējās slodzes moments un pilns liekums, ko šķēlumā x rada attiecīgā slodze.
377. Vienlaidus plātnēm, kuru biezums nav mazāks par 25 cm (izņemot pa kontūru balstītās), ar plakanu sietu stiegrojumu un plaisām stieptajā daļā pēc formulas (171) aprēķinātās izlieču vērtības jāreizina ar koeficientu , kuru ņem ne lielāku par 1,5 (ho — centimetros).
378. Aprēķinot elementus ar vienrindas stiegrojumu (22.zīmējums) pēc galīgo elementu metodes (vai citām matemātiskām metodēm), vienādojuma (160) vietā pieļaujams lietot šāda veida fizikālo sakarību simetrizētu sistēmu:
1
–– = B11M + B12N kur: (175)
r
eo= B12M + B22N;
M = Mact ± Peop; (176)
N = ± Nact – P; (177)
(178)
(179)
(180)
= 2n ; (181)
eo — pagarinājumi vai saīsinājumi y ass virzienā;
Mact — apskatāmā šķēluma vienā pusē esošo ārējo spēku moments attiecībā pret y asi;
Nact — ārējais garenspēks, kas pielikts y ass līmenī un ko stiepē ņem ar "plus" zīmi;
zs, zb — atstatumi no y ass līdz piepūļu rezultantes pielikšanas punktiem attiecīgi stieptajā stiegrojumā un spiestajā betonā;
x — nosaka saskaņā ar šo noteikumu 362.punktu;
n — koeficients, kuru ņem pēc šo noteikumu 34.tabulas;
jf — koeficients, kuru nosaka p ēc formulas (164), neņemot vērā šķēluma spiestās zonas stiegrojumu;
ys — nosaka saskaņā ar šo noteikumu 366.punktu;
yb — nosaka saskaņā ar šo noteikumu 356.punktu.
379. y ass novietojumu šķēluma darba augstuma robežās izvēlas atkarībā no aprēķina shēmas. Ja y asi novieto virs spiestās zonas šķēluma laukuma smagumcentra, tad lielums zb jāņem negatīvs.
380. Formulā (176) otrajam saskaitāmajam jāņem mīnusa zīme, ja piepūle P pielikta zem y ass; ja piepūle P pielikta virs y ass, tad ņem plusa zīmi.
22.zīmējums.
Piepūļu shēma un spriegumu epīra elementa garenasij stateniskā šķēlumā
ar vienrindas stiegrojumu, aprēķinot pārvietojumus
381. Formulā (177) pirmajam saskaitāmajam plusa zīme jāņem stiepes, bet mīnusa zīme — spiedes piepūlei Nact.
23.zīmējums.
Piepūļu shēma un spriegumu epīra elementa garenasij stateniskā šķēlumā ar daudzrindu stiegrojumu, aprēķinot pārvietojumus
382. Aprēķinot elementus ar daudzrindu stiegrojumu (23.zīmējums), ieteicams izmantot šāda veida fizikālo sakarību vispārējo sistēmu:
(182)
(183)
(184)
(185)
i — stieptā garenstiegrojuma stieņa kārtas numurs;
j — tas pats spiestā garenstiegrojumā;
x1 — šķēluma spiestās zonas relatīvais augstuma, kas vienāds ar ;
jf — aprēķina pēc formulas (164), neņemot vērā stiegrojumu S';
zsi, zsj — atstatumi no j stiegroju ma smagumcentra līdz y asij.
383. Formulā (184) zsi, zsj, zb vērtības pieņem pozitīvas, ja tās liek zem y ass. Pretējā gadījumā tās jāņem ar negatīvu zīmi. x1 un ysi vērtības sakarībām (183), (184) un (185) pieļaujams noteikt saskaņā ar šo noteikumu 362. un 366.punktu, aprēķina formulās ho aizstājot ar ho1, As ar (aprēķinot m) jm ar .
5. Konstruktīvās prasības
384. Lai nodrošinātu betona un dzelzsbetona konstrukciju izgatavošanas apstākļus, nepieciešamo ilgizturību un stiegrojuma un betona kopējo darbu, to projektēšanā jāievēro šajā nodaļā izklāstītās konstruktīvās prasības.
5.1. Elementu šķērsgriezumu minimālie izmēri
385. Betona un dzelzsbetona elementu šķērsgriezumu minimālie izmēri, kurus nosaka ar piepūļu iedarbības aprēķiniem atbilstošos robežstāvokļos, jāizvēlas, ievērojot ekonomiskās prasības, nepieciešamību unificēt ieveidņus un stiegrojumu, kā arī pieņemto konstrukciju izgatavošanas tehnoloģijas noteikumus.
386. Elementu konstrukciju šķērsgriezumu izmēri jāņem tādi, lai tiktu ievērotas prasības, kas attiecas uz stiegru izvietojumu šķēlumā (betona aizsargslāņa biezumu, atstatumu starp stiegrām u.tml.) un stiegrojuma enkurošanu.
387. Monolīto plātņu biezums jāņem ne mazāks par:
387.1. jumtu pārsegumiem — 40 mm;
387.2. dzīvojamo un sabiedrisko ēku starpstāvu pārsegumiem — 50 mm;
387.3. ražošanas ēku starpstāvu pārsegumiem — 60 mm;
387.4. B7,5 un zemākas klases vieglbetona plātnēm visos gadījumos — 70 mm.
388. Saliekamo plātņu minimālais biezums jānosaka tā, lai tiktu nodrošināts betona aizsargslāņa vajadzīgais biezums un tiktu ievēroti noteikumi par stiegru izvietojumu plātnes biezumā.
389. Ekscentriski spiestu elementu šķēlumu šķērsgriezumu izmēri jāņem tādi, lai to lokanums lo/i jebkurā virzienā nepārsniegtu:
389.1. smagā, smalkgraudainā un vieglbeton a elementiem — 200;
389.2. dzelzsbetona elementiem un kolonnām, kas ir ēku elementi, — 120;
389.3. smagā, smalkgraudainā, vieglā un porainā betona elementiem — 90;
389.4. nestiegrotā un stiegrotā šūnbetona elementiem — 70.
5.2. Betona aizsargslānis
390. Darba stiegru aizsargslānim jānodrošina stiegru un betona kopīgais darbs visās konstrukcijas darba stadijās, kā arī jāaizsargā stiegrojums no ārējās iedarbības (atmosfēras, temperatūras u.tml.).
391. Darba garenstiegru (nesaspriegto un uz balstiem nos tiepto) aizsargslāņa biezumam vienmēr jābūt ne mazākam par stieņa vai troses diametru un ne mazākam par:
391.1. plātnēs un sienās, kuru biezums:
391.1.1. līdz 100 mm (ieskaitot) — 10 mm;
391.1.2. virs 100 mm — 15 mm;
391.2. sijās un ribās, kuru augstums:
3 91.2.1. mazāks par 250 mm — 15 mm;
391.2.2. 250 mm un vairāk — 20 mm;
391.3. kolonnās — 20 mm;
391.4. pamatu sijās — 30 mm;
391.5. pamatos:
391.5.1. saliekamos — 30 mm;
391.5.2. monolītos ar betona pamatslāni — 35 mm;
391.5.3. monolītos bez betona pamatslāņa — 70 mm.
392. B7,5 un zemākas klases vieglā un porainā betona vienslāņa konstrukcijās aizsargslānim jābūt ne mazākam par 20 mm, bet ārsienu paneļiem (bez faktūras kārtas) — ne mazākam par 25 mm.
393. Šūnbetona vienslāņa konstrukcijās aizsargslāņa biezums visos gadījumos jāņem ne mazāks par 25 mm.
394. Šķērsstiegrām, sadalītājstiegrām un konstruktīvajam stiegrojumam betona aizsargslāņa biezums jāņem ne mazāks par minēto stiegru diametru un ne mazāks par:
394.1. ja elementa šķērsgriezuma augstums ir mazāks par 250 mm, — 10 mm;
394.2. ja elementa šķērsgriezuma augstums ir 250 mm un lielāks, — 15 mm.
395. B7,5 un zemākas klases vieglā un porainā betona elementos un šūnbetona elementos, neatkarīgi no šķērsgriezuma augstuma, betona aizsargslāņa biezums šķērsstiegrām jāņem ne mazāks par 15 mm.
396. Betona aizsargslāņa biezumam iepriekšsaspriegto elementu galos spriegumu pārvades zonas garumā jābūt ne mazākam par:
396.1. A-IV, A-IIIb klases stieņveida stiegrām — 2 d;
396.2. A-V, A-VI, At-VII klases stieņveida stiegrām — 3 d;
396.3. stiegrojuma trosēm — 2 d.
397. Betona aizsargslāņa biezumam minētajā elementa garuma posmā jābūt ne mazākam par 40 mm visu klašu stieņveida stiegrām un ne mazākam par 20 mm stiegrojuma trosēm.
398. Iepriekšsaspriegtajām stiegrām ar enkuriem un bez tiem ir pieļaujams betona aizsargslāni šķēlumā pie balsta ņemt tādu pašu kā laiduma šķēlumā šādos gadījumos:
398.1. iepriekšsaspriegtajiem elementiem ar koncentrētu atbalsta piepūļu pārvadi, ja ir tērauda atbalsta detaļa un netiešais stiegrojums (metināti šķērssieti vai garenstiegrojumu aptverošas aptveres);
398.2. plātnēm, paneļiem, klājiem un EPL balstiem ar noteikumu, ka galos ir ielikts papildu šķērsstiegrojums (silesveida metināti sieti vai noslēgtas aptveres), kas paredzēts šo noteikumu 518.punktā.
399. Elementiem ar saspriegto garenstiegrojumu, kas ievietots kanālos un nostiepts uz betona, attālums no elementa virsmas līdz kanāla virsmai jāņem ne mazāks par 40 mm un ne mazāks par kanāla platumu, turklāt minētajam attālumam līdz elementa sānu skaldnēm jābūt ne mazākam par kanāla augstuma pusi.
400. Ja saspriegtais stiegrojums atrodas gropēs vai ārpus elementa šķēluma, betona aizsargslāņa biezums, ko veido ar sekojošu torkretēšanu vai citu paņēmienu, jāņem ne mazāks par 20 mm.
401. L ai veidnē varētu brīvi ievietot viengabala stiegrojuma stieņus, sietus vai karkasus, kas sniedzas visā izstrādājuma garumā vai platumā, starp šo stieņu galiem un elementa skaldni atstarpe jārēķina atkarībā no izstrādājuma attiecīgā izmēra: līdz 9m — 10 mm , līdz 12m — 15 mm, virs 12m — 20 mm.
402. Dobtiem elementiem ar gredzenveida vai kārbveida šķēlumu attālumam no garenstiegrojuma stieņiem līdz betona iekšējai virsmai jāatbilst šo noteikumu 391. un 394.punkta prasībām.
5.3. Minimālie atstatumi starp stiegrojuma stieņiem
403. Brīvajiem atstatumiem starp stiegrojuma stieņiem (vai kanālu čaulām) šķēluma augstumā un platumā jānodrošina stiegrojuma kopīgs darbs ar betonu un ērta betona maisījuma iestrādāšana un noblīvēšana. Iepriekšsaspriegtajām konstrukcijām jāņem vērā arī betona virsmas saspiešanās pakāpe un saspriegšanas ierīču (domkratu, spaiļu u.tml.) gabarīti. Elementos, ko izgatavo ar vibroštancēšanas mašīnu vai vibroadatu palīdzību, jānodrošina, lai betona maisījumu blīvējošās mašīnas vai vibratoru uzgaļ i varētu brīvi virzīties starp elementu stiegrojuma stieņiem.
404. Brīvie atstatumi starp nesaspriegtā garenstiegrojuma vai uz balstiem nostieptā saspriegtā stiegrojuma atsevišķiem stieņiem, kā arī starp blakus esošo plakano metināto karkasu garenstieņiem jāņem ne mazāki par stieņu vislielāko diametru, kā arī:
404.1. ja stieņi betonējot atrodas horizontālā vai slīpā stāvoklī, — ne mazāk par:
404.1.1. apakšējām stiegrām — 25 mm;
404.1.2. augšējām stiegrām — 30 mm;
404.1.3. ja apakšējais stiegrojums atrodas vairāk nekā divu rindu augstumā, atstatumiem starp stieņiem horizontālā virzienā (izņemot divu apakšējo rindu stieņus) jābūt ne mazākam par 50 mm;
404.2. ja stieņi betonējot atrodas vertikālā stāvoklī, — ne mazāk par 50 mm. Ja betona pildvielu frakcionēšanu sistemātiski kontrolē, šo atstatumu var samazināt līdz 35 mm, bet tad tam jābūt ne mazākam par pusotrkārtīgu rupjās pildvielas vislielāko izmēru.
405. Šauros apstākļos pieļaujams stiegrojuma stieņus novietot pāros (bez spraugas starp tiem).
406. Elementos ar saspriegto stiegrojumu, kuru nostiepj uz betona (izņemot konstrukcijas ar nepārtraukto stiegrojumu), brīvajam atstatumam starp stiegrojuma kanāliem vienmēr jābūt ne mazākam par 50 mm. Brīvo atstatumu starp periodiska profila stieņiem ņem pēc nominālā d i ametra, neņemot vērā izciļņus un ribas.
5.4. Nesaspriegtā stiegrojuma enkurojums
407. Periodiskā profila stieņus, kā arī gludos stieņus, ko lieto metinātos karkasos un sietos, izgatavo bez āķiem (kāšiem). Sieto karkasu un sietu stiepto gludo stieņu galos jābūt āķiem, ķepiņām vai cilpām.
408. Stieptā vai spiestā stiegrojuma garenstieņiem jāturpinās aiz elementa garenasij stateniskā šķēluma, kurā tos ņem vērā ar pilnu aprēķina pretestību, attālumā, kas nav mazāks par lan, ko aprēķina pēc formulas:
Rs
lan = ( wan––– + Dlan ) d (186)
Rb
un kas nedrīkst būt mazāks par lan = land, kur wan, Dlan un lan vērtības, kā arī lan pieļaujamos minimālos lielumus nosaka pēc šo noteikumu 36.tabulas. Turklāt gludajiem stiegrojuma stieņiem jābeidzas ar āķiem vai ar piemetinātām šķērsstiegrām visā enkurojuma garumā. Lielumam Rb ir pieļaujams lietot betona darba apstākļu koeficientus, izņemot gb2.
409. B grupas smalkgraudainā betona elementiem pēc formulas (186) noteiktās lan vērtības jāpalielina par 10 d stieptajam betonam un par 5 d — spiestajam betonam.
410. Gadījumā, kad enkurojamie stieņi izvietoti ar šķērsgriezuma laukuma rezervi, salīdzinot ar nepieciešamo pēc stiprības aprēķina ar pilnu aprēķina pretestību, pēc formulas (186) aprēķināto enkurojuma garumu lan pieļaujams samazināt, reizinot ar to attiecību starp aprēķinā nepieciešamā un faktiskā stiegrojuma šķērsgriezuma laukumiem.
411. Ja pēc aprēķina betona stiepe gar enkurojamiem stieņiem rada plaisas, tad stieņi jānoenkuro betona spiestajā daļā garumā lan, ko nosaka pēc formulas (186). Ja nav iespējams izpildīt minētās prasības, jāveic pasākumi garenstieņu enkurošanai, lai nodrošinātu to darbu ar pilnu aprēķina pretestību apskatāmajā šķēlumā (netiešā stiegrojuma ielikšana, enkurplākšņu vai ieliekamo detaļu piemetināšana sti e ņu galiem, enkurojošo stieņu atliekšana), turklāt lielumam lan jābūt ne mazākam par 10 d.
412. Stieptajā vai spiestajā betonā iestrādāto ieliekamo detaļu enkurstieņu garums, ja >0,75 vai < 0,25, jānosaka pēc formulas (186), lietojot wan, Dlan, lan vērtības pēc šo noteikumu 36.tabulas 1.b pozīcijas. Šeit sbc — betona spiedes spriegumi, kuri darbojas perpendikulāri enkurstienim un kurus nosaka kā elastīga materiāla reducētam šķēlumam no pastāvīgas darbības slodzēm ar drošuma koeficientu gf = 1,0.
413. Ja uz ieliekamās detaļas enkurstieņiem iedarbojas stiepes vai bīdes piepūles, formulas (186) labā puse jāreizina ar koeficientu d, kuru nosaka pēc formulas:
0,3
d = –––––––––––– + 0,7 , kur: (187)
1 + Qan1 / Nan1
Nan1, Qan1 — attiecīgi stiepes un bīdes piepūles enkurstienī.
Turklāt enkurstieņu garumam jābūt ne mazākam par lan minimālajām vērtībām saskaņā ar šī punkta prasībām.
414. A-I klases gludās stiegras par enkurstieņiem var lietot tikai tad, ja to galos ir pastiprinājumi plāksnīšu, uzsēdinātu uzgaļu vai šķērsstienīšu veidā. Šo enkurstieņu garumu nosaka ar betona nošķelšanas un lokālās saspiešanas aprēķinu.
415. Konstruktīvām detaļām pieļaujams lietot A-I klases tērauda enkurstieņus ar āķiem galos.
416. Lai nodrošinātu visu aiz balsta skaldnes turpināto stiegrojuma garenstieņu enkurojumu liektu elementu malējos brīvajos balstos, tam jāatbilst šādām prasībām:
416.1. ja tiek ievēroti šo noteikumu 236.punkta nosacījumi, stiepto stieņu turpinājuma garumam aiz brīvā balsta iekšējās skaldnes jābūt ne mazākam par 5d;
416.2. ja netiek ievēroti šo noteikumu 236.punkta nosacījumi, stieņu turpinājuma garumam aiz brīvā balsta iekšējās skaldnes jābūt ne mazākam par 10 d.
417. Enkurojuma zonas garumu lan uz malējā brīvā balsta, uz kura samazinās stiegrojuma aprēķina pretestības, nosaka saskaņā ar šo noteikumu 408.punktu un 36.tabulas 1.b pozīciju.
418. Ja ir netiešais stiegrojums, enkurojuma daļas garumu samazina, dalot koeficientu wan ar lielumu 1+12mn un samazinot koeficientu Dlan par lielumu 10sb/Rb.
Šeit mn — stiegrojuma tilpuma koeficients, kuru nosaka:
418.1. metinātiem sietiem — pēc formulas (49);
418.2. apliektām aptverēm — pēc formulas , kur:
Asw — pie elementa skaldnēm esošās apliektās aptveres šķērsgriezuma laukums.
419. Jebkurā gadījumā mn vērtību pieņem ne lielāku par 0,06.
420. Betona spiedes spriegumu uz balsta sb nosaka, balstreakciju dalot ar elementa atbalsta laukumu, un ņem ne lielāku par 0,5 Rb.
421. Netiešo stiegrojumu sadala vienmērīgi visā enkurojuma daļas garumā no elementa gala līdz balstam vistuvāk stateniskajai plaisai.
422. Stieņu turpinājuma garums aiz balsta iekšējās skaldnes samazinās, salīdzinot ar šajā punktā prasīto, ja lielums lan < 10 d, un to ņem lan, bet ne mazāku par 5d. Šajā gadījumā, kā arī ja stieņa galus piemetina pie droši noenkurotām ieliektām tērauda detaļām, garenstiegrojuma aprēķina pretestību balsta iecirknī nesamazina.
5.5. Elementu garenstiegrojums
423. Garenstiegru šķērsgriezuma laukums dzelzsbetona elementos jāņem ne mazāks par šo noteikumu 37.tabulā norādīto liel umu.
424. Elementos ar garenstiegrojumu, kas vienmērīgi izvietots pa šķēluma kontūru, kā arī centriski stieptos elementos visa garenstiegrojuma minimālais šķērsgriezuma laukums jāņem divreiz lielāks nekā šo noteikumu 37.tabulā norādītie lielumi.
425. Stieg rojuma S un S’ daudzuma minimālais procents ekscentriski spiestos elementos, kuru nestspēja ar aprēķina ekscentricitāti tiek izmantota mazāk nekā 50%, neatkarīgi no elementu salaiduma jāņem 0,05.
37.tabula
|
Stiegrojuma darba apstākļi |
Garenstiegrojuma minimālais šķērsgriezuma |
| laukums dzelzsbetona elementos, | |
| % no betona šķērsgriezuma laukuma | |
|
1. Stiegrojums S liektos un ekscentriski |
|
|
stieptos elementos, ja garenspēks atrodas |
|
|
aiz šķēluma darba augstuma robežām |
0,05 |
|
2. Stiegrojums S un S’ ekscentriski |
|
|
stieptos elemen-tos, ja garenspēks atrodas |
|
|
starp stiegrojumu S un S’ |
0,05 |
|
3. Stiegrojums S un S’ ekscentriski |
|
|
spiestos elementos, ja: |
|
|
lo/i < 17 |
0,05 |
|
17 £ lo/i £ 35 |
0,10 |
|
35 < lo/i £ 83 |
0,20 |
|
lo/i > 83 |
0,25 |
|
|
Piezīme.
Šajā tabulā minētais stiegrojuma šķērsgriezuma minimālais laukums attiecas uz betona šķērsgriezuma laukumu, kas vienāds taisnstūra šķērsgriezuma platuma reizinājumam ar šķērsgriezuma darba augstumu ho. Elementos ar garenstiegrojumu, kas vienmērīgi izvietots pa šķērsgriezuma kontūru, kā arī centriski stieptos elementos minētā minimālā stiegrojuma vērtība attiecas uz pilnu betona šķērsgriezuma laukumu.
426. Šo noteikumu 37.tabulas nosacījumi neattiecas uz stiegrojumu, ko nosaka, aprēķinot elementu transportēšanas un celšanas stadijās. Šajā gadījumā stiegru šķērsgriezuma laukumu nosaka tikai ar stiprības aprēķinu. Ja ar aprēķinu konstatēts, ka elementa nestspējas robeža būs sasniegta vienlaikus ar plaisu rašanos stieptās daļas betonā, t ad jāievēro šo noteikumu 35.punkta nosacījumi mazstiegrotiem elementiem. Šī punkta nosacījumi nav jāņem vērā, nosakot pa kontūru izvietojamā stiegrojuma šķērsgriezuma laukumu plātnēm vai paneļiem, aprēķinot lieci plātnes (paneļa) plaknē.
427. Spiesto eleme ntu garenstieņu diametrs nedrīkst pārsniegt:
427.1. B25 klases smagajam un smalkgraudainajam betonam — 40 mm;
427.2. vieglajam un porainajam betonam:
427.2.1. B12,5 un zemākas klases betonam — 16 mm;
427.2.2. B15 — B25 klases betonam — 25 mm;
427.2.3. B30 un augstākas klases betonam — 40 mm;
427.3. šūnbetonam:
427.3.1. B10 un zemākas klases betonam — 16 mm;
427.3.2. B12,5 — B15 klases betonam — 20 mm.
428. Augstāku klašu stiegrojuma stieņu robeždiametri jāsaskaņo noteiktā kārtībā.
429. B10 un zemākas klases šūnbetona liektajos elementos garenstiegrojuma diametram jābūt ne lielākam par 16 mm.
430. Monolīto konstrukciju ekscentriski spiesto elementu garenstieņu diametram jābūt ne mazākam par 12 mm.
431. Lineāros ekscentriski spiestos elementos atstatumi starp garenstiegrojuma stieņu asīm jāņem lieces plaknei perpendikulārā virzienā ne lielāki par 400 mm, bet lieces plaknes virzienā — ne lielāki par 500 mm.
432. Ekscentriski spiestos elementos, kuru nestspēja pie dotā garenspēka ekscentricitātes tiek izmantota mazāk nekā 50%, kā arī elementos ar lokanību lo/i<17 (piemēram, kolonnu virspamatu daļās), kur saskaņā ar aprēķinu spiests stiegrojums nav vajadzīgs, bet stieptā stiegrojuma dauzums nepārsniedz 0,3%, lieces plaknei paralēlās skaldnēs ir pieļaujams nelieto t garenstiegrojumu un šķērsstiegrojumu, kurš būtu vajadzīgs saskaņā ar šo noteikumu 431.punkta, 439. — 449.punkta nosacījumiem. Turklāt lieces plaknei perpendikulāras skaldnes stiegro ar metinātiem karkasiem un sietiem ar betona aizsargkārtas biezumu, kas n av mazāks par 50 mm un nav mazāks par diviem garenstiegru diametriem.
433. Sijām, kas platākas par 150 mm, aiz balsta skaldnes ievadāmo darba garenstiegru skaitam jābūt ne mazākam par divām. Saliekamo paneļu klāju, bieži ribotu pārsegumu u.tml. ribās ar platumu līdz 150 mm (ieskaitot) pieļaujams novadīt līdz balstam vienu darba garenstiegru.
434. Plātnēs atstatums starp stiegrām, kuras turpina aiz balsta skaldnes, nedrīkst pārsniegt 400 mm, turklāt šo stiegru šķērsgriezuma laukumam uz plātnes platuma 1 m jābūt ne mazākam kā 1/3 stiegru šķērsgriezuma laukuma laidumā, kuru aprēķina pēc vislielākā lieces momenta.
435. Iepriekšsaspriegtās daudzdobumu (ar apaļiem dobumiem) plātnēs, ko izgatavo no smagā betona, ar augstumu līdz 300 mm ieskaitot, atstatumu starp saspriegto stiegrojumu, ko ievada aiz balsta skaldnes, pieļaujams palielināt līdz 600 mm, ja plātnes garenasij stateniskiem šķēlumiem plaisu rašanās momenta Mcrc lielums, ko nosaka pēc formulas (125), ir ne mazāks kā 80% no ārējās slodzes momenta lieluma, k o aprēķina ar slodzes drošuma koeficientu gf = 1,0.
436. Stiegrojot nepārtrauktas daudzlaidumu plātnes ar metinātiem ruļļveida sietiem, pieļaujams starpbalstu tuvumā visas apakšējās stiegras pārvietot uz augšējo daļu.
437. Atstatumiem starp darba stiegru as īm plātnes laiduma vidējā daļā un virs balsta (augšā) jābūt ne lielākiem par 200 mm, ja plātnes biezums ir līdz 150 mm, un ne vairāk kā 1,5 h, ja plātnes biezums ir lielāks par 150 mm, kur h — plātnes biezums.
438. Elementos, kuru šķērsgriezuma augstums ir lielāks par 700 mm, pie sānu skaldnēm jāliek konstruktīvi garenstieņi ar atstatumiem starp tiem ne lielākiem par 400 mm un šķērsgriezuma laukumu ne mazāku par 0,1% no betona šķērsgriezuma laukuma daļas, kuras augstums vienāds atstatumam starp šiem stieņi e m, bet platums — pusei no elementa ribas platuma, bet ne vairāk par 200 mm.
5.6. Elementu šķērsstiegrojums
439. Pie visām dzelzsbetona elementu virsmām, kuru tuvumā tiek liktas garenstiegras, jāparedz arī šķērsstiegrojums, kurš aptver malējos garenstieņus, turklāt atstatumiem starp šķērsstiegrām pie katras elementa virsmas jābūt ne lielākiem par 600 mm un ne lielākiem par elementa skaldnes divkāršu platumu.
440. Ekscentriski spiestos elementos ar centriski novietotu saspriegto garenstiegrojumu (piemēram, pāļos) šķērsstiegrojums nav vajadzīgs, ja šķērsspēku iedarbībai pretestību nodrošina tikai betons.
441. Šķērsstiegrojumu var nelikt pie liektu elementu šauro ribu skaldnēm, kuru platums ir līdz 150 mm ieskaitot, un kuru platumā atrodas tikai viens garenstienis vai metināts karkass.
442. Ekscentriski spiestos lineāros elementos, kā arī liektu elementu spiestajā daļā, ja ir aprēķinā vērā ņemams spiestais garenstiegrojums, aptveres jāliek šādos atstatumos:
442.1. smagā, smalkgraudainā, vieglā un porainā betona konstrukcijās:
442.1.1. ja Rsc £ 400 MPa — ne vairāk par 500 mm un ne vairāk kā:
a) sietiem karkasiem — 15 d,
b) metinātiem karkasiem — 20 d;
442.1.2. ja Rsc 450 MPa ne vairāk par 400 mm un ne vairāk kā:
a) sietiem karkasiem — 12 d,
b) metinā tiem karkasiem — 15 d;
442.2. šūnbetona konstrukcijās ar karkasiem — ne vairāk par 500 mm un ne vairāk kā 40 d (kur d — spiesto garenstieņu vismazākais diametrs (mm).
443. Šķērsstiegrojuma konstrukcijai jānodrošina spiesto stieņu nostiprinājums pret to izliekšanos uz sāniem jebkurā virzienā.
444. Atstatumiem starp aptverēm ekscentriski spiestos elementos darba stiegru savienojuma vietās ar pārlaidumu bez metināšanas jābūt ne lielākiem par 10 d.
445. Ja pēc aprēķina nepieciešamais spiestais garenstiegrojums S' ir vairāk nekā 1,5%, kā arī ja viss elementa šķēlums ir spiests un kopējais stiegrojumu S un S' saturs ir virs 3%, atstatumam starp aptverēm jābūt ne lielākam par 10 d un ne lielākam par 300 mm.
446. Spiestie garenstieņi, kurus aprēķinos neņem vērā, pārbaudot 439.445.punktā šo noteikumu punkta minēto nosacījumu izpildi, arī nav jāievēro, ja šo stieņu diametrs nepārsniedz 12 mm un betona aizsargslāņa biezuma pusi.
447. Ekscentriski spiestos elementos sieto aptveru konstrukcijai jābūt tādai, lai garenstieņi (vismaz katrs otrais) atrastos aptveru liekuma vietās, bet šie liekumi elementa skaldnes platumā būtu ne tālāk par 400 mm. Ja skaldnes platums nav lielāks par 400 mm un garenstiegru skaits pie šīs skaldnes ir ne vairāk kā četras, pieļaujama visu garenst i eņu ieviešana vienā aptverē.
448. Ekscentriski spiestos elementos, stiegrojot ar plakaniem metinātiem karkasiem, diviem malējiem karkasiem, kas novietoti pie pretējām skaldnēm, jābūt savienotiem vienam ar otru telpiskā karkasā. Tādēļ pie elementa skaldnēm, kas ir stateniskas karkasu plaknei, jāliek šķērsstiegras, kuras ar kontaktmetināšanu piemetina pie karkasu stūra garenstieņiem, vai citi saiststieņi tādos pašos attālumos kā šķērsstiegras plakanos karkasos.
449. Ja malējiem plakaniem karkasiem ir garenstarpstieņi, tad vismaz katram otrajam no tiem un vismaz ik pa 400 mm elementa skaldnes platumā jābūt saistītiem ar pretējās skaldnes garenstieņiem. Saiststieņus var nelikt, ja elementa attiecīgās skaldnes platums nav lielāks par 500 mm un ja garenstiegru sk a its pie šīs skaldnes nav lielāks par četrām.
450. Ekscentriski spiestos elementos ar aprēķinā vērā ņemamu netiešo metinātu sietveida stiegrojumu (no A-I, A-II un A-III klases stieņiem ar diametru līdz 14 mm (ieskaitot) un Bp-I klases stieplēm) vai nesaspriegtām spirālveida vai gredzenveida stiegrām jāņem:
450.1. sieta acu izmēri — ne mazāki par 45 mm un ne lielāki par 100 mm;
450.2. spirāļu uztīšanas diametrs vai gredzenu diametrs — ne mazāks par 200 mm;
450.3. sietu solis — ne mazāks par 60 mm, bet ne lielāks par elementa šķērsgriezuma īsākās malas 1/3 un ne lielāks par 150 mm;
450.4. spirāļu uztīšanas solis un gredzenu solis — ne mazāks par 40 mm, bet ne lielāks par elementa šķērsgriezuma diametra 1/5 un ne lielāks par 100 mm.
451. Sietiem un spirālēm (gredzeniem) jāaptver visas darba garenstiegras.
452. Pastiprinot ekscentriski spiestu elementu gala iecirkņus, pie gala jāliek ne mazāk kā četri netiešā stiegrojuma metinātie sieti un ne mazāk kā 20 d garā posmā (skaitot no elementa gala), ja garenstiegrojums ir veidots no gludiem stieņiem, un ne mazāk kā 10 d garā posmā, ja tas veidots no periodiska profila stieņiem.
453. Ekscentriski spiestu lineāru elementu sieto karkasu aptveru diametrs jāņem ne mazāks par 0,25 d un ne mazāks par 5 mm, kur d — garenstiegru vislielākais diametrs.
454. Liektu elementu sieto karkasu aptveru diametrs jāņem ne mazāks par:
454.1. 5 mm, ja elementa šķērsgriezuma augstums ir 800 mm vai mazāks;
454.2. 8 mm, ja elementa šķērsgriezuma augstums ir lielāks par 800 mm.
455. Metinātos karkasos un metinātos sietos šķērsstiegru un garenstiegru diametru attiecību nosaka saskaņā ar metināšanas noteikumiem.
456. Siju konstrukcijās, kuru augstums ir lielāks par 150 mm, kā arī daudzdobumu plātnēs (vai analogās brīvi ribotās konstrukcijās), kuru augstums ir lielāks par 300 mm, jāliek šķērsstiegrojums.
457. Vienlaidu plātnēs neatkarīgi no to augstuma, daudzdobumu plātnēs (vai analogās blīvi ribotās konstrukcijās), kuru augstums ir mazāks par 300 mm, un siju konstrukcijās, kuru augstums ir mazāks par 150 mm, pieļaujams šķērsstiegrojumu nelikt. Aprēķina prasībām jāatbilst šo noteikumu 236., 237. un 238.punkta nosacījumiem.
458. Šo noteikumu 456.punktā minētajās siju un plātņu konstrukcijās šķērsstiegrojumam jābūt:
458.1. balsta iecirkņos, kas vienmērīgi izkliedētas slodzes gadījumā ir 1/4 no laiduma, bet koncentrētas slodzes — atstatums no balsta līdz tuvākajai slodzei, bet ne mazāk kā 1/4 no laiduma ar soli:
458.1.1. ja elementa šķērsgriezuma augstums h £ 450 mm, — ne lielāku par h/2 un ne lielāku par 150 mm;
458.1.2. ja elementa šķērsgriezuma augstums h > 450 mm, — ne lielāku par h/3 un ne lielāku par 500 mm;
458.2. pārējā laiduma daļā, ja elementa šķērsgriezuma augstums h ir lielāks par 300 mm, jābūt šķērsstiegrojumam ar soli, kas nav lielāks par 3/4 h un nav lielāks par 500 mm.
459. Šķērsstiegrojumam, kas paredzēts šķērsspēku uzņemšanai, jābūt ar drošu garenstiegru galos piemetinātu vai visu garenstiegrojumu aptverošu enkurojumu, kas nodrošina savienojumiem un aptverēm vienādu stiprību.
460 . Caurspiešanas zonā plātnēs šķērsstiegrojumu liek ar soli, kas nav lielāks par 1/3 h un nav lielāks par 200 mm, bez tam šķērsstiegrojuma ievietošanas zonas platumam jābūt ne mazākam par 1,5 h, kur h — plātnes biezums. Minētā stiegrojuma enkurojumam jāatb i lst šo noteikumu 459.punkta nosacījumiem.
461. Kolonnu īsām konsolēm šķērsstiegrojumu ierīko ar horizontālām vai 45° slīpām aptverēm. Aptveru solim jābūt ne lielākam par 1/4 un ne lielākam par 150 mm, kur h — konsoles augstums.
462. Elementos, uz kuriem ie darbojas liece ar vērpi, sietajām aptverēm jābūt noslēgtām ar drošu enkurojumu galos, bet metinātos karkasos visiem šķērsstieņiem abos virzienos jābūt piemetinātiem pie stūru garenstieņiem, tādējādi veidojot noslēgtu kontūru, turklāt jābūt nodrošinātai vi e nādai savienojumu un aptveru stiprībai.
5.7. Stiegru un ieliekamo detaļu metinātie savienojumi
463. Izgatavojot karstvelmētā gludā un periodiska profila tērauda At-IIIC un At-IVC klases termiski nostiprināta tērauda un parastās stiegrojuma stieples stiegrojumu, kā arī ieliekamās detaļas, stieņu savienošanai savā starpā vai ar plakaniem velmējumu elementiem jālieto kontaktmetināšana — punktmetināšana vai sadurmetināšana. Pieļaujams lietot loka metināšanu — automātisko, pusautomātisko vai rokas — saskaņā ar š o noteikumu 472.punkta nosacījumiem.
464. Ar vilkšanu nostiprinātu A-IIIB klases stiegru sadursavienojumi jāsametina pirms šo stiegru vilkšanas.
465. A-IV (20XU2W markas tērauda), A-V un A-VI klases karstvelmētu stieņveida stiegru, At-IIIC, At-IVC, At-VK (10UC2 un 08 U2C markas tērauda), At-V (20UC markas tērauda) un At-VCK klases termiski stiprināto stiegru metinātiem savienojumiem jālieto tikai GOST 14098-85 noteiktie tipi.
466. A-IV klases (80C markas tērauda) karstvelmētām stieņveida stiegrām un At-IV, At-IVK (25C2P markas tērauda), AtT-V karstvelmētām (izņemot 20UC markas tērauda) At-VK, At-VI, At-IVk un At-VII klases termomehāniski stiprinātām stiegrām, augstizturīgām stiegrojuma stieplēm un stiegrojuma trosēm metinātie savienojumi nav pieļaujami.
467. Stiegru un ieliekamo detaļu metināto savienojumu tipi un metināšanas paņēmieni jāparedz, ņemot vērā konstrukcijas ekspluatācijas apstākļus, tērauda metināmību, savienojumu tehniskos un ekonomiskos rādītājus un izgatavotājrūpnīcas tehnoloģiskās iespējas a tbilstoši GOST 14098-85.
468. Ar punktkontaktmetināšanu vai loka pieķermetināšanu izgatavojamos krustveida savienojumus, kuriem jānodrošina, lai sietu un karkasu stiegras uzņemtu spriegumus, kas nav mazāki par to aprēķina pretestībām (savienojumus "ar normēto stiprību"), nepieciešams uzrādīt stiegrojuma izstrādājumu darba zīmējumos.
469. Metinātos krustveida savienojumus ar nenormējamu stiprību lieto, lai nodrošinātu stieņveida stiegrojuma izstrādājumu savstarpējā novietojuma stabilitāti to transportēšanas, konstrukcijas, betonēšanas un izgatavošanas procesā.
470. Rūpnieciskās ražošanas apstākļos, izgatavojot stiegru sietus, karkasus un savienojumus atsevišķu stieņu garumā, galvenokārt jālieto metināšana un sadurmetināšana, bet, izgatavojot ieliekamās detaļas, — automātiskā metināšana zem kušņiem T veida savienojumiem un reljefā kontaktmetināšana savienojumiem ar pārlaidumu.
471. Montējot stiegrojuma izstrādājumus un saliekamās dzelzsbetona konstrukcijas, pirmām kārtām jālieto pusautomātiskie metināšanas paņēmieni, kas nodrošina savienojumu kvalitātes kontroles iespēju.
472. Ja izgatavotājrūpnīcā vai montāžas apstākļos nav nepieciešamās metināšanas iekārtas, ir pieļaujami stiegru un ieliekamo detaļu krustveida, sadurveida pārlaiduma un T veida metinātie savienojumi, lietojot normatīvajos aktos noteiktos stiegrojuma un ieliekamo detaļu loka metināšanas paņēmienus, to skaitā manuālos (resp., rokas) metināšanas paņēmienus. Nav pieļaujams lietot loka metināšanu, "pieķerot" A-III klases 35UC markas darba stiegrojumu krustveida savienojumos.
473. Lietojot manuālo loka metināšanu stiegrojuma sietu un karkasu savienojumiem, kuri aprēķināmi uz stiprību, garenvirziena un šķērsvirziena savienojuma vietās ir nepieciešami papildu konstruktīvie elementi (starplikas, savienotājplāksnītes, āķi utt.).
5.8. Nesaspriegtā stiegrojuma savienojumi ar pārlaidumu
(bez metināšanas)
474. Nesaspriegto darba stiegru savienojumus ar pārlaidumu lieto metināto un sieto karkasu un sietu salaidumiem, turklāt darba stiegru diametram jābūt ne lielākam par 36 mm.
475. Darba stiegru savienojumus ar pārlaidumu nav ieteicams novietot liekto un ekscentriski stiepto elementu stieptās daļas stiegrojuma pilnīgas izmantošanas vietās. Šādi savienojumi nav pieļaujami lineāros elementos, kuriem viss šķēlums ir stiepts (piemēram, arku savilcēs), kā arī visos A-IV un augstākas klases stieņveida stiegru lietošanas gadījumos.
476. Stiepto un spiesto darba stiegru, kā arī metinātu sietu un karkasu savienojumos darba virzienā pārlaiduma garumam l jābūt ne mazākam par lielumu lan, ko nosaka pēc formulas (186) un šo noteikumu 36.tabulas.
477. Metināto sietu un karkasu, kā arī sieto karkasu un sietu stiepto stieņu savienojumiem ar pārlaidumiem bez metināšanas jābūt izklaidus. Turklāt vienā vietā vai atstatumā, kas mazāks par pārlaiduma lan garumu, savienojamo darba stieņu šķērsgriezuma laukumam periodiska profila stieņiem jābūt ne lielākam par 50% no stieptā stiegrojuma kopējā šķērsgriezuma laukuma, un gludiem stieņiem — ne lielākam par 25%.
478. Atsevišķu stieņu, metinātu sietu un karkasu savienojumi vienā šķēlumā pieļaujami konstruktīvam stiegrojumam (bez aprēķina), kā arī tajos iecirkņos, kuros stiegrojumu izmanto ne vairāk kā par 50%.
479. Metinātu sietu saduras A-I klases gludo karstvelmētā tērauda darba stiegru virzienā jāizveido tā, lai katram stieptajā daļā savienojamam sietam pārlaiduma garumā būtu ne mazāk kā divi šķērsstieņi, kas piemetināti pie visiem sieta garenstieņiem (24.zīmējums). Tādus pašus savienojumu tipus lieto, arī savienojot ar pārlaidumu metinātus k arkasus, kuros visu stiegrojuma veidu darba stieņi novietoti vienā pusē.
24.zīmējums.
Metinātu sietu savienojumi ar pārlaidumu (bez metināšanas)
gludu darba stiegru virzienā; a — šķērsstieņi novietoti vienā plaknē;
b, c — šķērsstieņi novietoti dažādās plaknēs
480. Metināto sietu savienojumus A-II un A-III klases darba stiegru virzienā izveido bez šķērsstieņiem savienojuma robežās vienā vai abos savienojamos sietos (25.zīmējums).
25.zīmējums.
Metinātu sietu savienojumi ar pārlaidumu (bez metināšanas)
periodiska profila stieņu darba stiegru virzienā; a — bez šķērsstieņiem
savienojuma robežās vienā no savienojamiem sietiem; b — bez šķērsstieņiem savienojuma robežās, abos savienojamos sietos
481. Metināto sietu savienojumus, kas nav darba virzienā, izveido ar pārlaidumu (skaitot starp sieta malējām darba stiegrām):
481.1. ja sadalītājstiegru (šķērsstiegru) diametrs ir līdz 4 mm, — par 50 mm (26.a, b zīmējums);
481.2. ja sadalītājstiegru (šķērsstiegru) diametrs ir virs 4 mm, — par 100 mm (26.a, b zīmējums).
482. Ja darba stiegru di ametrs d 16 mm metinātos sietos virzienā, kas nav konstrukcijas tiešais darba virziens, pieļaujams ievietot cieši vienu pie otra, pārsedzot saduru ar speciāliem saduru sietiem, kurus uz katru pusi liek ar pārlaidumu, kas ir ne mazāks par sadalītājstiegr o juma 15 d un vismaz 100 mm (26.c zīmējums).
483. Metinātos sietus 482.punktā minētajā virzienā pieļaujams likt sadurā bez pārlaiduma un bez papildu saduras sietiem šādos gadījumos:
483.1. ja metināto sietu sloksnes sietus liek divos savstarpēji perpendikulāros virzienos;
483.2. ja saduru vietās ir papildu konstruktīvais stiegrojums sadalītājstiegru virzienā.
26.zīmējums.
Metināto sietu savienojumi sadalītājstiegru virzienā; a — savienojums
ar pārlaidumu un darba stiegru novietojumu vienā plaknē; b — savienojums ar pārlaidumu un ar darba stiegru novietojumu dažādās plaknēs;
c — sadura ar papildu saduras sietu uzlikšanu
5.9. Saliekamo konstrukciju elementu savienojumi
484. Savienojot saliekamo konstrukciju elementus, piepūles no viena elementa otram tiek nodotas pa savienojamu darba stiegrojumu, tērauda ieliekamām detaļām, betonpildījuma šuvēm, betona pretbīdņiem vai tieši pa savienojamo elementu betona virsmām (spiestiem elementiem).
485. Iepriekšsaspriegto elementu, kā arī ūdensnecaurlaidīgo konstrukciju savienošanai vienmēr jācenšas izmantot spriegojošā cementa betonu.
486. Saliekamo konstrukciju stingajiem savienojumiem jābūt monolizētiem, ko panāk, aizpildot šuves starp elementiem ar betonu. Ja, izgatavojot elementus, tiek nodrošināta virsmu blīva savstarpēja pielāgošana (piemēram, izmantojot viena savienojamā elementa galu kā veidni otra galam) un ja pa saduru tiek nodotas tikai spiedes piepūles, ir pieļaujams saduru realizēt sausā veidā.
487. Elementu savienojumi, kas uzņem stiepes piepūles, jāizpilda:
487.1. sametinot tērauda ieliekamās detaļas;
487.2. sametinot stiegru brīvos galus;
487.3. izlaižot caur savienojamo elementu kanāliem vai rievām stiegrojuma trosu stieņus vai skrūves, pēc tam tās nostiepjot uz šuves un kanālus piepildot ar cementa javu vai smalkgraudainu betonu;
487.4. salīmējot elementus ar konstruktīvajām polimērjavām, izmantojot stieņveida stiegrojuma savienotājdetaļas.
488. Projektējot saliekamo konstrukciju elementu savienojumus, jāparedz tādi ieliekamo detaļu savienojumi, kas nepieļautu to daļu atliekšanos, kā arī betona izrāvumu rašanos.
489. Ieliekamām detaļām jābūt betonā noenkurotām ar enkurstieņu palīdzību vai piemetinātām pie elementu darba stiegrām.
490. Ieliekamām detaļām ar enkuriem jāsastāv no atsevišķām plāksnēm (stūreņiem vai fasontērauda plāksnēm), kam T veidā vai ar pārlaidumu piemetināti galvenokārt A-II un A-III klases stiegru tērauda enkurstieņi.
491. Ieliekamo detaļu enkurstieņu garumam, ja uz tiem darbojas stiepes spēki, jābūt ne mazākam par lan lielumu, ko nosaka saskaņā ar šo noteikumu 408.punktu.
492. Enkurstieņu garumu var samazināt, ja stieņu galos piemetina enkurplāksnes vai ar karsto paņēmienu izveido enkuruzgaļus, kuru diametrs ir ne mazāks par 2 d A-I un A-III klases stiegrojumam un ne mazāks par 3 d A-III klases stiegrojumam. Šajos gadījumos enkurstieņa garumu nosaka, aprēķinot betona izšķelšanos un saspiešanos un ņemot to ne mazāk u par 10 d (d — enkura diametrs mm).
493. Ja stiepei pakļauti enkuri novietoti stateniski pret elementa asi un gar tiem var veidoties plaisas no pamatpiepūlēm, kas iedarbojas uz elementu, tad enkuru gali jāpastiprina ar piemetinātām plāksnītēm vai uzsēdinātiem uzgaļiem.
494. Štancētām ieliekamām detaļām jāsastāv no pastiprinātiem (piemēram, sfērisku izciļņu veidā) slokšņu enkuriem un iecirkņiem, kas izpilda plāksnīšu funkciju (līdzīgi metinātām detaļām). Štancētas ieliekamās detaļas jāprojektē no 4–8 mm bieza slokšņu tērauda tā, lai, sloksni sagriežot, atgriezumi būtu minimāli. Detaļas enkurojuma stiprību pārbauda, aprēķinot betona sašķelšanos, izšķelšanos un saspiešanos.
495. Ieliekamo detaļu plākšņu biezumu aprēķina saskaņā ar šo noteikumu 285., 286. un 287.punktu, kā arī metināšanas noteikumiem. Atkarībā no metināšanas tehnoloģijas plāksnes biezuma attiecību pret enkurstieņa diametru ņem saskaņā ar GOST 14098-85 prasībām.
496. Savienojamo ekscentriski spiesto elementu beigu daļās (piemēram, saliekamo kolonnu galos) jāliek netiešais stiegrojums saskaņā ar šo noteikumu 450.punktu.
5.10. Atsevišķas konstruktīvās prasības
497. Sēšanās šuves jāparedz gadījumos, kad ēkas (būves) ceļ uz neviendabīgām, viegli saspiežamām (placīgām u.c.) pamatnes gruntīm, krasas slodžu maiņas vietās u.tml. Ja minētajos gadījumos sēšanās šuves nav paredzētas, pamatiem jābūt pietiekami stipriem un stingriem, lai novērstu virsū esošo konstrukciju bojāšanu, vai arī jābūt speciālai konstrukcijai, kas kalpotu šī mērķa sasniegšanai.
498. Sēšanās šuves, kā arī temperatūras un rukuma šuves vienlaidu betona un dzelzsbetona konstrukcijās jāveido caurejošas līdz pamata pēdai.
499. Temperatūras un rukuma šuves dzelzsbetona karkasos izveido, lietojot dubultkolonnas un novadot šuvi tikai līdz pamata augšai.
500. Atstatumus starp temperatūras un rukuma šuvēm betona pamatos un pagrabu sienās var ņemt atbilstoši atstatumiem starp virszemes konstrukciju šuvēm.
501. Betona konstrukcijās jāparedz konstruktīvais stiegrojums:
501.1. elementa šķērsgriezumu izmēru krasas maiņas vietās;
501.2. sienu augstuma maiņas vietās (ne mazāk kā 1m garā posmā);
501.3. betona sienās zem un virs katra stāva ailām;
501.4. konstrukcijās, kas pakļautas dinamisko slodžu iedarbībai;
501.5. pie ekscentriski spiestu elementu mazāk saspriegtās skaldnes, ja vislielākais spriegums šķēlumā, ko nosaka kā elastīgam ķermenim, pārsniedz 0,8Rb, bet vismazākais ir mazāks par 1 MPa vai izrādās stiepjošs, turklāt stiegrojuma koeficients m ir jāņem ne mazāks par 0,25%. Šīs prasības neattiecas uz saliekamo konstrukciju elementiem, kurus pārbauda transportēšanas un montāžas stadijās, jo šajā gadījumā nepieciešamo stiegrojumu nosaka ar stiprības aprēķinu. Ja aprēķinot tiek noskaidrots, ka elementa stiprības robeža būs sasniegta vienlaikus ar plaisu v eidošanos stieptās daļas betonā, tad jāņem vērā šo noteikumu 35.punkta prasības mazstiegrotiem elementiem (neievērojot stieptā betona darbību).
502. Ja saskaņā ar aprēķinu, kurā ņemta vērā betona stieptās daļas pretestība, stiegrojums nav vajadzīgs un praksē ir pierādīta tādu elementu transportēšanas un montāžas iespējamība bez stiegrojuma, tad konstruktīvais stiegrojums nav jāparedz.
503. Stiegrojuma novietojuma atbilstība tā projektētajam stāvoklim jānodrošina ar speciāliem pasākumiem (uzstādot plastmasas fiksatorus, smalkgraudaina betona gredzenus u.tml.)
504. Lielu izmēru ailas dzelzsbetona plātnēs, paneļos u.tml. jāapmalo ar papildstiegrām, kuru šķērsgriezums nav mazāks par atbilstoša virziena darba stiegru šķērsgriezumu, kāds pēc aprēķina būtu vajadzīgs bezailu plātnei.
505. Projektējot saliekamo pārsegumu elementus, starp tiem jāparedz ierīkot ar betonu aizpildāmas šuves. Šuvju platums jāizvēlas tāds, lai nodrošinātu to kvalitatīvu aizpildīšanu, un tam jābūt ne mazākam par 20 mm elementiem ar šķērsgriezuma augstumu līdz 250 mm un ne mazākam par 30 mm elementiem ar lielāku augstumu.
506. Saliekamo konstrukciju elementos jāparedz ierīces to satveršanai paceļot: izskrūvējamas inventārās montāžas cilpas, stropēšanas atveres, stacionāras montāžas cilpas u.tml. Pacelšanas cilpas jāizgatavo no karstvelmētā tērauda saskaņā ar šo noteikumu 125.punkta prasībām.
5.11. Papildnorādījumi iepriekšsaspriegto dzelzsbetona
elementu konstruēšanai
507. Iepriekšsaspriegtos elementos nepieciešams nodrošināt stiegrojuma drošu saķeri ar betonu, lietojot periodiska profila tēraudu un piepildot kanālus, gropes un dobumus ar cementa javu vai smalkgraudainu betonu.
508. Statiski nenoteicamu iepriekšsaspriegto konstrukciju celtniecības shēmas un paņēmienus ieteicams izvēlēties tā, lai, veidojot iepriekšējo saspriegumu, būtu izslēgta iespēja konstrukcijā rasties papildu piepūlēm, kas pasliktinātu to darbu. Pieļaujams ierīkot pagaidu šuves vai locīklas, ko pēc stiegrojuma nostiepšanas monolitizē.
509. Saliekami monolītās dzelzsbetona konstrukcijās jānodrošina iepriekšsaspriegto elementu saķere ar betonu, kas iestrādāts konstrukcijas izmantošanas vietā, kā arī to gala posmu enkurojums, turklāt elementu kopējais darbs šķērsvirzienā jānodrošina ar attiecīgiem pasākumiem (šķērsstiegrojumu vai elementu iepriekšēju saspriegšanu šķērsvirzienā).
510. Daļu no elementa stieņveida garenstiegrojuma var lietot bez iepriekšējās saspriegšanas, ja tiek ievērotas plaisizturības un pārvietojumu aprēķina prasības.
511. Zem saspriegtā stiegrojuma enkuriem, kā arī saspriegošanas ierīču balstīšanas vietās ieteicams veikt iepriekšsaspriegoto elementu iecirkņu vietējo pastiprināšanu, ievietojot ieliekamās detaļas vai papildu šķērsstiegrojumu, kā arī palielinot šajās vietās elementa šķērsg r iezuma izmērus.
512. Elementa galos jāparedz papildu saspriedzamais vai nesaspriedzamais šķērsstiegrojums, ja saspriedzamais garenstiegrojums ir koncentrēts pie augšējās un apakšējās skaldnes.
513. Saspriedzamais šķērsstiegrojums jāsaspriedz pirms garenstiegrojuma saspriegšanas ar piepūli, kas nav mazāka par 15% no balsta šķēluma stieptās daļas visa garenstiegrojuma nospriegošanas piepūles.
514. Nesaspriedzamajam šķērsstiegrojumam jābūt galos droši noenkurotam — piemetinātam pie ieliekamām detaļām.
515. 51 4.punktā minētam stiegrojumam konstrukcijās, kuras neaprēķina uz izturību, jābūt spējīgam uzņemt ne mazāk par 20%, bet konstrukcijās, kuras aprēķina uz izturību, — ne mazāk par 30% no stiprības aprēķinā noteiktās piepūles balsta šķēluma apakšējās daļas sa s priedzamajā garenstiegrojumā.
516. Kūļa veidā novietotajā stiepļveida stiegrojumā starp atsevišķām stieplēm vai stiepļu grupām (ievietojot kūlī spirāles, enkuros — īsgabalus u.tml.) jāparedz spraugas ar tādiem izmēriem, kas būtu pietiekoši, lai, aizpildot kanālus, starp kūļa stieplēm tiktu cauri cementa java vai smalkgraudainais betons.
517. Saspriegto stiegrojumu (stieņus vai troses) dobos un ribotos elementos parasti novieto gar katras elementa ribas asi. Šī nosacījuma izņēmums paskaidrots šo noteikumu 433.punktā.
518. Iepriekšsaspriegto elementu galos jābūt izvietotam papildu šķērsstiegrojumam vai netiešajam stiegrojumam (metināti sieti, kas aptver visus stiegrojuma garenstieņus, aptveres u.tml. ar soli 5–10 cm) iecirkņa garumā, kas nav mazāks par 0,6 lp, bet B7,5 — B12,5 klases vieglbetona elementos — ar soli 5 cm iecirkņa garumā, kas nav mazāks par lp un nav mazāks par 20 cm elementiem ar stiegrojumu bez enkuriem, bet, ja ir enkurierīces, — iecirknī, kas vienāds ar šo ierīču diviem garumiem. Enkuru piev i enošana stiegrojuma galos ir obligāta uz betona spriegojamam stiegrojumam, kā arī uz balstiem spriegojamam stiegrojumam, ja tā saķere ar betonu ir nepietiekama (gluda stieple, daudzpīņu trose), turklāt enkurierīcēm jānodrošina stiegrojuma droša iestrādāša n a betonā visās tā darba stadijās.ama (gluda stieple, daudzpīņu trose), turklāt enkurierīcēm jānodrošina stiegrojuma droša iestrādāšana betonā visās tā darba stadijās.
519. Ja kā saspriegto darba stiegrojumu lieto periodiska profila augstizturīgu stiegrojuma stiepli, vienkārša savijuma stiegrojuma troses, karstvelmētu un termiski nostiprinātu periodiska profila stieņveida stiegrojumu, ko saspriego uz balstiem, tad saspriedzamo stieņu galos enkuri nav jāliek.
6. Dzelzsbetona konstrukciju aprēķināšana
un ko nstruēšana, rekonstruējot ēkas un būves
520. Šī nodaļa attiecas uz ekspluatētu un pēc rekonstrukcijas vai kapitālā remonta saglabājamu konstrukciju nestspējas pārbaudi, kā arī rekonstrukcijai pakļauto konstrukciju pastiprināšanas aprēķiniem un konstruēšanu .
521. Esošo konstrukciju pārbaudes aprēķini jāveic, ja mainās uz tām iedarbojošās slodzes, apjoma plānojums vai ekspluatācijas apstākļi, kā arī tiek atklāti konstrukciju defekti un bojājumi, un jānosaka, vai tiek nodrošināta konstrukciju nestspēja un to derīgums normālai ekspluatācijai mainītajos darba apstākļos.
522. Konstrukcijas, kas neatbilst nestspējas pārbaudes aprēķiniem vai normālas ekspluatācijas prasībām, ir jāpastiprina. Projektējot pastiprināmās konstrukcijas, jāņem vērā, vai darbu izpildes laikā nav nepieciešama īslaicīga ražošanas apturēšana.
523. Esošo konstrukciju pārbaudes aprēķini, kā arī pastiprināmo konstrukciju aprēķini un konstruēšana jāveic, pamatojoties uz šo konstrukciju projekta materiālu, izgatavošanas un celtniecības datu un konstrukciju tehniskā stāvokļa faktisko izpēti (diagnostiku).
524. Ja konstrukcijās nav defektu un bojājumu, kas pazemina to nestspēju, kā arī ja nav nepieļaujamu izlieču un atvērtu plaisu, pārbaudes aprēķinus ir pieļaujams veikt, pamatojoties uz projekta materiāliem — projektētajiem konstrukciju šķērsgriezumu ģeometriskajiem izmēriem, betona stiprības klasi (marku), stiegru tērauda klasi, konstrukcijas stiegrojumu un aprēķina shēmu.
525. Ja projekta materiāli neatbilst aprēķinu prasībām vai tie nav pieejami, kā arī ja ir defekti un bojājumi, kas pazemina konstrukcijas nestspēju, un konstrukcijā ir nepieļaujamas izlieces vai atvērtas plaisas, tad jāveic pārbaudes aprēķini, ņemot vērā konstrukciju tiešo izpēti.
526. Tiešajā izpētē jānosaka konstrukcijas šķērsgriezumu ģeometriskie izmēri, stiegrojums, betona stiprība un stiegrojuma veids, konstrukcijas izlieces un plaisu atvēruma platums, defekti un bojājumi, kā arī konstrukciju slodzes statiskā shēma.
527. Esošā konstrukcija nav jāpastiprina, ja:
527.1. tās faktiskā izliece pārsniedz pieļaujamās robežas atbilstoši šo noteikumu 36.punkta nosacījumiem, bet tas netraucē konstrukcijas normālu ekspluatāciju un nemaina tās aprēķina shēmu;
527.2. ir atkāpes no šo noteikumu 5.nodaļas prasībām, bet pēc konstrukcijas ilgstošas ekspluatēšanas tās tiešajā izpētē (pārbaudē) nav atklāti bojājumi, kam par cēloni būtu šīs atkāpes.
528. Pastiprināmo konstrukciju aprēķins un konstruēšana jāveic, ņemot vērā šo noteikumu 526.punktā minētos tiešās izpētes datus.
6.1. Pārbaudes aprēķini
529. Aprēķins otrās grupas robežstāvokļos nav jāveic, ja esošajās konstrukcijās pārvietojumu un plaisu atvēruma platums ir mazāks par pieļaujamajām robežām, bet elementu šķēlumos piepūles no jaunajām slodzēm nepārsniedz faktiski darbojošos slodžu piepūļu v ērtības.
530. Aprēķinos jāpārbauda konstrukciju šķēlumi, kuriem ir defekti un bojājumi, kā arī šķēlumi, kuros tiešajā izpētē atklātas betona daļas, kuru stiprība ir vismaz par 20 procentiem mazāka nekā vidējā. Defektus un bojājumus ņem vērā, samazinot aprēķinā izmantojamo betona vai stiegrojuma šķērsgriezuma laukumu. Tāpat jāņem vērā defekta vai bojājuma iespaids uz betona stiprības un deformāciju raksturlielumiem, uz garenspēka ekscentricitāti, uz stiegru saķeri ar betonu u.tml. atbilstoši noteiktajā kārtībā apstiprinātiem dokumentiem.
531. Betona aprēķina raksturojumi tiek noteikti saskaņā ar šo noteikumu 2.nodaļu atkarībā no nosacītās betona spiedes stiprības klases esošajās konstrukcijās.
532. Veicot pārbaudes aprēķinus pēc projekta materiāliem, ja esošās konstrukcijas projektā par betona normējamo raksturojumu ir ņemta tā marka, nosacītās betona spiedes stiprības klases vērtība pielīdzināma:
532.1. astoņdesmitprocentīgai betona kubiņu stiprībai, kura savukārt atbilst smagā, smalkgraudainā un vieglbetona stiprības markai;
532.2. septiņdesmitprocentīgai šūnbetona stiprības markai.
533. Betona nosacītās spiedes stiprības klases starpvērtībām, kas atšķiras no parametriskās rindas vērtībām, betona aprēķina pretestības nosaka, lineāri interpolēj ot.
534. Veicot pārbaudes aprēķinus pēc tiešās izpētes rezultātiem, betona nosacītās spiedes stiprības klases vērtību nosaka saskaņā ar šo noteikumu 532.punkta nosacījumiem, konstrukciju grupā, konstrukcijā vai atsevišķā tās daļā betona markas vietā ņemot betona faktisko stiprību, kas aprēķināta pēc nesagraujošo vai no konstrukcijām noņemto betona paraugu pārbaužu rezultātiem.
535. Atkarībā no betona stāvokļa, konstrukciju veida un to darbības apstākļiem, kā arī no betona stiprības noteikšanai lietotajām metodēm, speciāli pamatojot, var tikt izmantoti citi betona klases noteikšanas paņēmieni. Izmantojot statistiskas metodes, betona stiprības variācijas koeficientu nosaka pēc VS 18105-86.
536. Stiegru aprēķina raksturojumus nosaka atkarībā no esošo dzelzsbetona konstrukciju stiegru tērauda klases saskaņā ar šo noteikumu 2.nodaļu, ievērojot 537., 538. un 539.punkta prasības.
537. Izpildot pārbaudes aprēķinus pēc esošo un saskaņā ar agrāk spēkā bijušajiem normatīvajiem dokumentiem projektēto konstrukciju projekta datiem, stiegru normatīvās pretestības Rsn nosaka saskaņā ar šo noteikumu 2.nodaļu. B-I klases stiepļveida stiegrām normatīvo pretestību ņem vienādu ar 390 MPa (400 kgf/cm2).
538. Stiegru aprēķina pretestības stiepei Rs nosaka pēc formulas:
Rsn
Rs = ––– , kur:
gs
gs — stiegru drošuma koeficients, kuru aprēķinam pirmās grupas robežstāvokļos ņem:
538.1. A-I, A-II un A-III klases stieņveida stiegrām — 1,15;
538.2. A-IV, A-V un A-VI klases stieņveida stiegrām — 1,25;
538.3. B-I, B-II, Bp-II, K-7 un K-19 klas es stiepļveida stiegrām — 1,25;
538.4. Bp-I klases stiepļveida stiegrām — 1,15.
539. Stiegru drošuma koeficientu gs aprēķinam otrās grupas robežstāvokļos ņem 1,0.
540. Šķērsstiegrojuma (aptveru un atliekto stieņu) stiepes aprēķina pretestību Rsw nosaka, iegūtās stiegru aprēķina pretestības Rs reizinot ar attiecīgiem darba apstākļu koeficientiem gsi, kas minēti šo noteikumu 2.nodaļā.
541. Stiegru spiedes aprēķina pretestības Rsc (izņemot A-IIIb klases stiegras) ņem vienādas ar iegūtajām stiegrojuma stiepes aprēķina pretestībām Rs, bet ne lielākas par šo noteikumu 2.nodaļā minētajām vērtībām. A-IIIb klases stiegrām spiedes aprēķina pretestību Rsc nosaka saskaņā ar šo noteikumu 2.nodaļas prasībām.
542. Aprēķinā nepieciešams iekļaut stiegrojuma darba apstākļu papildu koeficientus saskaņā ar šo noteikumu 133., 134., 135. un 136.punktu.
543. Stiegru aprēķina pretestību vērtības noapaļo līdz trim zīmīgajiem cipariem.
544. Izpildot pārbaudes aprēķinus pēc tieši pētāmajām konstrukcijām noņemto stiegru paraugu pārbaužu datiem, stiegru normatīvās pretestības ņem vienādas ar plūstamības robežas (vai nosacītās plūstamības robežas) vidējām vērtībām, kas iegūtas, pārbaudot stiegru paraugus, un dalot ar koeficientu:
544.1. A-I, A - II, A-III, A-IIIb un A-IV klases stiegrām — 1,1;
544.2. pārējo klašu stiegrām — 1,2.
545. Stiegru aprēķina pretestības nosaka atbilstoši šo noteikumu prasībām.
546. Atkarībā no pārbaudēm noņemto paraugu skaita un stiegru stāvokļa, speciāli pamatojot, var izmantot citus stiegru aprēķina pretestības noteikšanas paņēmienus.
547. Stiegru stiepes aprēķina pretestības Rs, ja nav projekta datu un nav iespējams noņemt paraugus, atkarībā no stiegrojuma profila var noteikt:
547.1. gludām stiegrām Rs = 155 MPa (1600kgf/cm2);
547.2. periodiska profila stiegrām ar vienvirziena izciļņiem (vītne) Rs = 245 MPa (2500 kgf/cm2);
547.3. periodiska profila stiegrām ar izcilņu labo gājienu vienā pusē un kreiso otrā (eglīte) Rs = 295 MPa (3000 kgf/cm2).
548. Spiesto stiegru aprēķina pretestību vērtību ņem vienādu ar Rs, bet šķērsstiegrojuma aprēķina pretestību Rsw — vienādu ar 0,8 Rs.
6.2. Pastiprināmo konstrukciju aprēķins un konstruēšana
549. Šī apakšnodaļa attiecas uz tādu dzelzsbetona konstrukciju projektēšanu un aprēķinu, kuras jāpastiprina ar tērauda velmējumiem, betonu un dzelzsbetonu. Pastiprināmās dzelzsbetona konstrukcijas jāprojektē saskaņā ar Latvijas būvnormatīvu LBN 204 (ja tās pastiprina ar tērauda velmējumiem) un šo apakšnodaļu.
550. Projektējot pastiprināmās dzelzsbetona konstrukcijas, nepieciešams nodrošināt pastiprinājuma elementu iekļaušanu darbā un to kopēju darbu ar pastiprināmo konstrukciju.
551. Pastiprināmo konstrukciju aprēķinu veic divām darba stadijām:
551.1. līdz pastiprinājuma elementu iekļaušanai darbā — slodzēm, kas ietver pastiprinājuma elementu slodzi (tikai pirmās grupas robežstāvokļos);
551.2. pēc pastiprinājuma elementu iekļaušanas darbā — pilnām ekspluatācijas slodzēm (pirmās un otrās grupas robežstāvokļos). Otrās grupas robežstāvokļos aprēķinu var neveikt, ja ekspluatācijas slodzes nepalielinās, konstrukciju stingums un plaisizturība atbilst ekspluatācijas prasībām, bet pastiprinājums ir defektu un bojājumu sekas.
552. Stipri bojātu konstrukciju (ja sagrauts 50% un vairāk betona šķērsgriezuma vai 50% un vairāk darba stiegru šķērsgriezuma laukuma) pastiprinājuma elementiem jāaprēķina pilna slodze, turklāt pastiprināmā konstrukcija aprēķinā nav jāņem vērā.
553. Pastiprināmās konstrukcijas stiegru šķērsgriezuma laukums jānosaka, ņemot vērā tā faktisko samazināšanos korozijas rezultātā. Augstas stiprības stiepļu stiegrojums aprēķinā nav jāņem vērā, ja ir čūlveida vai punktveida (slēptā) korozija, kā arī ja koroziju izraisījuši hlorīdi.
554. Pastiprinājumu tērauda elementu normatīvās un aprēķina pretestības nosaka saskaņā ar Latvijas būvnormatī vu LBN 204.
555. Pastiprināmo dzelzsbetona konstrukciju un elementu betona un stiegru normatīvās un aprēķina pretestības nosaka atbilstoši šo noteikumu 2.nodaļai un 531. — 548.punktam.
556. Projektējot pastiprināmās konstrukcijas, jāņem vērā, ka slodze pastiprināšanas laikā nedrīkst pārsniegt 65% no aprēķinātā lieluma. Ja ir grūti vai nav iespējams panākt vajadzīgo atslogošanas pakāpi, ir pieļaujams veikt pastiprināšanu lielākā slodzē. Šajā gadījumā pastiprinājuma betona un stiegru aprēķina raksturojums jā r eizina ar darba apstākļu koeficientu (betonam gbr1 = 0,9, stiegrojumam gsr1 = 0,9). Jāizvēlas tāda konstrukciju atslogošanas pakāpe, kas nodrošina darba drošību.
557. Ja pastiprinot konstrukcija pārvēršas statiski nenoteicamā, tad jāņem vērā šo noteikumu 24. un 25.punktā minētie faktori.
558. Pastiprinājumu iepriekšējā sasprieguma lielums ssp un s'sp saspriegtajā stiegrojumā S un S' jānosaka saskaņā ar šo noteikumu 40. un 42.punktu. Turklāt stiegrojuma iepriekšējās saspriegšanas maksimālais lielums nedrīkst pārsniegt stieņveida stiegrām — 0,9 Rs,ser, stiepļveida stiegrām — 0,7 Rs,ser.
559. Stiegru iepriekšējās saspriegšanas minimālais lielums nedrīkst būt mazāks par 0,4 Rs,ser.
560. Aprēķinot elementus, kas pastiprināti ar iepriekšsaspriegtajiem stieņiem, iepriekšējās saspriegšanas zudumus nosaka atbilstoši šo noteikumu 47., 48., 49., 50., 51. un 52.punktam.
561. Nosakot pie nostiepšanas ierīcēm esošo enkuru deformāciju dēļ radušos zudumus, jāņem vērā balsta ierīču saspiešanās. Ja nav eksperimentālu datu, uzskata, ka tā ir vienāda ar 4 mm.
562. Spriegošanas precizitātes koeficients jānosaka saskaņā ar šo noteikumu 53.punktu, ņemot papildu koeficientu gsp, kas atkarīgs no konstrukcijas un pastiprināšanās paņēmienu īpatnībām:
562.1. gsp horizontālām un spraišļu savilcēm — 0,85;
562.2. gsp aptverēm un slīpām savilcēm — 0,75.
563. Liektos un ekscentriski spiestos elementus, kurus pastiprina ar betonu un dzelzsbetonu, aprēķina kā elementus ar vienlaidu šķēlumu, ja tiek ievērotas konstruktīvās un aprēķina prasības vecā un jaunā betona kopīgā darba nodrošināšanai. Turklāt neizlabojamie pastiprināmo konstrukciju bojājumi un defekti (stiegrojuma korozija vai pārrāvums, betona korozija, noslāņošanās utt.), kas pazemina to nestspēju, jāņem vērā tādā pašā mērā kā konstrukc i ju pārbaudes aprēķinos līdz pastiprināšanai.
564. Ja konstrukcijās, kuras pastiprina ar betonu vai dzelzsbetonu, ir dažādas klases betons un stiegras, šķēlumā esošais katras klases betons un stiegras stiprības aprēķinā tiek iekļauts ar savu aprēķina pretestību.
565. Ar betonu, stiegrojumu un dzelzsbetonu pastiprinātiem dzelzsbetona elementiem jāaprēķina stiprība elementa garenasij stateniskos, slīpos un telpiskos šķēlumos (ja darbojas vērpes momenti), kā arī slodzes vietējā iedarbība (spiede, caurspiešana, atraušana) saskaņā ar šo noteikumu 3.nodaļu un ņemot vērā to, ka pastiprināmajā elementā ir dažādas klases betons un stiegras.
566. Ar betonu, stiegrojumu vai dzelzsbetonu pastiprinātajiem dzelzsbetona elementiem jāaprēķina plaisu veidošanās, pārvietošanās, atvēršanās un aizvēršanās saskaņā ar šo noteikumu 4.nodaļu un papildprasībām, kas saistītas ar deformācijām un spriegumiem dzelzsbetona elementā līdz pastiprinājuma iekļaušanai darbā, kā arī ar dažādu klašu betona un stiegru esamību pastiprinātajā eleme n tā.
567. Dzelzsbetona elementus, kas pastiprināti ar saspriegto stiegrojumu, kuram nav saķeres ar betonu, jāaprēķina pirmās un otrās grupas robežstāvokļos atbilstoši šo noteikumu 4. un 5.nodaļai un papildprasībām, kas saistītas ar to, ka nav saķeres starp stiegrām un betonu.
568. Šķērsgriezumu pastiprināšanai paredzēto betona un dzelzsbetona elementu minimālie izmēri jāaprēķina atbilstoši faktiskajām piepūlēm, ņemot vērā tehnoloģiskās prasības, un tie jāņem ne mazāki par izmēriem, kādi nepieciešami, lai izpildītu šo noteikumu 5.nodaļas prasības attiecībā uz stiegru izvietojumu un betona aizsargkārtas biezumu.
569. Pastiprinājuma betona spiedes stiprības klase jāņem vienlīdzīga pastiprināmo konstrukciju betona klasei, bet ne zemāka par B15 virszemes konstrukcijām un B12,5 — pamatiem.
570. Ja pastiprināšana paredzēta pēc pastiprināmās konstrukcijas atslogošanas, noslogošana jāveic pēc tam, kad pastiprinājuma betons ir sasniedzis projektēto stiprību.
571. Ja konstrukciju pastiprina ar monolīto betonu un dzelzsbetonu, tad jāparedz tādi pasākumi, kas nodrošina kontaktzonas stiprību un pastiprinājuma kopīgu darbu ar pastiprināmo konstrukciju (pastiprināmās konstrukcijas virsmas tīrīšana, uzciršana, rievu izveidošana u.c.).
572. Izveidojot vietējo pastiprinājumu tikai bojātā iecirkņa garumā, pastiprinājums jāturpina arī nebojātajās daļās ne mazāk kā 500 mm garumā un garumā, kas nav mazāks par:
572.1. betona pastiprinājuma pieckārtīgu biezumu;
572.2. pastiprinājuma garenstiegrojuma enkurojuma garum u;
572.3. pastiprināmā elementa lielākās skaldnes divkāršu platumu (stieņveida konstrukcijām).
573. Elementiem ar nesaspriegto stiegrojumu noslogotā stāvoklī pastiprināšana ir pieļaujama, piemetinot esošajām stiegrām papildu stiegras, ja, darbojoties pastiprināšanas slodzei, attiecīgajā šķēlumā tiek nodrošināta pastiprināmā elementa stiprība, kurā nav ierēķināts papildu stiegrojuma darbs.
574. Metinātie sadursavienojumi jāizvieto izklaidus gar stieņiem ar intervālu, kas nav mazāks par 20 d.
Vides aizsardz ības un reģionālās attīstības ministrs,
Ministru prezidenta biedrs A.Gorbunovs
1.pielikums
Ministru kabineta
1997.gada 23.decembra noteikumiem nr.451
Galvenie burtu apzīmējumi
|
Ārējo slodžu un iedarbību radītas piepūles elementa šķērsgriezumā |
|||||||||
|
M |
— | lieces moments | |||||||
|
N |
— | garenspēks | |||||||
|
Q |
— | šķērsspēks | |||||||
|
T |
— | vērpes moments | |||||||
|
Iepriekšsaspriegtā elementa raksturojumi |
|||||||||
|
P |
— | iepriekšējās betona saspriegšanas piepūle, kuru nosaka | |||||||
| pēc formulas (8), ņemot vērā iepriekšējā sasprieguma zudumus | |||||||||
|
ssp, s'sp |
— | iepriekšējais spriegums attiecīgi saspriegtajā stiegrojumā S un | |||||||
| S' līdz betona saspriegšanai (stiegrojumu nostiepjot uz | |||||||||
| balstiem) vai tajā stadijā, kad, ievērojot stiegrojuma iepriekšējā | |||||||||
| sasprieguma zudumus atbilstoši apskatāmajai elementa darba | |||||||||
| stadijai, saskaņā ar šo noteikumu 40. un 55.punktu ārējo | |||||||||
| faktisko vai nosacīto spēku iedarbības rezultātā iepriekšējie | |||||||||
| spriegumi betonā ir samazinājušies līdz nullei | |||||||||
|
sbp |
— | spiedes spriegums betonā iepriekšējās saspriegšanas stadijā, | |||||||
| kuru nosaka saskaņā ar šo noteikumu 55. un 56.punktu, | |||||||||
| ievērojot stiegrojuma iepriekšējā sasprieguma zudumus | |||||||||
| atbilstoši apskatāmajai elementa darba stadijai | |||||||||
|
gsp |
— | stiegrojuma nostiepšanas precizitātes koeficients, kuru nosaka | |||||||
| saskaņā ar šo noteikumu 54.punktu | |||||||||
| Materiālu raksturojumi | |||||||||
|
Rb, Rb,ser |
— | betona aprēķina pretestība centriskai spiedei attiecīgi pirmās | |||||||
| un otrās grupas robežstāvokļiem | |||||||||
|
Rbt, Rbt,ser |
— | betona aprēķina pretestība centriskai stiepei attiecīgi pirmās | |||||||
| un otrās grupas robežstāvokļiem | |||||||||
|
Rb,loc |
— | betona aprēķina pretestība virsmas spiedei, kuru nosaka pēc | |||||||
| formulas (102) | |||||||||
|
Rs, Rs,ser |
— | stiegru aprēķina pretestība stiepei attiecīgi pirmās un otrās | |||||||
| grupas robežstāvokļiem | |||||||||
|
Rbp |
— | betona uzspriegojuma stiprība, kuru nosaka saskaņā ar | |||||||
| šo noteikumu 81.punktu | |||||||||
|
Rsc |
— | stiegru aprēķina pretestība spiedei pirmās grupas | |||||||
| robežstāvokļiem | |||||||||
|
Eb |
— | sākuma elastības modulis betonam spiedē un stiepē | |||||||
|
Es |
— | stiegru elastības modulis | |||||||
|
Garenstiegrojuma stāvokļa raksturojumi elementa šķērsgriezumā |
|||||||||
|
S |
— | garenstiegrojuma apzīmējums: | |||||||
| a) stieptajā daļā izvietotajām stiegrām, ja ārējās slodzes | |||||||||
| iedarbībā viena šķēluma daļa ir stiepta, otra ņ spiesta | |||||||||
| b) pie mazāk spiestās šķēluma skaldnes izvietotajām stiegrām, | |||||||||
| ja ārējo slodžu iedarbībā viss šķēlums ir spiests | |||||||||
| c) ja ārējo slodžu iedarbībā viss šķēlums ir stiepts: | |||||||||
| ekscentriski stieptam elementam — stiegrām, kas izvietotas | |||||||||
| pie visvairāk stieptās šķēluma skaldnes | |||||||||
| centriski stieptam elementam — visām elementa šķērsgriezumā | |||||||||
| izvietotajām garenstiegrām | |||||||||
|
S' |
— | garenstiegrojuma apzīmējums: | |||||||
| a) spiestajā daļā izvietotajām stiegrām, ja ārējo slodžu iedarbībā | |||||||||
| viena šķēluma daļa ir spiesta, otra — stiepta | |||||||||
| b) pie visvairāk spiestās šķēluma skaldnes izvietotajām | |||||||||
| stiegrām, ja ārējo slodžu iedarbībā viss šķēlums ir spiests | |||||||||
| c) ekscentriski stieptiem elementiem, kuros viss šķēlums ir | |||||||||
| stiepts, pie vismazāk stieptās šķēluma skaldnes izvietotajām stiegrām | |||||||||
| Ģeometriskie raksturojumi | |||||||||
|
b |
— | taisnstūra šķērsgriezuma platums, T veida un dubultā T veida | |||||||
| šķērsgriezuma ribas platums | |||||||||
|
bf, b'f |
— | T veida un dubultā T veida šķērsgriezuma plaukta platums | |||||||
| attiecīgi stieptajā un spiestajā daļā | |||||||||
|
hf , h'f |
— | taisnstūra T veida un dubultā T veida šķērsgriezuma plaukta | |||||||
| augstums attiecīgi stieptajā un spiestajā daļā | |||||||||
|
a, a' |
— | atstatums no piepūļu rezultantes stiegrojumā attiecīgi S un S' | |||||||
| līdz šķēluma tuvākajai skaldnei | |||||||||
|
ho, h'o |
— | šķērsgriezuma darba augstums attiecī gi h - a un h - a' | |||||||
|
x |
— | betona spiestās daļas augstums | |||||||
|
x |
— | betona spiestās daļas relatīvais augstums x/ho | |||||||
|
s |
— | atstatums starp aptverēm pa elementa garumu | |||||||
|
e0 |
— | garenspēka N ekscentricitāte pret reducētā šķēluma smagum- | |||||||
| centru, kuru nosaka saskaņā ar šo noteikumu 37.punktu | |||||||||
|
eop |
— | iepriekšējās saspriegšanas piepūles P ekscentricitāte pret | |||||||
| reducētā šķēluma smagumcentru, kuru nosaka saskaņā ar šo | |||||||||
| noteikumu 55.punktu | |||||||||
|
eo,tot |
— | garenspēka N un iepriekšējās saspriegšanas piepūles P | |||||||
| rezultantes ekscentricitāte pret reducētā šķēluma smagumcentru | |||||||||
|
e, e' |
— | atstatums no garenspēka N pielikšanas punkta līdz piepūļu | |||||||
| rezultantei attiecīgi stiegrojumā S un S' | |||||||||
|
es, esp |
— | atstatums no garenspēka N pielikšanas punkta un iepriekšējās | |||||||
| saspriegšanas piepūles P līdz stiegrojuma S šķēluma laukuma | |||||||||
| smagumcentram | |||||||||
|
l |
— | elementa laidums | |||||||
|
lo |
— | spiedes garenspēka iedarbībai pakļauta elementa aprēķina | |||||||
| garums, kuru nosaka saskaņā ar šo noteikumu 31.tabulu | |||||||||
|
i |
— | elementa šķērsgriezuma inerces rādiuss attiecībā pret šķēluma | |||||||
| smagumcentru | |||||||||
|
d |
— | stiegru tērauda stieņu nominālais diametrs | |||||||
|
As, A's |
— | nesaspriegtā un saspriegtā stiegrojuma attiecīgi S un S' | |||||||
| šķērsgriezuma laukums, aprēķinot iepriekšējās saspriegšanas | |||||||||
| piepūli P, attiecīgi stiegrojuma S un S' nesaspriegtās daļas | |||||||||
| šķērsgriezuma laukums | |||||||||
|
Asp, A'sp |
— | attiecīgi stiegrojuma S un S' saspriegtās daļas šķērsgriezuma laukums | |||||||
|
Asw |
— | attiecībā pret elementa garenasi slīpā šķēlumā esošo atliekto | |||||||
| stieņu šķērsgriezuma laukums | |||||||||
|
As,inc |
— | attiecībā pret elementa garenasi slīpā šķēlumā izvietoto aptveru | |||||||
| šķērsgriezuma laukums | |||||||||
|
m |
— | stiegrojuma koeficients, kuru nosaka kā stiegrojuma S laukuma | |||||||
| attiecību pret elementa šķērsgriezuma laukumu bho, neņemot | |||||||||
| vērā spiesto un stiepto plauktu pārkares | |||||||||
|
A |
— | visa betona laukums šķērsgriezumā | |||||||
|
Ab |
— | betona šķēluma spiestās daļas laukums | |||||||
|
Abt |
— | betona šķēluma stieptās daļas laukums | |||||||
|
Ared |
— | elementa šķēluma reducētais laukums, kuru nosaka saskaņā ar | |||||||
| šo noteikumu 55.punktu | |||||||||
|
Aloc1 |
— | betona virsmas spiedes (saspiešanās) laukums | |||||||
|
S'bo, Sbo |
— | attiecīgi betona šķēluma spiestās un stieptās daļas laukuma | |||||||
| statiskais moments attiecībā pret neitrālo asi | |||||||||
|
Sso, S'so |
— | attiecīgi stiegrojuma S un S' šķēluma laukuma statiskais | |||||||
| moments attiecībā pret neitrālo asi | |||||||||
|
I |
— | betona šķēluma inerces moments attiecībā pret elementa | |||||||
| šķērsgriezuma smagumcentru | |||||||||
|
Ired |
— | elementa reducētā šķēluma inerces moments attiecībā pret tā | |||||||
| smagumcentru, kuru nosaka saskaņā ar šo noteikumu 55.punktu | |||||||||
|
Is |
— | stiegru šķēluma laukuma inerces moments attiecībā pret | |||||||
| elementa šķērsgriezuma smagumcentru | |||||||||
|
Ibo |
— | betona šķēluma spiestās daļas laukuma inerces moments | |||||||
| attiecībā pret neitrālo asi | |||||||||
|
Iso, I'so |
— | attiecīgi stiegrojuma S un S' šķē rsgriezuma laukuma atbilstošais | |||||||
| inerces moments attiecībā pret neitrālo asi | |||||||||
|
Wred |
— | elementa reducētā šķēluma pretestības moments visattālākajam | |||||||
| stieptajam slānim, kuru nosaka kā elastīgam materiālam | |||||||||
| saskaņā ar š o noteikumu 55.punktu | |||||||||
|
Vides aizsardzības un reģionālās attīstības ministrs, Ministru prezidenta biedrs A.Gorbunovs 2.pielikums Ministru kabineta 1997.gada 23.decembra noteikumiem nr.451 Noteikumos lietotie termini |
|||||||||
|
Latviešu |
Angļu | Krievu | Definīcija | ||||||
|
valodā |
valodā | valodā | |||||||
|
1 |
2 | 3 | 4 | ||||||
|
Betons |
Concrete | <tnjy | Mākslīgi bez apdedzināšanas cietējošs | ||||||
| būvmateriāls, kas izgatavots, samaisot | |||||||||
| noteiktās attiecībās pildvielas (smiltis, oļus, | |||||||||
| šķembas u.tml.), ūdeni un speciālas | |||||||||
| pildvielas un sacementējot visu ar kādu | |||||||||
| saistvielu (cementu, ģipsi u.tml.) | |||||||||
|
Dzelzs- |
Reinforced | :tktpj- | Stiegrots betons, kurā mehāniskās | ||||||
|
betons |
concrete | ,tnjy | pretestības palielināšanai (it sevišķi stiepes | ||||||
| spēku uzņemšanai) izvietotas būvtērauda | |||||||||
| (dzelzs) stiegras | |||||||||
|
Smagais |
Normal- | Nz;tksq | Blīvas struktūras betons ar vidējo blīvumu | ||||||
|
betons |
weight | ,tnjy | no 2200 līdz 2500 kg/m3, kas pagatavots | ||||||
| concrete | no blīvām rupjām un smalkām pildvielām, | ||||||||
| izmantojot par saistvielu cementu | |||||||||
|
Smalk- |
Fine | Vtkrj- | Blīvas struktūras betons ar vidējo blīvumu | ||||||
|
graudainais |
concrete | pthybcnsq | no 1800 līdz 2500 kg/m3, kas pagatavots | ||||||
|
betons |
,tnjy | no blīvām smalkām pildvielām, izmantojot | |||||||
| par saistvielu cementu | |||||||||
|
Viegl- |
Light | Kturbq | Betons, kas izgatavots no rupjām porainām | ||||||
|
betons |
concrete | ,tnjy | un smalkām porainām vai smalkām blīvām | ||||||
| pildvielām, izmantojot par saistvielu cementu | |||||||||
|
Šū nbetons |
Foam | Zxtbcnsq | Betona izejvielu (saistvielas un kramaiņa | ||||||
|
betons |
concrete | ,tnjy | komponenti) maisījums, kas uzpūsts ar gāzu | ||||||
| (putu) veidotājām vielām un iegūta | |||||||||
| sacietējusi masa, kuras struktūru veido | |||||||||
| vienmērīgi izvietotas poras šūnu veidā | |||||||||
|
Porainais |
Porous | Gjhbpj- | Betona izejvielu sastāvā esošās saistvielas, | ||||||
|
betons |
concrete | dfyysq | kas uzpūstas ar gāzu (putu) veidotājām | ||||||
| ,tnjy | vielām un iegūta sacietējusi masa, veidota | ||||||||
| no rupjas pildvielas, kuras spraugas aizpilda | |||||||||
| saistviela ar vienmērīgi izvietotām porām | |||||||||
| šūnu veidā | |||||||||
|
Spriegotais |
Stress | Yfghz- | Speciāls betons ar briestoša cementa | ||||||
|
(briestošais) |
concrete | uf/obq | saistvielu, paredzētu dzelzsbetona konstrukcijā | ||||||
|
betons |
,tnjy | iepriekšējai spriegošanai (pašsaspriegšanai), | |||||||
| kas īstenojas, betonam izplešoties tā | |||||||||
| cietēšanas laikā | |||||||||
|
Monolītais |
Cast-in- | Vjyjkbn- | Betons, kuru iestrādā veidņos tieši | ||||||
|
(viengaba- |
place | ysq | būvlaukumā celtniecības laikā | ||||||
|
lainais) |
concrete | ,tnjy | |||||||
|
betons |
|||||||||
|
Saliekamais |
Precast | C,jhysq | Betons, kuru iestrādā konstrukcijās jau | ||||||
|
betons |
oncrete | ,tnjy | rūpnīcā un nogādā uz būvlaukumu gatavu | ||||||
|
(dzelzs- |
konstrukciju elementu veidā | ||||||||
|
betons) |
|||||||||
|
Iepriekš |
Prestressed | Ghtldj- | Konstrukciju elementi, kuru stiegrās speciāli | ||||||
|
saspriegtas |
concrete | hbntkmyj | tiek radīti stiepes spriegumi, bet pēc betona | ||||||
|
dzelzsbetona |
structures | yfghz;tyyst sacietēšanas pirms ārējo spēku (slodzes) | |||||||
|
konstruk- |
;tktpj,t- | iedarbības betonā tiek radīti | |||||||
|
cijas |
njyyst | spiedes spriegumi | |||||||
| rjycnherwbb | |||||||||
|
Vides aizsardzības un reģionālās attīstības ministrs, Ministru prezidenta biedrs A.Gorbunovs 3.pielikums Ministru kabineta 1997.gada 23.decembra noteikumiem nr.451 Oglekļa tērauda lietošana dzelzsbetona un betona konstrukciju ieliekamajām detaļām |
|||||||||
|
Ieliekamo detaļu |
Aprēķina temperatūra . | ||||||||
|
raksturojums |
līdz -30 °C . | no -30 °C līdz -40 °C | |||||||
| tērauda | velmējuma | tērauda | velmējuma | ||||||
| marka pēc | biezums | marka pēc | biezums | ||||||
| GOST 380-71 | (mm) | GOST 380-71 | (mm) | ||||||
|
1. Aprēķināmās: |
|||||||||
|
1.1. statistisku slodžu piepūlēm |
BCt3rg | 4–30 | BCt3gc6 | 4–25 | |||||
|
1.2. dinamisku un daudzkārtēji |
|||||||||
|
atkārtotu slodžu piepūlēm |
BCt3gc6 | 4–10 | BCt3gc6 | 4–10 | |||||
| BCt2Ugc5 | 11–30 | BCt3Ugc5 | 11–30 | ||||||
| BCt3cg5 | 11–25 | BCt3cg5 | 11–25 | ||||||
|
2. Konstruktīvās (spēka iedarbībām |
|||||||||
|
neaprēķināmās) |
ICt3rg2 | 4–10 | Ct3rg2 | 4–10 | |||||
| BCt3rg2 | 4–30 | BCt3rg2 | 4–30 | ||||||
|
Piezīmes. 1. Aprēķina temperatūru pieņem saskaņā ar šo noteikumu 11.punktu. 2. Lietojot mazleģētu tēraudu (piemēram, 10U2C1, 09U2C, 15XCHL marku tēraudu), tērauda un elektrodu markas ieliekamām detaļām jāizvēlas tāpat kā metinātām tērauda konstrukcijām atbilstoši LBN 204 prasībām. 3. Minēto marku tērauda aprēķina pretestības nosaka saskaņā ar LBN 204. Vides aizsardzības un reģionālās attīstības ministrs, Ministru prezidenta biedrs A.Gorbunovs |
|||||||||