
Latvijas Republikas Ministru kabineta noteikumi Nr. 140
Rīgā 1999.gada 13.aprīlī (prot. Nr. 21, 1. §)
Noteikumi par Latvijas būvnormatīvu LBN 206-99 “ Koka konstrukciju projektēšanas normas ”
Izdoti saskaņā ar
Būvniecības likuma 2.panta ceturto daļu
1. Šie noteikumi apstiprina pievienoto Latvijas būvnormatīvu LBN 206-99 “ Koka konstrukciju projektēšanas normas ”.
2. Ar 1999.gada 1.jūliju Latvijas Republikas teritorijā netiek piemērotas bijušās PSRS Celtniecības normas un noteikumi SNiP II-25-80 “ Koka konstrukcijas. Projektēšanas normas ” , ko ar 1980.gada 18.decembra lēmumu Nr.198 apstiprinājusi bijusī PSRS Celtniecības lietu valsts komiteja.
3. Būvprojektiem, kuri likumā noteiktajā kārtībā akceptēti līdz 1999.gada 30.jūnijam un kuru tehniskie risinājumi atbilst attiecīgajā laikposmā piemēroto normatīvo aktu prasībām, būvprojektu dokumentācijas pārstrāde atbilstoši Latvijas būvnormatīvam LBN 206-99 “ Koka konstrukciju projektēšanas normas ” nav obligāta.
4. Līdz Latvijas būvnormatīva LBN 004 “ Projektēšanas pamatprincipi ” apstiprināšanai slodžu un iedarbību lielumi un drošuma un slodžu kombināciju koeficienti jāpiemēro saskaņā ar SNiP 2.01.07-85 “ Slodzes un iedarbības ”.
5. Līdz Latvijas būvnormatīva LBN 204 “ Tērauda konstrukciju projektēšanas normas” apstiprināšanai metāla ieliekamo detaļu aprēķins jāveic saskaņā ar SNiP II-23-81* “ Tērauda konstrukcijas. Projektēšanas normas ”.
6. Līdz Latvijas būvnormatīva LBN 002 “ Būvniecības siltumtehnika ” apstiprināšanai gaisa mitruma rādītāji telpās un ārpus telpām jāpiemēro saskaņā ar SNiP II-3-79* “ Celtniecības siltumtehnika ”.
7. Noteikumi stājas spēkā ar 1999.gada 1.jūliju.
Ministru prezidents V.Krištopans
Vides aizsardzības un reģionālās attīstības ministrs V.Balodis
Apstiprināts ar
Ministru kabineta
199 9.gada 13.aprīļa noteikumiem Nr.140
Latvijas būvnormatīvs LBN 206-99 “Koka konstrukciju projektēšanas normas ”
I. Vispārīgie jautājumi
1. Šis būvnormatīvs attiecas uz koka konstrukcijām jaunceļamās un rekonstruējamās ēkās un būvēs, kā arī elektropārvades gaisa līniju balstu koka konstrukcijām. Šis būvnormatīvs neattiecas uz hidrotehnisko būvju un tiltu koka konstrukcijām.
2. Koka konstrukcijām jāatbilst tehniskajiem noteikumiem par konstrukciju aizsardzību no mitruma, bioloģiskās bojāšanas un korozijas (ja paredzēts konstrukcijas ekspluatēt agresīvā vidē), kā arī ugunsdrošības noteikumiem un šim būvnormatīvam, lai nodrošinātu koka konstrukciju un būvju ilgizturību atbilstoši paredzētajam to kalpošanas laikam.
3. Koka konstrukcijas aprēķina pēc robežstāvokļu metodes, un tās atbilst nestspējas — stiprības, izturības un noturības (pirmā robežstāvokļu grupa) — un deformāciju (otrā robežstāvokļu grupa) aprēķina nosacījumiem, ievērojot slodzes darbības raksturu un ilgumu.
4. Koka konstrukcijas projektē, ievērojot to izgatavošanas, ekspluatācijas un transportēšanas apstākļus, kā arī to montāžu no atsevišķiem elementiem un apkopu blokiem.
5. Koka konstrukcijas drīkst lietot ar nosacījumu, ka pastāvīgi vai ilgstoši periodiski mainīga apkārtējā gaisa temperatūra nepārsniedz 50 °C, ja konstrukcija izgatavota no nelīmētas koksnes, un 35 °C, ja konstrukcija izgatavota no līmētas koksnes.
6. Koka konstrukciju darba rasējumos norāda koka sugu, koksnes šķiru (norāda standartu, kuram atbilst koksnes šķira, un tās atbilstību 3.tabulā dotajiem lielumiem) un papildu prasības atbilstoši šī būvnormatīva 1.pielikumam. Ja konstrukcija izgatavota no līmētas koksnes, darba rasējumos norāda arī tehniskās prasības līmei.
II. Materiāli
7. Koka konstrukciju izgatavošanai izmanto galvenokārt skujkoku koksni (priedes un egles). Lapkokus ar cietu koksni izmanto tapām, paliktņiem un citām svarīgām detaļām.
Piezīme.
Elektropārvades gaisa līniju balstu koka konstrukcijām izmanto priedes un lapegles koksni. Egles un dižegles koksni var lietot balstiem elektropārvades līnijās ar 35 kV un zemāku spriegumu, izņemot zemē iedziļinātu stabu elementus un uzgaļus, kā arī šķērskokus (traversas).
8. Koka konstrukciju nesošo elementu koksnes kvalitātei jāatbilst šī būvnormatīva 1.pielikumam un šādiem nosacījumiem:
8.1. koksnes pretestība nedrīkst būt mazāka par normatīvo pretestības vērtību R k atbilstoši šī būvnormatīva 2.pielikumam;
8.2. atkarībā no ekspluatācijas apstākļiem — gaisa mitruma un temperatūras — koksnes mitrums konstrukciju elementos nedrīkst pārsniegt 1.tabulā noteiktās robežvērtības. Nosakot konstrukciju ekspluatācijas apstākļus, gaisa mitrumu neapkurināmās telpās vai ārpus telpām ņem saskaņā ar būvnormatīvu LBN 002 “ Būvniecības siltumtehnika ”.
1.tabula
Konstrukciju Koksnes maksimālais
ekspluatācijas Konstrukciju ekspluatācijas mitrums konstrukcijās
apstākļu klases apstākļu raksturojums (procentos)
līmētai nelīmētai
koksnei koksnei
Apkurināmās telpās ar temperatūru
līdz 35 °C un relatīvo gaisa mitrumu:
A1 līdz 60 % 9 20
A2 virs 60 līdz 75 % 12 20
A3 virs 75 līdz 95 % 15 20
Neapkurināmās telpās ar relatīvo
gaisa mitrumu:
B1 līdz 75 % 12 25
B2 virs 75 % 15 25
Ārpus telpām, ja relatīvais gaisa mitrums:
C1 līdz 75 % 12 25
C2 virs 75 % 15 25
Ēku un būvju konstrukcijās:
D1 kuras ir saskarē ar grunti vai atrodas gruntī — 25
D2 kuras tiek pastāvīgi samitrinātas — nav ierobežots
D3 kuras atrodas ūdenī — nav ierobežots
Piezīmes.
1. Ekspluatācijas apstākļu klasē A1 atļauts lietot koka konstrukcijas no līmētas koksnes, ja gaisa relatīvais mitrums nav mazāks par 45 %.
2. Ekspluatācijas apstākļu klasē C1 atļauts lietot koka konstrukcijas no nelīmētas koksnes ar mitrumu līdz 40 %, ja koksne ir aizsargāta pret trupi un ja koksnes izžūšana nepalielina mezglu padevīgumu vai neizraisa to sabrukumu.
9. Tapu, ieliktņu un citu detaļu koksnei jābūt tikai ar taisnām šķiedrām, bez zariem, koksnes vainām un citiem defektiem, un koksnes mitrums nedrīkst pārsniegt 12 %. Detaļas, kuras izgatavotas no koksnes sugām, kas ir neizturīgas pret trupi (piemēram, bērzs, dižskābardis, kļava), antiseptizē pilnīgi (visā šķērsgriezumā).
10. Aprēķinot konstrukciju elementus no apaļkoka, ņem vērā tā raukumu pa garumu, kas visām koku sugām ir 0,8 cm uz 1 m, izņemot lapegli, kurai raukums ir 1 cm uz 1 m.
11. Koka konstrukciju pašmasu nosaka, ņemot koksnes un būvsaplākšņu tilpummasu saskaņā ar 3.pielikumu.
12. Sintētiskās līmes tipu koksnes un būvsaplākšņu līmēšanai izvēlas pēc 2.tabulas.
2.tabula
Salīmējamie materiāli un ekspluatācijas
apstākļu klases (saskaņā ar 1.tabulu) Līmes tips
1. Koks ar koku un koks ar būvsaplāksni — rezorcīna un fenolrezorcīna
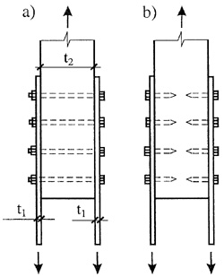
visās ekspluatācijas apstākļu klasēs, izņemot līme
D1, D2 un D3
2. Koks ar koku un koks ar būvsaplāksni — alkilrezorcīna un fenola līme
visās ekspluatācijas apstākļu klasēs, izņemot
A1, D1, D2 un D3
3. Koks ar koku un koks ar būvsaplāksni — karbamīdmelamīna līme
ekspluatācijas apstākļu klasēs A2 un B1
4. Koks ar koku un koks ar būvsaplāksni — karbamīda līme
ekspluatācijas apstākļu klasē A2
Piezīme.
Atļauts lietot arī citas ūdensizturīgas līmes, ja tās nodrošina koka konstrukciju un būvju ilgizturību atbilstoši paredzētajam kalpošanas laikam.
13. Līmētām konstrukcijām lieto būvsaplākšņus, kuri salīmēti ar ūdensizturīgu fenolformaldehīda līmi, kā arī bakelizētos būvsaplākšņus, ja tie atbilst šī būvnormatīva 1.pielikumā noteiktajām prasībām. Atļauts lietot arī citas ūdensizturīgas līmes, ja tās nodrošina būvsaplākšņu ilgizturību atbilstoši paredzētajam kalpošanas laikam.
14. Koka konstrukciju tērauda elementu materiālus ņem saskaņā ar būvnormatīvu LBN 204 “ Tērauda konstrukciju projektēšanas normas ” un LBN 203-97 “ Betona un dzelzsbetona konstrukciju projektēšanas normas ”.
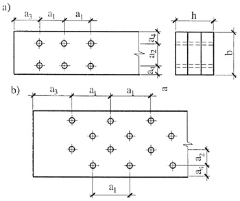
15. Konstrukcijās, kuras ekspluatē tēraudam agresīvā vidē, elementu savienojumos izmanto alumīnija sakausējumus, stiklplastu, kārtaino koksnes plastikātu, kā arī elementus, kas izgatavoti no lapkokiem, kuriem ir cieta koksne.
III. Materiālu raksturlielumu aprēķina vērtības
16. Priedes (izņemot Veimuta priedi), egles, Eiropas un Japānas lapegles koksnes aprēķina pretestības vērtības dotas 3.tabulā.
3.tabula
Aprēķina pretestības vērtības
Spriegumstāvoklis un Apzīmējums (MPa) koksnes šķirām
elementa raksturojums 1.šķira 2.šķira 3.šķira
1. Spiede un virsmas spiede šķiedru
garenvirzienā un liece:
1.1. taisnstūra šķērsgriezuma
elementi ar augstumu līdz 50 cm
(izņemot tabulas 1.2. un R c,0,d; Rloc,0,d
1.3.apakšpunktā minētos) Rm,d 14 13 8,5
1.2. taisnstūra šķērsgriezuma
elementi ar platumu 11–13 cm Rc,0,d; Rloc,0,d
un augstumu 11–50 cm Rm,d 15 14 10
1.3. taisnstūra šķērsgriezuma
elementi ar platumu, kas ir lielāks R c,0,d; Rloc,0,d;
par 13 cm un augstumu 13–50 cm Rm,d 16 15 11
1.4. elementi no apaļkokiem bez R c,0,d; Rloc,0,d
vājinājuma aprēķina šķērsgriezumā Rm,d — 16 10
2. Stiepe šķiedru garenvirzienā:
2.1. viengabala elementi Rt,0,d 10 7 —
2.2. līmētie elementi R t,0,d 12 9 —
3. Spiede un virsmas spiede šķērsām
šķiedrām visā elementa laukumā R c,90,d 1,8 1,8 1,8
4. Virsmas spiede šķērsām šķiedrām
(uz laukuma daļu):
4.1. konstrukciju balstmezglos,
gala iesējumos un elementu
sadursavienojumos Rloc,90,d 3 3 3
4.2. zem bultskrūvju paplāksnēm,
ja spēka virziens ar šķiedrām veido
no 60- līdz 90- leņķi R loc,90,d 4 4 4
5. Skalde šķiedru garenvirzienā:
5.1. liektos viengabala elementos Rv,d 1,8 1,6 1,6
5.2. liektos līmētos elementos R v,d 1,6 1,5 1,5
5.3. gala iesējumos R v,d 2,4 2,1 2,1
5.4. līmētos savienojumos (vietējā) R v,d 2,1 2,1 2,1
6. Skalde šķērsām šķiedrām:
6.1. viengabala elementu savienojumos Rv,90,d 1 0,8 0,6
6.2. līmētu elementu savienojumos R v,90,d 0,7 0,7 0,6
7. Stiepe šķērsām šķiedrām līmētos
elementos Rt,90,d 0,35 0,3 0,25
Piezīmes.
1. Koksnes aprēķina pretestības vērtību virsmas spiedē šķiedru šķērsvirzienā (ja nenoslogotais elementa garums ir lielāks par noslogotās daļas garumu un par elementa biezumu), izņemot tabulas 4.punktā noteiktos gadījumus, nosaka, izmantojot šādu formulu:
Rloc,90,d = Rc,90,d [ 1 + 8 / ( lloc + 1,2 ) ] , kur (1)
Rc,90,d — koksnes a aprēķina pretestības vērtība spiedē un virsmas spiedē visā elementa laukumā šķiedru šķērsvirzienā pēc šīs tabulas 3.punkta;
lloc — virsmas spiedes laukuma garums šķiedru garenvirzienā (centimetros).
2. Koksnes aprēķina pretestības vērtību virsmas spiedē leņķī a pret šķiedru garenvirzienu nosaka, izmantojot šādu formulu:
Rloc,a,d = Rloc,0,d / [ 1 + ( Rloc,0,d / Rloc,90,d – 1) sin3 a]. (2)
3. Koksnes aprēķina pretestības vērtību skaldē leņķī a pret šķiedru garenvirzienu nosaka, izmantojot šādu formulu:
Rv,a,d = Rv,d / [ 1 + ( Rv,d / Rv,90,d – 1) sin3 a]. (3)
4. Būvlaukumā izgatavotām konstrukcijām koksnes aprēķina pretestības vērtību stiepē, kura noteikta saskaņā ar šīs tabulas 2.1.apakšpunktu, samazina par 30 %.
5. Jumta klāju un latojuma 3.šķiras zāģmateriāliem aprēķina pretestības vērtību liecē ņem 13 MPa.
6. Tabulā un šī būvnormatīva tekstā par koksnes šķiedru garenvirzienu uzskatāms virziens, kas orientēts paralēli koksnes šķiedrām, un par šķiedru šķērsvirzienu (šķērsām šķiedrām) — virziens, kas vērsts perpendikulāri koksnes šķiedrām.
7. Tabulā un šī būvnormatīva tekstā aprēķina pretestība dota liektiem elementiem, kuru garenass orientēta paralēli šķiedru virzienam.
8. Koksnes šķiras šajā tabulā noteiktas zāģmateriāliem atbilstoši GOST 8486-86 un apaļkokiem — atbilstoši GOST 9463-88. Var lietot arī zāģmateriālus, kuru kvalitāte noteikta pēc citiem standartiem, — tad aprēķina pretestību vērtības koksnes šķirām nosaka tā, lai to lietošana nodrošinātu aprēķināto koka konstrukciju un būvju ilgizturību atbilstoši paredzētajam kalpošanas laikam.
17. Aprēķina pretestības vērtību citām koku sugām nosaka, reizinot 3.tabulā minētos skaitliskos lielumus ar pārejas koeficientiem gc1, kas doti 4.tabulā.
4.tabula
Koeficients gc1 aprēķina pretestības vērtībām
stiepē, spiedē, spiedē, vietējā skaldē
virsmas spiedē virsmas spiedē šķiedru
Koku sugas šķiedru garen- šķiedru šķērs- garenvirzienā
virzienā un liecē virzienā
Rt,0,d, Rc,0,d, Rc,90,d Rloc,90,d Rv,d
Rloc,0,d, Rm,d
1 2 3 4
1. Skujkoki:
1.1. lapegle (iz ņemot Eiropas
un Japānas lapegli) 1,2 1,2 1
1.2. Sibīrijas ciedrs 0,9 0,9 0,9
1.3. Veimuta priede 0,65 0,65 0,65
1.4. dižegle 0,8 0,8 0,8
2. Lapkoki ar cietu koksni:
2.1. ozols 1,3 2 1,3
2.2. osis, kļava un skābardis 1,3 2 1,6
2.3. akācija 1,5 2,2 1,8
2.4. bērzs un dižskābardis 1,1 1,6 1,3
2.5. goba un vīksna 1 1,6 1
3. Lapkoki ar mīkstu koksni
(alksnis, liepa, apse un vītols) 0,8 1 0,8
Piezīme.
Ja elektropārvades gaisa līniju koka balstiem izmanto neantiseptizētu lapegli (ar mitrumu 25 % vai lielāku), 4.tabulā doto koeficientu g c1 reizina ar 0,85.
18. Trešajā tabulā dotās aprēķina pretestības vērtības reizina ar šādiem konstrukciju darbības apstākļu koeficientiem:
18.1. ar koeficientu gc2 (5.tabula), kas ievērtē konstrukciju ekspluatācijas apstākļu klasi (pēc gaisa mitruma un temperatūras);
5.tabula
Ekspluatācijas
apstākļu klase Koeficients g c2 apstākļu klase Koeficients g c2
(saskaņā ar 1.tabulu)
A1, A2, B1 1 C1, C2, D1 0,85
A3, B2 0,9 D2, D3 0,75
18.2. ar koeficientu gc3 , kas ir 1,0 vai 0,8, ja konstrukcijas pakļautas attiecīgi 35 °C vai 50 °C augstas temperatūras iedarbībai; temperatūras starpvērtībām koeficientu nosaka interpolējot;
18.3. ar koeficientu gc4 = 0,8 konstrukcijām, kurās spriegumi no pastāvīgām un ilgstošas darbības mainīgām slodzēm pārsniedz 80 % no kopējā spriegumu lieluma, kas noteikts no visām slodzēm;
18.4. ar koeficientu gc5 (6.tabula) konstrukcijām, uz kurām darbojas īslaicīgās slodzes (vēja, montāžas vai apledojuma slodzes), elektropārvades līniju vadu nostiepuma vai pārraušanas slodzes;
6.tabula
Koeficients gc5
visiem koksnes
Slodzes pretestības veidiem, virsmas spiedei
izņemot virsmas spiedi šķiedru šķērsvirzienā
šķiedru šķērsvirzienā
1. Vēja un montāžas slodzes
(izņemot tabulas 2. un
3.punktā minētās) 1,2 1,4
2. Elektropārvades gaisa
līniju apledojuma, montāžas,
vēja slodzes apledojuma
laikā vai vadu nostiepuma
slodzes temperatūrā, kas
zemāka par gada vidējo
temperatūru 1,4 5 1,6
3. Elektropārvades gaisa
līniju vadu un trošu
pārraušanas slodzes 1,9 2,2
18.5. ar koeficientu gc6 (7.tabula) aprēķina pretestības vērtības liecē un spiedē šķiedru garenvirzienā liektām, ekscentriski spiestām, spiesti liektām un spiestām līmētām konstrukcijām un elementiem ar taisnstūrveida šķērsgriezumu, ja to augstums ir lielāks par 50 cm;
7.tabula
Šķērsgriezuma 50 un 60 70 80 100 120 un
augstums (cm) mazāk vairāk
Koeficients gc6 1 0,96 0,93 0,90 0,85 0,8
18.6. ar koeficientu gc7 (8.t abula) aprēķina pretestības vērtības liecē, skaldē un spiedē šķiedru garenvirzienā, liektām, ekscentriski spiestām, spiesti liektām un spiestām konstrukcijām un elementiem atkarībā no salīmējamo kārtu biezuma;
8.tabula
Kārtas biezums (mm) 19 un mazāk 26 33 42
Koeficients gc7 1,1 1,05 1 0,95
18.7. ar koeficientu gc8 (9.tabula) aprēķina pretestības vērtības stiepē, spiedē un liecē liekti līmētām konstrukcijām un elementiem;
9.tabula
Spriegum- Aprēķina Koeficients g c8 , ja attiecība r i / t ir
stāvoklis pretestību 150 200 250 500
apzīmējums un vairāk
Spiede un liece Rc,0,d, Rm,d, 0,8 0,9 1 1
Stiepe Rt,0,d 0,6 0,7 0,8 1
Piezīme.
ri — dēļa liekuma rādiuss;
t — dēļa biezums radiālā virzienā.
18.8. ar koeficientu gc9 = 0,8 stieptiem elementiem ar vājinājumu aprēķina šķērsgriezumā un liektiem apaļkoka elementiem ar iecirtumiem aprēķina šķērsgriezumā;
18.9. ar koeficientu gc10 = 0,9 elementiem, kuri dziļi (zem spiediena) piesūcināti ar antipirēniem.
19. Būvsaplākšņa aprēķina pretestību vērtības dotas 10.tabulā. Būvsaplākšņa aprēķina pretestības vērtības reizina ar konstrukciju darbības apstākļu koeficientiem g c2, gc3, gc4, gc5, gc10 saskaņā ar šī būvnormatīva 18.1., 18.2., 18.3., 18.4. un 18.9.apakšpunktu.
10.tabula
Aprēķina pretestības vērtība (MPa)
stiepē spiedē liecē skalde cirpe
loksnes loksnes perpen- loksnes perpen-
Saplākšņa veids plaknē plaknē dikulāri plaknē dikulāri
loksnes loksnes
plaknei plaknei
Rp,t,0,d Rp,c,0,d Rp,m,d Rp,v,0,d Rp,v,90,d
1. Ar fenolformaldehīda līmi
l īmēts mitrumizturīgs bērza
būvsaplāksnis:
1.1. no septiņām finierskaidas kārtām,
8 mm biezs un biezāks:
1.1.1. ārējo kārtu šķiedru
garenvirzienā 14 12 16 0,8 6
1.1.2. ārējo kārtu šķiedru šķērsvirzienā 9 8,5 6,5 0,8 6
1.1.3. 45- leņķī pret ārējo kārtu
šķiedru garenvirzienu 4,5 7 — 0,8 9
1.2. no piecām finierskaidas
kārtām, 5 –7 mm biezs:
1.2.1. ārējo kārtu šķiedru
garenvirzienā 14 13 18 0,8 5
1.2.2. ārējo kārtu šķiedru šķērsvirzienā 6 7 3 0,8 6
1.2.3. 45- leņķī pret ārējo kārtu
šķiedru garenvirzienu 4 6 — 0,8 9
2. Ar fenolformaldehīda līmi
līmēts, mitrumizturīgs lapegles
būvsaplāksnis no septiņām
finierskaidas kārtām, 8 mm
biezs un biezāks:
2.1. ārējo kārtu šķiedru garenvirzienā 9 17 18 0,6 5
2.2. ārējo kārtu šķiedru šķērsvirzienā 7,5 13 11 0,5 5
2.3. 45- leņķī pret ārējo kārtu
šķiedru garenvirzienu 3 5 — 0,7 7,5
3. Bakelizētais būvsaplāksnis,
7 mm biezs un biezāks:
3.1. ārējo kārtu šķiedru garenvirzienā 32 28 33 1,8 11
3.2. ārējo kārtu šķiedru šķērsvirzienā 2 4 23 25 1,8 12
3.3. 45- leņķī pret ārējo kārtu
šķiedru garenvirzienu 16,5 21 — 1,8 16
Piezīme.
Aprēķina pretestības vērtības virsmas spiedē un spiedē perpendikulāri loksnes plaknei ar fenolformaldehīda līmi līmētam bērza būvsaplāksnim ir R p,loc,90,d = 4 MPa, bakelizētam būvsaplāksnim — Rp,c,90,d = Rp,loc,90,d = 8 MPa.
20. Aprēķina pretestību vērtības un elastības moduļa raksturīgos lielumus tēraudam un tā savienojumiem ņem saskaņā ar LBN 204 “ Tērauda konstrukciju projektēšanas normas ” , bet stiegru tēraudam — saskaņā ar LBN 203-97 “ Betona un dzelzsbetona konstrukciju projektēšanas normas ” . Aprēķina pretestības vērtību stiegru tērauda savilcēm, vājinātām ar vītni, reizina ar koeficientu g c = 0,8, bet savilcēm no cita būvtērauda ņem saskaņā ar LBN 204 “ Tērauda konstrukciju projektēšanas normas ” kā normālas precizitātes skrūvēm. Aprēķina pretestības vērtību dubultām savilcēm samazina, reizinot ar koeficentu g c = 0,85.
21. Koka konstrukciju otrās grupas robežstāvokļu aprēķinos:
21.1. koksnes elastības modulis šķiedru garenvirzienā E = 10000 MPa un šķiedru šķērsvirzienā E 90 = 400 MPa;
21.2. koksnes bīdes modulis, kas raksturo leņķa izmaiņu starp asīm, kuras vērstas šķiedru garenvirzienā un perpendikulāri koksnes šķiedru virzienam, G 0,90 = 500 MPa;
21.3. koksnes Puasona koeficients, kas raksturo izmēra izmaiņu perpendikulāri šķiedrām, ja pielikts normālspriegums koksnes šķiedru garenvirzienā, ir n 90,0 = 0,5. Puasona koeficients, kas raksturo izmēru izmaiņu koksnes šķiedru garenvirzienā, ja pielikts normālspriegums perpendikulāri šķiedrām, ir n 90,0= 0,02;
21.4. būvsaplākšņa elastības modulis E p , bīdes modulis G p, Puasona koeficients np loksnes plaknē otrās grupas robežstāvokļu aprēķinos atbilst 11.tabulai;
11.tabula
Elastības Bīdes Puasona
Saplākšņa veids modulis modulis koeficients
Ep (MPa) Gp (MPa) np
1. Ar fenolformaldehīda līmi līmēts mitrumizturīgs
bērza septiņkārtu un pieckārtu būvsaplāksnis:
1.1. ārējo kārtu šķiedru garenvirzienā 9000 750 0,085
1.2. ārējo kārtu šķiedru šķērsvirzienā 6000 750 0,065
1.3. 45- leņķī pret ārējo kārtu šķiedru virzienu 2500 3000 0,6
2. Ar fenolformaldehīda līmi līmēts mitrumizturīgs
lapegles septiņkārtu būvsaplāksnis:
2.1. ārējo kārtu šķiedru garenvirzienā 7000 8000 0,07
2.2. ārējo kārtu šķiedru šķērsvirzienā 5500 800 0,06
2.3. 45- leņķī pret ārējo kārtu šķiedru virzienu 2000 2200 0,6
3. Bakelizētais būvsaplāksnis:
3.1. ārējo kārtu šķiedru garenvirzienā 12000 1000 0,085
3.2. ārējo kārtu šķiedru šķērsvirzienā 8500 1000 0,065
3.3. 45- leņķī pret ārējo kārtu šķiedru virzienu 3500 4000 0,7
Piezīme.
np — Puasona koeficients, kas raksturo izmēru izmaiņu būvsaplākšņa loksnes plaknē perpendikulāri elastības moduļa E p noteik?anas virzienam.
21.5. elastības modulis koksnes un būvsaplākšņa konstrukciju (izņemot elektropārvades līniju balstus) noturības aprēķinos un aprēķinos pēc deformētās shēmas ir: koksnei E def = 300Rc,0,d, kur Rc,0,d atbilst 3.tabulai; būvsaplāksnim E p,def = 250Rp,c,o,d, kur Rp,c,o,d atbilst 10.tabulai. Bīdes moduļi, kas raksturo leņķa izmaiņu starp šķiedru garenvirzienu un šķērsvirzienu, ir: koksnei G 0,90,def = 0,05Edef , būvsaplāksnim G p,def = Gp Ep,def / Ep, kur Ep un Gp atbilst 11.tabulai;
21.6. koksnes un būvsaplākšņa elastības un bīdes moduļus reizina ar darbības apstākļu koeficientiem g c2, gc3 un gc4 (18.punkts), ja konstrukciju ekspluatācijas laikā ietekmē paaugstināta temperatūra, kā arī vienlaikus pastāvīga un mainīga ilgstošā slodze.
IV. Koka konstrukciju elementu aprēķins pēc nestspējas robežstāvokļiem (pirmā robežstāvokļu grupa)
4.1. Cent riski stieptu un centriski spiestu elementu aprēķins
22. Centriski stieptus elementus aprēķina saskaņā ar šādu stiprības nosacījumu:
Nd / Anet £ Rt,0,d gc,i , kur (4)
Nd — aprēķina spēks šķiedru garenvirzienā;
Anet — elementa šķērsgriezuma neto laukums;
Rt,0,d — koksnes aprēķina pretestība stiepē šķiedru garenvirzienā;
gc,i — attiecīgie darbības apstākļu koeficienti (17. un 18.punkts), kur indekss i = 1, 2, .., 10.
Aprēķinot elementa šķērsgriezuma neto laukumu A net , pieņem, ka visi vājinājumi, kas elementā izvietoti 200 mm garā posmā, ir savietoti vienā šķēlumā.
23. Centriski spiestus viengabala elementus pārbauda:
23.1. pēc stiprības nosacījuma:
Nd / Anet £ Rc,o,d gc,i ; (5)
23.2. pēc noturības nosacījuma:
Nd / ( j Ad ) £ Rc,o,d gc,i , kur (6)
j — garenlieces (ļodzes) koeficients, kuru nosaka saskaņā ar 24.punktu;
Rc,o,d — koksnes aprēķina pretestība spiedē šķiedru garenvirzienā;
Ad — elementa šķērsgriezuma aprēķina laukums;
23.3. elementa šķērsgriezuma aprēķina laukums ir:
23.3.1. vienāds ar elementa šķērsgriezuma bruto laukumu, ja nav vājinājumu vai ja tie neskar elementa šķautnes un to laukums nepārsniedz 25 % no šķērsgriezuma bruto laukuma (1.a zīmējums);
23.3.2. vienāds ar elementa šķērsgriezuma neto laukuma četrām trešdaļām (A d = 4/3 Anet ), ja vājinājumi neskar elementa šķautnes, bet to laukums pārsniedz 25 % no šķērsgriezuma bruto laukuma;
23.3.3. vienāds ar elementa šķērsgriezuma neto laukumu, ja vājinājumi ir simetriski un skar elementa šķautnes (1.b zīmējums).
1.zīmējums
Spiesti elementi ar simetriski vājinātu šķērsgriezumu
a — vājinājums neskar elementa šķautnes; b — vājinājums skar elementa šķautnes
24. Garenlieces koeficientu j nosaka:
24.1. ja elementa lokanums l £ 70,
j = 1 — kj1 (l / 100)2 ; (7)
24.2. ja elementa lokanums l > 70,
j = kj2 / l2 . (8)
Piezīmes.
1. Koksnei kj1 = 0,8 un kj2 = 3000.
2. Saplāksnim k j1 = 1 un kj2 = 2500.
25. Viengabala elementu lokanumu (lokāmību) aprēķina:
l = l ef / i, kur (9)
l ef — elementa aprēķina garums;
i — inerces rādiuss pret elementa šķērsgriezuma bruto laukuma galvenajām asīm (x vai y).
26. Elementa aprēķina garumu l ef nosaka saskaņā ar šī būvnormatīva 4.4.apakšnodaļu.
27. Saliktiem elementiem (2.zīmējums), kuru kārtas sasaistītas padevīgi un kuri balstīti pa visu šķērsgriezumu, stiprības un noturības aprēķinu veic, izmantojot formulas (5) un (6), kur A net un Ad nosaka kā visu kārtu summāro laukumu. Saliktu elementu lokanumu l nosaka, ievērojot kārtu saistījuma padevīgumu:
l = ÷(myly)2 + l12, kur (10)
ly — saliktā elementa lokanums pret y asi, kas aprēķināts pēc saliktā elementa aprēķina garuma l ef , neievērojot saistījuma padevīgumu;
l1 — saliktā elementa atsevišķās kārtas lokanums pret pašas simetrijas asi, kas paralēla y asij (2.zīmējums);
my — saliktā elementa lokanuma redukcijas koeficients, ko aprēķina, izmantojot šādu formulu:
my =÷ 1 + kjbhnsp / ( l ef2nj) , kur (11)
b un h — saliktā elementa šķērsgriezuma laukuma platums un augstums centimetros;
l ef — saliktā elementa aprēķina garums metros;
nsp — nobīdes plakņu (šuvju) skaits saliktajā elementā, pa kurām notiek (ir iespējama) blakus esošo kārtu savstarpējā nobīde;
nj — saišu (tapu, naglu) skaits vienā šuvē uz vienu elementa metru (ja to skaits dažādām šuvēm ir dažāds, pieņem vidējo skaitu visām šuvēm);
kj — saites padevīguma koeficients, kuru aprēķina, izmantojot 12.tabulā dotās formulas.
2.zīmējums
Salikta šķērsgriezuma elementi
a, b — visas kārtas ir vienmērīgi noslogotas; c, d — daļa kārtu nav atbalstītas
12.tabula
Saišu veids Koeficients kj
centriska spiede spiesti liekts
1. Naglas 1 / (10d2) 1 / (5d2)
2. Cilindriskas tērauda tapas:
2.1. tapu diametrs ir mazāks vai vienāds ar
1/7 no savienojamo kārtu biezuma 1 / (5d 2) 1 / (2,5 d2)
2.2. tapu diametrs ir lielāks par 1/7 no
savienojamo kārtu biezuma 1,5 / (td) 3 / (td)
3. Cilindriskas ozola tapas 1/d2 1,5/d2
4. Plakanas ozola tapas — 1,4 / (tfd bfd)
5. Līme 0 0
Piezīmes.
1. Naglu un tapu diametrs d, elementu kārtu biezums t, plakano tapu platums b fd un biezums tfd mērāms centimetros.
2. Koeficienta kj vērtību savienojumos, kas sasaistīti ar cilindriskām tērauda tapām, nosaka pēc plānākās savienojamās kārtas biezuma t.
3. Nosakot koeficientu kj , naglu diametrs nedrīkst pārsniegt 1/10 no plānākās savienojamās kārtas biezuma.
4. Nosakot koeficientu kj , ozola cilindrisko tapu diametrs nedrīkst pārsniegt 1/4 no plānākās savienojamās kārtas biezuma.
27.1. saliktos elementos kārtu saistījuma vietas (saites) izvieto vienmērīgi visā elementa garumā;
27.2. taisnos, locīklveidīgi balstītos elementos atļauts to garuma vidējās ceturtdaļās izvietot uz pusi mazāk saišu nekā malējos posmos. Šādā gadījumā formulā (11) n j atbilst saišu skaitam elementa garuma malējās ceturtdaļās;
27.3. ja naglu iespīlēto galu aprēķina garums ir mazāks par 4 d, tad tiem tuvākās starpkārtu nobīdes plaknes aprēķinā neņem vērā;
27.4. saliktu elementu lokanumu, kas noteikts, izmantojot formulu (10), pieņem ne lielāku par atsevišķu kārtu kopējo lokanumu l, kas aprēķināts, izmantojot šādu formulu:
l = l ef / ÷SIbr,j / Abr , kur (12)
āI br,i — atsevišķo kārtu šķērsgriezuma bruto laukumu inerces momentu summa, kuri noteikti pret kārtu asīm, kuras paralēlas y asij (2.zīmējums);
Abr — elementa šķērsgriezuma bruto laukums;
l ef — elementa aprēķina garums;
27.5. ja saliktu elementu kārtām ir dažāds šķērsgriezums, tad atsevišķas kārtas lokanums l 1 formulā (10) ir:
l1 = l 1 / ÷SIbr,j / Abr ; (13)
27.6. kārtas aprēķina garumu l 1 nosaka saskaņā ar 2.zīmējumu;
27.7. saliktu elementu lokanumu pret asi, kas iet caur visu kārtu šķērsgriezuma laukumu smagumcentriem (x ass), ja visas kārtas ir vienmērīgi noslogotas (2.a un 2.b zīmējums), nosaka kā viengabala elementiem;
27.8. ja saliktu elementu kārtas ir noslogotas nevienmērīgi, ievēro šī būvnormatīva 28.punktā minētos nosacījumus.
28. Saliktus elementus, kuru kārtas saistītas padevīgi un daļa no tām galos nav atbalstīta (2.c un 2.d zīmējums), aprēķina, izmantojot formulas (5) un (6), ievērojot šādus nosacījumus:
28.1. elementu šķērsgriezuma laukumus A net un Ad aprēķina tikai pēc atbalstīto kārtu šķērsgriezuma laukumiem;
28.2. elementu lokanumu pret y asi (2.z īmējums) nosaka, izmantojot formulu (10), un, aprēķinot šķērsgriezuma laukuma inerces momentu, ievērtē visas kārtas;
28.3. elementu lokanumu pret x asi (2.zīmējums) nosaka, izmantojot formulu (9), kur šķērsgriezuma laukuma inerces moments ir visu atbalstīto kārtu un puses neatbalstīto kārtu inerces momentu summa.
29. Centriski spiestam elementam, kam šķērsgriezums mainās pa augstumu, aprēķinu veic saskaņā ar noturības nosacījumu:
Nd / (j Amax kst,N) £ Rc gc,i , kur (14)
Amax — elementa šķērsgriezuma bruto laukums ar maksimāliem izmēriem;
kst,N — koeficients, ar kuru ievērtē elementa šķērsgriezuma laukuma mainīgumu un kuru nosaka pēc šī būvnormatīva 4.pielikuma 1.tabulas (elementiem ar nemainīgu šķērsgriezuma laukumu k st,N = 1);
j — garenlieces koeficientu nosaka saskaņā ar šī būvnormatīva 24.punktu lokanumam, kurš atbilst elementa šķērsgriezuma laukumam ar maksimāliem izmēriem.
4.2. Liektu elementu aprēķins
30. Koka elementu lieces pretestību pēc normālspriegumiem, ja elementu noturība darbības plaknē ir nodrošināta (34. un 35.punkts), aprēķina šādi:
Md / Wd £ Rm,d gc,i , kur (15)
Md — lieces momenta aprēķina vērtība;
Rm,d — koksnes aprēķina pretestība liecē;
Wd — elementa šķērsgriezuma laukuma pretestības momenta aprēķina vērtība. Viengabala elementiem W d = Wnet ; saliktiem elementiem, kuru kārtas sasaistītas padevīgi un attiecīgajā slogojumā iespējama to savstarpēja nobīde, pretestības momenta aprēķina vērtību nosaka kā šķērsgriezuma neto laukuma pretestības momenta W net reizinājumu ar saišu padevīguma koeficientu kw; koeficienta kw vērtība elementiem, kuri sastāv no vienādām kārtām, dota 13.tabulā. Aprēķinot W net , visus vājinājumus, kas izvietoti aprēķina lieces momenta darbības zonā 200 mm garā posmā, uzskata par savietotiem vienā šķēlumā.
13.tabula
Kārtu skaits Koeficientu vērtības saliktu liektu elementu
Koeficienti elementā aprēķinam, ja to laidums ir (m)
2 4 6 9 un vairāk
2 0,7 0,85 0,9 0,9
kw 3 0,6 0,8 0,85 0,9
10 0,4 0,7 0,8 0,85
2 0,45 0,65 0,75 0,8
kst 3 0,25 0,5 0,6 0,7
10 0,07 0,2 0,3 0,4
Piezīmes.
1. Laiduma un kārtu skaita starpvērtībām koeficientus nosaka interpolējot.
2. Koeficienta kst lietojums noteikts šī būvnormatīva 58.punktā.
31. Liektu elementu skaldes pretestību aprēķina:
Qd Sbr / ( Ibr bd ) £ Rv,d gc,i , kur (16)
Qd — šķērsspēka aprēķina vērtība;
Sbr — elementa šķērsgriezuma daļas bruto laukuma, kas atrodas vienā pusē no nobīdes plaknes, statiskais moments pret neitrālo asi;
Ibr — elementa šķērsgriezuma bruto laukuma inerces moments pret neitrālo asi;
bd — šķērsgriezuma aprēķina platums nobīdes plaknē;
Rv,d — koksnes aprēķina pretestība skaldē liektam elementam.
32. Liektos saliktos elementos saišu (tapu, naglu) skaitam, kuras vienmērīgi izvietotas pa starpkārtu šuvēm posmā ar nemainīgas zīmes šķērsspēka epīru, jāatbilst šādam nosacījumam:
nj ? 1,5 ( MB – MA ) Sbr / ( Tj Ibr ) , kur (17)
nj — saišu skaits;
Tj — vienas saites nestspēja vienā nobīdes plaknē;
MA, MB — lieces momenti elementa apskatāmā posma sākuma (A) un beigu (B) šķēlumos.
Piezīme.
Ja salikta liekta elementa šuvē ir saites ar dažādu nestspēju, bet vienādas pēc darbības rakstura (piemēram, tapas un naglas), tad to nestspējas vērtības summē.
33. Viengabala elementu pretestību greizā liecē aprēķina:
Mx,d / Wx,net + My,d /W y,net £ Rm,d gc,i , kur (18)
Mx,d un My,d — lieces momentu aprēķina lielumi ap šķērsgriezuma galvenajām (x un y) asīm;
Wx,net un Wy,net — elementa neto šķērsgriezuma pretestības momenti pret galvenajām (x un y) asīm.
34. Taisnstūra šķērsgriezuma liektu elementu noturību lieces plaknē pārbauda:
Md / ( jM Wbr ) £ Rm,d gc,i , kur (19)
Md — maksimālais lieces moments attiecīgajā posmā l 1;
Wbr — maksimālais šķērsgriezuma bruto laukuma pretestības moments posmā l 1;
jM — koeficients, kuru nosaka saskaņā ar 35.punktu.
35. Taisnstūra šķērsgriezuma liektiem elementiem, kuri locīklveidā nostiprināti pret izkļaušanos no lieces momenta darbības plaknes un kuru balsta šķēlumi nevar pagriezties ap elementa garenasi, koeficientu j M nosaka, izmantojot šādu formulu:
jM = 140 b2 kf / ( l 1 h) , kur (20)
l 1 — attālums starp elementa balsta šķēlumiem (ja elementa spiestā zona nostiprināta pret izkļaušanos arī starp balstiem, — attālums starp nostiprinājuma vietām);
b — elementa šķērsgriezuma laukuma platums;
h — elementa šķērsgriezuma laukuma maksimālais augstums posmā l 1;
kf — koeficients, kas atkarīgs no lieces momenta epīras formas posmā l 1 un kuru pieņem saskaņā ar šī būvnormatīva 4.pielikuma 2.tabulu;
35.1. koeficientu jM liektiem elementiem ar lineāri mainīgu šķērsgriezuma augstumu un nemainīgu platumu, kas aprēķināts, i zmantojot formulu (20), reizina ar papildu koeficientu kst,M , kuru nosaka saskaņā ar šī būvnormatīva 4.pielikuma 2.tabulu;
35.2. ja liekta elementa šķērsgriezuma spiestā daļa nav nostiprināta pret izkļaušanos no lieces momenta darbības plaknes, aprēķina garums l 1 formulā (20) ir vienāds ar galos nostiprinātā elementa laidumu. Šajā gadījumā, nosakot koeficientu k st,M , lieces momenta epīras formu un mainīgo šķērsgriezuma laukumu ņem visam laidumam;
35.3. ja liektam elementam šķērsgriezuma spiestā daļa ir nostiprināta pret izkļaušanos no lieces momenta darbības plaknes m vietās ar vienmērīgu soli, tad aprēķina garums l 1 = l / (m + 1). Šajā gadījumā, nosakot koeficientu k st,M , lieces momenta epīras formu un mainīgo šķērsgriezuma laukumu ņem aprēķina garuma l 1 robežās. Ja m ? 4, koeficients kst,M = 1;
35.4. ja liektam elementam pret izkļaušanos no lieces momenta darbības plaknes ir nostiprināta tikai šķērsgriezuma stieptā daļa, tad aprēķina garums l 1 ir vienāds ar elementa laidumu. Šajā gadījumā, nosakot koeficien tu kst,M , lieces momenta epīras formu un mainīgo šķērsgriezuma laukumu ņem visam laidumam.
36. Koeficientu jM , kas noteikts, izmantojot formulu (20), liektiem elementiem, kuru noturību lieces momenta darbības plaknē nodrošina šķērsgriezuma stieptās daļas papildu nostiprinājumi, kuri izvietoti posmā l 1, reizina ar papildu koeficientu k1,M:
k1,M = 1 + [0,142 l 1 / h + 1,76 h / l 1 + 1,4 a1 –1] [m2 / (m2 + 1)] , kur (21)
a1 — lokveida elementa centra leņķis posmā l1 radiānos (taisniem elementiem a 1 = 0);
m — elementa šķērsgriezuma stieptās daļas papildu nostiprinājuma vietu skaits posmā l 1 (ja m ? 4, lielumu m2 / (m2 + 1) pieņem vienādu ar 1).
37. Nemainīga dubultā T veida un kārbveida šķērsgriezuma liektu elementu noturību momenta darbības plaknē pārbauda, ja l 1 ? 7bf , izmantojot šādu formulu:
Md / (jWbr) £ Rc,0,d gc,i , kur (22)
bf — elementa šķērsgriezuma spiestā plaukta platums;
j — spiestā plaukta garenlieces koeficients perpendikulāri momenta darbības plaknei, kuru nosaka atbilstoši šī būvnormatīva 24.punkta m;
Rc,0,d — koksnes aprēķina pretestība spiedē šķiedru garenvirzienā;
Wbr — elementa šķērsgriezuma bruto laukuma pretestības moments; ja ir būvsaplākšņa sieniņas, tad W br nosaka kā reducēto pretestības momentu lieces plaknē;
gc,i — atbilstoši šī būvnormatīva 17. un 18.punktam.
4.3. Asspēka un lieces momenta vienlaicīgai iedarbībai
pakļautu elementu aprēķins
38. Ekscentriski stieptu, kā arī stiepti liektu elementu pretestību nosaka:
Nd / Ad + Md Rt,0,d gc,i / (Wd Rm,d gc,i ) £ Rt,0,d gc,i , kur (23)
Wd — e lementa šķērsgriezuma laukuma aprēķina pretestības moments, kas noteikts atbilstoši šī būvnormatīva 30.punktam;
Ad — elementa aprēķina šķērsgriezuma neto laukums.
39. Ekscentriski spiestu, kā arī spiesti liektu elementu pretestību aprēķina, izmantojot šādu formulu:
Nd / Ad + Mdef / Wd £ Rc,0,d gc,i , kur (24)
Mdef — lieces moments no garenvirziena un šķērsvirziena slodžu iedarbības, kas noteikts elementa deformētā stāvoklī.
Piezīmes.
1. Locīklveidīgi balstītiem elementiem ar simetriskām sinusoidālām, paraboliskām, poligonālām vai tām tuvām lieces momentu epīrām, kā arī konsolveida elementiem M def nosaka, izmantojot šādu formulu:
Mdef = Md / x , kur (25)
Md — lieces moments aprēķina šķēlumā bez garenspēka un izlieces radītā papildu momenta.
2. Koeficientu x, ar kuru ievērtē garenspēka un izlieces radīto papildu momentu un kura vērtība mainās no 0 līdz 1, aprēķina, izmantojot šādu formulu:
x = 1 – Nd / ( j Rc,0,d Abr ) , kur (26)
j — garenlieces koeficients, kas aprēķināts, izmantojot formulu (8), saskaņā ar šī būvnormatīva 24.punktu.
3. Ja spiesti liekta, locīklveidīgi balstīta elementa lieces momenta epīrai ir trīsstūra vai taisnstūra forma, koeficientu x, kas noteikts, izmantojot formulu (26), reizina ar papildu koeficientu k f,1:
kf,1 = af,1 + x ( 1 – af,1) , kur (27)
af,1 — koeficients, kas ir 1,22 lieces momenta epīrai ar trīsstūra formu (no koncentrēta spēka) un 0,81 lieces momenta epīrai ar taisnstūra formu (no nemainīga momenta).
4. Locīklveidīgi balstītos, nesimetriski slogotos elementos lieces momenta M def vērtību aprēķina, izmantojot šādu formulu:
Mdef= Ms / xs + M0 / x0 , kur (28)
Ms ; M0 — slodzes simetriskās un asimetriskās komponentes radītie lieces momenti elementa aprēķina šķēlumā;
xs; x0 — koeficienti, kas aprēķināti, izmantojot formulu (26), garenlieces simetriskai un asimetriskai formai atbilstošiem lokanumiem.
5. Spiesti liektiem elementiem, kas iespīlēti vienā vai abos galos, aprēķinā ņem vērā iespīlējuma padevīgumu, koksnei deformējoties virsmas spiedē. To ievērtē noturības aprēķinā, palielin ot koeficienta m0 vērtības (43.1.2., 43.1.3. un 43.1.4.apakšpunkts).
6. Spiesti liektiem elementiem ar mainīgu šķērsgriezuma augstumu formulā (26) garenlieces koeficientu j reizina ar koeficientu k st,N , kas noteikts pēc šī būvnormatīva 4.pielikuma 1.tabulas, un A br vietā ņem A max.
7. Ja lieces un spiedes izraisītā normālspriegumu attiecība ir 0,1 un mazāka, tad spiesti liektam elementam papildus pārbauda noturību, izmantojot formulu (6), neievērojot lieces momentu.
40. Spiesti liektu elementu noturību momenta darbības plaknē pārbauda šādi:
Nd / ( jy Rc,0,d Abr ) + [Mdef / ( jM Rm,d Wbr )]n £ 1, kur (29)
Abr — elementa šķērsgriezuma bruto laukums ar maksimāliem izmēriem posmā l 1;
Wbr — nosaka saskaņā ar šī būvnormatīva 34.punktu;
n — kāpinātājs, nemainīga šķērsgriezuma spiesti liektiem elementiem; n = 1, ja to noturību momenta darbības plaknē nodrošina šķērsgriezuma stieptās daļas papildu nostiprinājumi, kas izvietoti posmā l 1 ; n = 2, ja to noturība momenta darbības plaknē nav nodrošināta ar šķērsgriezuma stieptās daļas papildu nostiprinājumiem, kas izvietoti posmā l 1;
jy — garenlieces koeficients posmā l 1 , kas noteikts perpendikulāri momenta darbības plaknei (y asij) un aprēķināts, izmantojot formulu (8);
jM — koeficients, kas aprēķināts, izmantojot formulu (20).
Piezīmes.
1. Koeficientu jy un jM vērtība var būt lielāka nekā vieninieks.
2. Ja jy >1 un jM >1, tad nav jāpārbauda elementa noturība lieces momenta darbības plaknē.
3. Ja lielāks par vieninieku ir tikai viens no koeficientiem (j y vai jM), tad elementa noturību momenta darbības plaknē pārbauda, izmantojot formulu (29), ievietojot tajā aprēķinātās j y un jM vērtības.
40.1. ja spiesti liektiem elementiem bez šķērsgriezuma spiestās daļas nostiprinājuma pret izkļaušanos no lieces momenta darbības plaknes posmā l 1 ir papildu nostiprinājumi arī šķērsgriezuma stieptajai daļai, koeficientu j M reizina ar papildu koeficientu k1,M , kas aprēķināts, izmantojot formulu (21), bet koeficientu j y reizina ar papildu koeficientu k1,N , kas aprēķināts, izmantojot formulu:
k1,N = 1 + [0,75 + 0,06 ( l 1 / h)2 + 0,6 a1 ( l 1 / h) – 1] [m2 / (m2 + 1)] , kur (30)
a1 ; l 1 ; m — atbilstoši šī būvnormatīva 36.punktam;
40.2. ja spiesti liektiem elementiem ar mainīgu šķērsgriezuma augstumu ir šķērsgriezuma spiestās daļas nostiprinājumi pret izkļaušanos no momenta darbības plaknes (ar soli l 1 ), bet nav papildu nostiprinājumu šķērsgriezuma stieptajai daļai posmā l 1 , aprēķinot elementus deformētā stāvoklī, izmantojot formulu (29), koeficientus j y un jM reizina ar papildu koeficientiem kst,N un kst,M , kas aprēķināti pēc šī būvnormatīva 4.pielikuma 1. un 2.tabulas. Tāpat aprēķina, ja šķērsgriezuma spiestās daļas nostiprinājumu skaits m < 4.
Ja m ? 4, kst,N = kst,M = 1.
41. Saliktos spiesti liektos elementos, ja visvairāk piepūlētās kārtas aprēķina garums pārsniedz septiņus kārtas biezumus, pārbauda tās noturību:
Nd / Abr + Mdef / Wbr £ j1 Rc,0,d gc,i , kur (31)
j1 — elementa kārtas garenlieces koeficients, kas noteikts aprēķina garumam l 1 (27.punkts);
Abr; Wbr — elementa šķērsgriezuma bruto laukums un pretestības moments.
Salikta spiesti liekta elementa noturību perpendikulāri momenta darbības plaknei pārbauda, izmantojot formulu (6), neievērojot lieces momentu.
42. Saliktos spiesti liektos elementos saišu (tapu, naglu) skaitam, kuras vienmērīgi izvietotas pa starpkārtu šuvēm, posmā ar nemainīgas zīmes šķērsspēka epīru un spiedes spēku, kas pielikts visā šķērsgriezuma laukumā, jāatbilst:
nj ? 1,5 Mdef Sbr / ( Tj Ibr) , kur (32)
nj — saišu skaits;
Mdef — lieces moments, kas noteikts saskaņā ar šī būvnormatīva 39.punktu;
Sbr — elementa šķērsgriezuma daļas bruto laukuma statiskais moments pret neitrālo asi, kurš atrodas vienā pusē no nobīdes plaknes;
Tj — vienas saites nestspēja vienā starpkārtu nobīdes plaknē (šuvē);
Ibr — elementa šķērsgriezuma bruto laukuma inerces moments pret neitrālo asi.
4.4. Koka konstrukciju aprēķina garumi un lokanuma robežvērtības
43. Taisna, galos ar asspēku noslogota koka elementa aprēķina garumu l ef nosaka, reizinot tā ģeometrisko garumu l ar koeficientu mo:
l ef = m0 l ; (33)
43.1. koeficienta m0 vērtība ir:
43.1.1. m0 = 1, ja elementa gali nostiprināti locīklveidā, kā arī ja ir locīklveidīgi starpstiprinājumi elementa garumā;
43.1.2. m0 = 0,8, ja elementa viens gals nostiprināts locīklveidā, bet otrs ir iespīlēts;
43.1.3. m0 = 2,2, ja elementa viens gals iespīlēts, bet otrs (noslogotais gals) ir brīvs;
43.1.4. m0 = 0,65, ja elementa abi gali ir iespīlēti;
43.2. ja slodze izvietota vienmērīgi pa visu elementa garumu, koeficienta m 0 vērtība ir:
43.2.1. m0 = 0,73, ja elementa gali nostiprināti locīklveidā;
43.2.2. m0 = 1,2, ja elementa viens gals ir iespīlēts, bet otrs brīvs;
43.3. elementiem, kuri krustojas un krustojuma vietās savstarpēji sastiprināti, pārbaudot noturību konstrukcijas plaknē, par aprēķina garumu pieņem attālumu no balstmezgla centra līdz elementu krustpunktam;
43.4. pārbaudot krusteniski izvietotu elementu noturību perpendikulāri konstrukcijas plaknei, aprēķina garums ir:
43.4.1. ja krustojas divi spiesti elementi — visa elementa garums;
43.4.2. ja krustojas spiests elements ar nenoslogotu — spiestā elementa garuma l1 un koeficienta m 0 reizinājums. Koeficientu m 0 aprēķina:
m0 = 1 / ÷ 1 + l 1l12A2 / ( l 2l22A1) , kur (34)
A1; l 1; l1 — attiecīgi spiestā elementa šķērsgriezuma laukums, viss garums un lokanums;
A2; l 2; l2 — attiecīgi nenoslogotā elementa šķērsgriezuma laukums, garums un lokanums.
Koeficients m0 nedrīkst būt mazāks par 0,5;
43.4.3. ja krustojas spiests elements ar vienādu pēc spēka lieluma stieptu elementu — spiestā elementa lielākais garums no mezgla centra līdz elementu krustpunktam;
43.5. ja elementiem, kas krustojas, ir salikts šķērsgriezuma laukums, tad aprēķinā, izmantojot formulu (34), ņem lokanuma vērtības, kas noteiktas, izmantojot formulu (10).
44. Arkās un velvēs aprēķina garums l ef , aprēķinot deformētā loka pretestību, ir:
44.1. divlocīklu arkām un velvēm, ja slodzes ir simetriskas, l ef = 0,35 S;
44.2. trīslocīklu arkām un velvēm, ja slodzes ir simetriskas, l ef = 0,58 S;
44.3. divlocīklu un trīslocīklu arkām un velvēm, ja slodzes ir asimetris kas:
l ef = p S / (2 p2 – a2), kur (35)
S — arkas vai velves loka garums starp balstlocīklām;
a — pusarkas centra leņķis radiānos;
44.4. trīslocīklu smailloka arkām, kuru kores lūzuma leņķis ir lielāks par 10-, visu veidu slodzēm l ef = 0,5 S;
44.5. trīslocīklu arkām, ja slodzes ir asimetriskas, l ef = 0,58 S;
44.6. aprēķina garums divlocīklu un trīslocīklu arkās un velvēs, aprēķinot noturību liekuma plaknē, ir l ef = 0,58 S.
45. Aprēķina garums trīslocīklu rāmja elementiem stiprības aprēķinā rāmja plaknē ir pusrāmja garums pa ass līniju. Aprēķina garums trīslocīklu rāmja elementiem noturības aprēķinā rāmja plaknē ir:
45.1. rāmjiem no taisniem elementiem, ja leņķis starp rīģeļa un stata asīm dzegas mezglā ir lielāks par 130-, pusrāmja garums pa ass līniju;
45.2. rāmjiem no taisniem elementiem, ja leņķis starp rīģeļa un stata asīm dzegas mezglā ir mazāks par 130-, — stata un rīģeļa aprēķina garums ir lielākais attālums starp malējo skaldņu nostiprinājuma vietām;
45.3. rāmjiem no liektiem elementiem aprēķina garums ir pusrāmja garums pa ass līniju.
46. Koka konstrukciju elementu un to atsevišķo kārtu lokanums (lokāmība) nedrīkst pārsniegt 14.tabulā dotās robežvērtības.
14.tabula
Konstrukciju elementu nosaukumi Lokanuma
robežvērtības, l u
1. Spiestās joslas, balstatgāžņi un stati virs balsta kopnēm;
kolonnas 120
2. Pārējie kopņu un rāmju spiestie elementi 150
3. Spiestie saišu elementi (spraišļi) 200
4. Kopņu stieptās joslas vertikālā plaknē 150
5. Pārējie stieptie elementi kopnēm un citām režģotām konstrukcijām 2 00
6. Elektrolīniju balsti
6.1. pamatelementi (stabi, pastabi, balstu atgāžņi) 150
6.2. pārējie elementi 175
6.3. saites 200
Piezīmes.
1. Spiestiem mainīga šķērsgriezuma elementiem lokanuma robežvērtības l u reizina ar ÷kst,N, kur koeficients kst,N ir atbilstošs šī būvnormatīva 4.pielikuma 1.tabulai.
2. Spiesto elementu aprēķina garums kopnēs, aprēķinot noturību konstrukcijas plaknē, ir attālums starp mezglu centriem, bet, aprēķinot noturību perpendikulāri konstrukcijas plaknei, — attālums starp nostiprinājuma vietām pret izkļaušanos no kopnes plaknes.
4.5. No dažādiem materiāliem salikta
šķērsgriezuma elementu aprēķins
47. No būvsaplākšņa un zāģmateriāliem līmētus elementus aprēķina pēc reducētā šķērsgriezuma. Elementa šķērsgriezuma raksturlielumus reducē uz materiālu, kura pretestību pārbauda.
48. Līmētu plātņu (3.zīmējums) apakšējā būvsaplākšņa apšuvuma pretestības nosacījums stiepē:
Md / Wef £ Rp,t,0,d gc,p gc,i , kur (36)
Md — lieces momenta aprēķina vērtība;
Rp,t,0,d — būvsaplākšņa aprēķina pretestība stiepē loksnes plaknē;
gc,p — darbības apstākļu koeficients, kurš ievērtē būvsaplākšņa pretestības samazināšanos lokšņu sadurvietās. g c,p = 0,8, ja būvsaplāksnis savienots ar uzlikām vai slīpo saduri. g c,p = 1, ja konstrukcijā būvsaplākšņa loksnēm nav saduru;
Wef — plātnes šķērsgriezuma laukuma pretestības moments, kas reducēts uz stiepto būvsaplākšņa apšuvumu, noteikts, izmantojot šādu formulu:
Wef = Ief / yw,t , kur (37)
yw,t — atstatums no konstrukcijas reducētā šķērsgriezuma laukuma smagumcentra līdz plātnes stieptā apšuvuma ārējai malai;
Ief — plātnes šķērsgriezuma reducētā laukuma inerces moments, kuru nosaka, izmantojot šādu formulu:
Ief = If + Iw ( Ew / Ef ) , kur (38)
If — plātnes būvsaplākšņa apšuvuma šķērsgriezuma laukuma inerces moments;
Iw — plātņu koka garenribu šķērsgriezuma laukuma inerces moments;
Ew / Ef — koksnes un būvsaplākšņa elastības moduļu attiecība.
Piezīme.
Nosakot plātņu šķērsgriezuma laukuma reducētos inerces un pretestības momentus, būvsaplākšņa apšuvuma aprēķina platums b ef ir:
bef = 0,9b, ja l ? 6a, un
bef = 0,15 b l / a, ja l < 6a, kur
b — plātnes šķērsgriezuma platums;
l — plātnes laidums;
a — atstatums starp plātnes garenribu asīm.
3.zīmējums
Līmētas ribotas koka saplākšņa plātnes šķērsgriezums
(1 — garenribas; 2 — apšuvums)
49. Līmētu plātņu augšējā būvsaplākšņa apšuvuma noturību pārbauda šādi:
Md / ( jp Wef ) £ Rp,c,0,d gc,i , kur (39)
jp = 1250 / (bf / hf )2, ja bf / hf ? 50;
jp = 1 — (bf / hf )2 / 5000, ja bf / hf < 50, kur
bf — atstatums starp plātņu garenribām;
hf — plātņu būvsaplākšņa apšuvuma biezums.
50. Līmētām plātnēm pārbauda būvsaplākšņa apšuvuma un koka garenribu līmētās šuves pretestību skaldē:
Qd Sef / ( Ief bef ) £ Rv,d gc,I , kur (40)
Qd — aprēķina šķērsspēks;
Sef — plātnes šķērsgriezuma daļas reducētā laukuma, kas atrodas vienā pusē no nobīdes plaknes, statiskais moments pret neitrālo asi;
Sef = Sf + Sw (Ew / Ef);
bef — šķērsgriezuma aprēķina platums, kas ir visu garenribu platumu summa — bef = ābw .
51. Līmētos liektos dubultā T veida un kārbveida šķērsgriezuma elementos ar būvsaplākšņa sieniņu (4.zīmējums) pārbauda šādi:
51.1. stieptā plaukta stiprība:
Md / Wef £ Rt,0,d gc,i , kur (41)
Md — ārējo spēku lieces moments elementa šķēlumā ar lielāko spriegumu plauktā;
Wef — šķērsgriezuma laukuma pretestības moments, kas reducēts uz koksni (plauktā);
Rt,0,d — koksnes aprēķina pretestība stiepē šķiedru garenvirzienā;
4.zīmējums
Līmētu dubultā T veida un kārbveida šķērsgriezuma elementu ar būvsaplākšņa sieniņu ģeometriskie raksturlielumi
51.2. spiestā plaukta noturība plaknē perpendikulārā momenta darbības plaknei:
Md / Wef £ j Rc,0,d gc,i , kur (42)
j — spiestā plaukta garenlieces koeficients perpendikulāri momenta darbības plaknei;
Rc,0,d — koksnes aprēķina pretestība spiedē šķiedru garenvirzienā.
52. Liektos līmētos dubultā T veida un kārbveida šķērsgriezuma elementos būvsaplākšņa sieniņu pārbauda:
52.1. uz cirpi neitrālās ass līmenī:
Qd Sef / ( Ief Sbw ) £ Rp,v,90,d gc,i , kur (43)
Qd — šķērsspēka aprēķina vērtība;
Sef — elementa šķērsgriezuma daļas laukuma, kas atrodas vienā pusē no nobīdes plaknes, statiskais moments, kas reducēts uz būvsaplāksni;
Ief — šķērsgriezuma laukuma inerces moments, kas reducēts uz būvsaplāksni;
Sbw — būvsaplākšņa sieniņu summārais biezums;
Rp,v,90,d — būvsaplākšņa aprēķina pretestība cirpē perpendikulāri loksnes plaknei;
52.2. uz skaldi līmētā šuvē starp sieniņu un plauktu:
Qd Sef / ( Ief Shf ) £ Rp,v,0,d gc,i , kur (44)
Shf — līmēto šuvju starp sieniņām un plauktiem summārais platums;
Rp,v,0,d — būvsaplākšņa aprēķina pretestība skaldē loksnes plaknē;
52.3. uz stiprību stiepē bīstamajā šķēlumā stieptā plaukta iekšējās skaldnes plaknē:
sw / 2 + ÷ (sw / 2)2 + tw2 £ Rp,t,a,d gc,i , kur (45)
sw — stiepes spriegumi sieniņā plauktu iekšējās skaldnes plaknē;
tw — bīdes spriegumi sieniņā plauktu iekšējās skaldnes plaknē;
Rp,t,a,d — būvsaplākšņa aprēķina pretestība stiepē leņķī a, kuru nosaka pēc 5.pielikuma 1.zīmējuma;
a — leņķis, kuru nosaka, izmantojot formulu tg 2a = 2t w / sw ;
52.4. uz noturību — saskaņā ar šādiem nosacījumiem:
52.4.1. ja hw / bw > 50 un būvsaplākšņa sieniņas ārējās finierskaidas šķiedru virziens ir paralēls elementa garenasij:
sw / [ km ( 100bw / hw )2 ] + tw / [ kt / ( 100bw / hef )2 ] £ 1 , kur (46)
hef = hw , ja attālums starp stinguma ribām a ? hw, un hef = a, ja a < hw;
52.4.2. ja hw/bw > 80 un būvsaplākšņa sieniņas ārējās finierskaidas šķiedru virziens ir perpendikulārs elementa garenasij:
tw / [ kt / ( 100bw / hef)2 ] £ 1 , kur (47)
km un kt nosaka atbilstoši šī būvnormatīva 5.pielikuma 2. un 3.zīmējumam.
4.6. L iekti līmētu elementu aprēķins
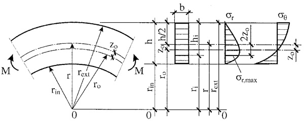
53. Liekti līmētiem elementiem (5.zīmējums), ja lieces moments M samazina to izliekumu, pārbauda radiālos stiepes spriegumus s r,i , kuri darbojas šķērsām koksnes šķiedrām:
5.zīmējums
Liekti līmēta elementa ģeometriskie raksturlielumi,
radiālo un tangenciālo normālspriegumu epīras
53.1. ja r / h > 7, tad radiālos stiepes spriegumus nosaka:
( s0 + si ) hi / (2ri) £ R t,90,d gc,i , kur (48)
s0 — stiepes spriegums koksnes šķiedru virzienā elementa stieptās zonas malējās šķiedrās;
si — stiepes spriegums koksnes šķiedru virzienā tajās šķiedrās, kurām nosaka spriegumu radiālā virzienā;
hi — attālums starp malējo šķiedru un šķiedru, kurai tiek noteikts spriegums;
r — liekuma rādiuss šķērsgriezuma centrālās ass līmenī;
ri — liekuma rādiuss līknei, kura iet caur normālspriegumu epīras laukuma smagumcentru, ko norobežo vērtības s 0 un si;
Rt,90,d — līmētā elementa koksnes aprēķina pretestība stiepē šķērsām šķiedrām (3.tabulas 7.punkts);
53.2. ja r / h £ 7, tad radiālos stiepes spriegumus nosaka šādi:
[Md / ( Aef z0)] [ r0 / rin – 1 – ln ( r0 /rin)] £ Rt,90,d gc,i , kur (49)
r0 — liekti līmēta elementa liekuma rādiuss šķērsgriezuma neitrālās ass līmenī r 0 = r – z0 ;
rin — liekti līmēta elementa iekšējās skaldnes liekuma rādiuss;
rin = r — h / 2;
z0 — attālums no elementa centrālās ass līdz neitrālajai asij, kuru nosaka, izmantojot formulu z 0 = I / (A r), bet taisnstūra šķērsgriezumam z 0 = h2 / (12 r);
Aef — elementa šķērsgriezuma laukums;
53.3. normālspriegumus s q,i tangenciālā virzienā liekti līmētiem elemen — tiem pārbauda šādi:
Md ( r0 – ri ) / ( Aef z0 ri ) £ Rt,90,d gc,i , kur (50)
ri — liekuma rādiuss šķiedrai, kurai nosaka spriegumus.
54. Liekti līmētās plānsieniņu konstrukcijās (6.zīmējums) pārbauda nevienmērīgi sadalīto radiālo normālspriegumu darbību līmētajā šuvē starp sieniņu un plauktiem:
tsp = sr,f ( b – Sbw ) / ( hf nsp ) £ Rmean,p,v,0,d gc,i , kur (51)
sr,f = [ Md / ( Aef z0 )] [ r0 hf / ( rin rf ) – ln ( rf / rin )] ; (52)
Rmean,p,v,0,d = Rp,v,0,d / (1 + b hf / e ) , kur (53)
b — elementa šķērsgriezuma laukuma platums;
Sbw — būvsaplākšņa sieniņu summārais biezums;
hf — plaukta augstums;
nsp — nobīdes plakņu (līmēto šuvju) skaits starp plauktiem un būvsaplākšņa sieniņām (6.zīmējumā n sp = 4);
Aef — elementa reducētais šķērsgriezuma laukums;
e — skaldes spēka ekscentritāte (6.zīmējums);
b — koeficients, kas ievērtē nevienmērīgo skaldes spriegumu sadalījumu līmētā šuvē (b = 0,15);
Rp,v,0,d — būvsaplākšņa aprēķina pretestība bīdē loksnes plaknē starp finierskaidas kārtām.
6.zīmējums
Li ekti līmēta plānsieniņu elementa ģeometriskie raksturlielumi
55. Liekti līmētās plānsieniņu konstrukcijās radiālos normālspriegumus būvsaplākšņa sieniņā pārbauda šādi:
[Md / (Ap,ef z0)] [r0 / rin – 1 — ln(r0 / rin)] + sr,f (b – Sbw) / Sbw =
= Rp,t (c),a,d gci , kur (54)
Rp,t (c),a,d — būvsaplākšņa aprēķina pretestība stiepē vai spiedē (atkarībā no lieces momenta zīmes) leņķī pret šķiedru virzienu ārējās finierskaidu kārtās;
Ap,ef — attiecībā pret būvsaplākšņa sieniņām reducētais elementa šķērsgriezuma lauku ms.
V. Koka konstrukciju aprēķins pēc deformāciju robežstāvokļiem (otrā robežstāvokļu grupa)
56. Koka konstrukciju un to elementu deformācijas nosaka, ņemot vērā bīdes deformācijas koksnē un savienojumu padevīgumu. Padevīgi saistīta savienojuma deformācijas lielums, ja tiek pilnīgi izmantota tā nestspēja, nosakāms pēc 15.tabulas, bet, ja daļēji tiek izmantota tā nestspēja, — proporcionāli piepūļu lielumam savienojumā.
15.tabula
Savienojuma veids Savienojuma
deformācija (mm)
1. Gala iesējumi un atbalsti 1,5
2. Visu veidu tapu savienojumi, izņemot ielīmētos tērauda
stieņus, un tērauda un koka elementu savienojumi 2
3. Visu veidu savienojumi ar tērauda plāksnēm 1
4. Piekļāvumi šķērsām šķiedrām 3
5. Piekļāvumi šķērsām šķiedrām elementiem no līmētas koksnes 2
6. Savienojumi ar ielīmētiem tērauda stieņiem, kuri tiek
rauti (izrauti) vai caurspiesti šķērsām koksnes šķiedru
virzienam un darbojas kā tapas 0,5
7. Savienojumi ar ielīmētiem tērauda stieņiem, kuri tiek
rauti (izrauti) vai caurspiesti koksnes šķiedru
garenvirzienā un darbojas kā tapas 0,25
8. Līmētie savienojumi 0
57. Koka konstrukciju un elementu izlieces nedrīkst pārsniegt 16.tabulā noteiktās robežvērtības.
16.tabula
Konstrukciju Pamatprasības Izlieču Slodzes izlieču
elementi robežvērtības noteikšanai
1. Sijas, kopnes, rīģeļi,
kopturi, plātnes un klāji:
1.1. jumta un starp- estētiskas un pastāvīgās un
stāvu pārsegumi, psiholoģiskas ilgstošas darbības
kāpņu, balkonu un mainīgās
lodžiju elementi,
kuru laidums (m)
l £ 1 l / 120
l £ 3 l / 150
l £ 6 l / 200
l £ 24 (12) l / 250
l £ 36 (24) l / 300
1.2. jumta un konstruktīvas elementu izliece slodzes, kuras
starpstāvu pārsegumi, nedrīkst samazināt samazina atstarpi
ja zem tiem ir atstarpi starp starp nesošās
starpsienas elementa apakšējo konstrukcijas
malu un zem tā esošo elementu un zem tās
starpsienu; atstarpe esošo starpsienu
parasti ir 40 mm
1.3. jumta un konstruktīvas l / 150 tās, kuras darbojas
starpstāvu pārsegumi, pēc starpsienu vai
ja virs tiem ir citu elementu
elementi, kuros var uzbūvēšanas
rasties plaisas
(piemēram, starpsienas)
1.4. pārsegumos, kuri fizioloģiskas un l / 350 0,7 no īslaicīgo
pakļauti kravu, tehnoloģiskas slodžu pilnas vērtības
materiālu, iekārtu vai slodze no viena
pārvietošanas un citu iekrāvēja
kustīgu slodžu iedarbībai
2. Pārsegumu plātnes, fizioloģiskas 0,7 mm 1 kN liela
kāpņu laidi un koncentrēta slodze
laukumi, kuru izlieci laiduma vidū
neierobežo blakus
esošie elementi
3. Pārsedzes un konstruktīvas l / 200 Slodzes, kas samazina
piekārtie sienas paneļi atstarpes starp nesošo
virs logu un durvju elementu un logiem
ailām vai durvīm, kuras ir
zem šiem elementiem
Piezīmes.
1. Tabulas 1.1.apakšpunktā iekavās dotie lielumi attiecas uz telpām, kuru augstums ir līdz 6 m.
2. Konsolēm laiduma l vietā jāņem divkāršs konsoles garums.
3. No 1 kN lielas koncentrētas slodzes laiduma vidū pārsegumu plātņu, kāpņu laidu un to laukumu izliece, kuru neierobežo blakus esošie elementi, nedrīkst pārsniegt 0,7 mm.
4. Ja būvju konstrukciju elementi nav minēti citos būvnormatīvos, izlieces un pārvietojumi no pastāvīgām ilgstošām un īslaicīgām slodzēm nedrīkst pārsniegt 1/150 no laiduma vai 1/75 no konsoles garuma.
5. Tabulā neminēto ēku un būvju koka konstrukciju elementu izlieces nedrīkst pārsniegt LBN 004 “ Projektēšanas pamatprincipi ” noteiktās maksimālās izlieces.
58. Liektu elementu izlieci nosaka pēc to šķērsgriezuma bruto laukuma inerces momenta. Saliktiem elementiem, kuru kārtas saistītas padevīgi, inerces momentu reizina ar koeficientu k st , kas ievērtē nobīdi padevīgi saistītajā savienojumā un ir dots 13.tabulā. Locīklveidā balstītiem, kā arī konsolveida liektiem elementiem ar pastāvīgu vai mainīgu šķērsgriezuma laukumu maksimālo izlieci nosaka, izmantojot šādu formulu:
ufin = [ unet / kdef,1 ] [ 1 + kdef,2 ( h / l )2 ] , kur (55)
unet — izliece elementam ar nemainīgu šķērsgriezuma augstumu h un laidumu l, neievērtējot bīdes deformāciju;
kdef,1 — k oeficients, kas ievērtē elementa šķērsgriezuma augstuma mainīguma ietekmi un kas elementiem ar pastāvīgu šķērsgriezumu ir k def,1 = 1;
kdef,2 — koeficients, kas ievērtē šķērsspēka radīto bīdes deformāciju.
Piezīme.
Elementu aprēķina pamatshēmām koeficientu k def,1 un kdef,2 vērtības dotas šī būvnormatīva 4.pielikuma 3.tabulā.
59. Nosakot izlieci elementiem, kuri līmēti no būvsaplākšņa un zāģmateriāliem, to šķērsgriezuma stingumu EI ef reizina ar koeficientu 0,7. šo koeficientu nelieto izlieču noteik?anai elementiem ar līmēto dubultā T veida vai kārbveida šķērsgriezumu un būvsaplākšņa sieniņu, kas aprēķināti saskaņā ar šī būvnormatīva 51. un 52.punktu. Nosakot izlieci, plātņu apšuvuma aprēķina platums atbilst 48.punktā noteiktajam.
60. Spiesti liektu, locīklveidā balstītu, simetriski slogotu elementu, kā arī konsolveida elementu izlieci nosaka, izmantojot šādu formulu:
ufin,N = ufin / x, kur (56)
ufin — nosaka saskaņā ar formulu (55);
x — nosaka saskaņā ar formulu (26).
VI. Koka konstrukciju elementu savienojumu aprēķins
6.1. Vispārīgie nosacījumi
61. Koka konstrukciju elementu savienojuma (saites) aprēķina nestspējai T jābūt lielākai par spēkiem (piepūlēm), kas darbojas uz savienojumu (saiti).
62. Aprēķina nestspēju savienojumiem virsmas spiedē un skaldē nosaka, izmantojot šādas formulas:
62.1. virsmas spiedē:
Tloc,d = Aloc,d Rloc,a,d gc,i ; (57)
62.2. skaldē:
Tv,d = Av,d Rmean,v,d gc,i , kur (58)
Aloc,d — virsmas spiedes aprēķina laukums;
Av,d — skaldes aprēķina laukums;
Rloc,a,d — koksnes aprēķina pretestība virsmas spiedē leņķī a pret šķiedru garenvirzienu, kas noteikta, izmantojot formulu (2);
Rmean,v,d — koksnes vidējā aprēķina pretestība skaldē šķiedru garenvirzienā skaldes laukumā, kas noteikta saskaņā ar šī būvnormatīva 63.punktu.
7.zīmējums
Iecirtumi elementu savienojumos
a — nesimetrisks; b — simetrisks; c, d — savienojumu skaldes shēmas
63. Koksnes vidējo aprēķina pretestību skaldē šķiedru garenvirzienā skaldes laukumā nosaka, izmantojot šādu formulu:
Rmean,v,d = Rv,d /( 1 + b l v/e ) , kur (59)
Rv,d — k oksnes aprēķina pretestība skaldē šķiedru garenvirzienā;
l v — skaldes laukuma aprēķina garums, kas nedrīkst būt lielāks par desmitkārtīgu iecirtuma dziļumu;
e — skaldes spēku plecs, kas ir: 0,5 h elementiem ar nesimetrisku iecirtumu savienojumos bez atstarpēm starp elementiem (7.a zīmējums) un 0,25 h simetriski slogotiem elementiem ar simetriskiem iecirtumiem (7.b zīmējums);
b — koeficients, kas ir 0,25 savienojumiem, kuri darbojas pēc aprēķina shēmas (7.c zīmējums), un 0,125 — savienojumiem, kuri darbojas pēc aprēķina shēmas (7.d zīmējums) un kuros ir nodrošināta piespiešana pie skaldes plaknes.
Piezīme.
Attiecībai l v /e jābūt vismaz 3.
6.2. Līmētie savienojumi
64. Konstrukciju aprēķinos līmētos savienojumus uzskata par stingiem savienojumiem.
65. Līmētos savienojumus lieto:
65.1. atsevišķo kārtu pagarināšanai ar zobveida saduru (8.a zīmējums);
65.2. viengabala šķērsgriezuma (paketes) veidošanai, salīmējot kārtas savā starpā platumā un augstumā, paketes platumā malu saduršuves blakus kārtās nobīda attiecībā vienu pret otru ne mazāk kā par kārtas biezumu t (8.b zīmējums);
65.3. savienojot paketes savā starpā ar zobveida saduru (8.c zīmējums) visa šķērsgriezuma augstumā, iekšējā leņķa lielums starp elementiem, kuri savienoti leņķī viens pret otru, nedrīkst būt mazāks par 104-.
8.zīmējums
Līmētie savienojumi
a — zāģmateriālu pagarināšana ar zobveida saduru; b — elementa (paketes) šķērsgriezuma veidošana; c — zobveida sadura elementu (pakešu) savienošanai
66. Saduru ar slīpo pārlaidumu drīkst lietot tikai būvsaplākšņa savienošanai virsējo finierskaidas kārtu šķiedru garenvirzienā. Slīpā pārlaiduma saduras garumam jābūt ne mazākam kā savienojamo elementu 10 biezumi.
67. Salīmējamo kārtu biezums elementos nav ieteicams lielāks par 33 mm. Taisnos elementos, izveidojot iegriezumus garenvirzienā, atsevišķo kārtu biezums var būt līdz 42 mm.
68. No būvsaplākšņa un zāģmateriāliem līmētos elementos ar saplāksni salīmējamo dēļu platums nedrīkst būt lielāks par 100 mm, un elementu piekļāvumos no 30- līdz 45- leņķī — ne lielā ks par 150 mm.
6.3. Gala iesējumi
69. Gala iesējumus šķautņu un apaļkoku elementiem veido kā vienzoba savienojumus (9.zīmējums). Savienojot ar vienzoba gala iesējumu elementus, kas nav pakļauti liecei, virsmas spiedes darba plakni izvieto stateniski pievienojamā spiestā elementa asij. Ja pievienojamais spiestais elements darbojas arī liecē, tad virsmas spiedes plakni gala iesējumos izvieto stateniski asspēka un šķērsspēka kopspēkam. Elementus, kurus savieno ar gala iesējumu, papildus sastiprina ar tērauda skrūvēm.
9.zīmējums
Vienzoba gala iesējums
70. Gala iesējumus skaldē aprēķina saskaņā ar šī būvnormatīva 62.punktu, ņemot koksnes aprēķina pretestību skaldē atbilstoši 3.tabulas 5.punktam.
71. Skaldes laukuma garumam gala iesējumos jābūt ne mazākam par 1,5 h, kur h — noskaldāmā elementa šķērsgriezuma laukuma pilns augstums. Iecirtuma dziļumam režģotu konstrukciju starpmezglos jābūt ne lielākam par h/4 un ne lielākam par h/3 pārējos gadījumos, turklāt iecirtuma dziļumam jābūt ne mazākam par 2 cm šķautņos un ne mazākam par 3 cm apaļkokos.
72. Vienzoba gala iesējuma aprēķinu virsmas spiedē veic elementu virsmu saskares laukumam (9.zīmējums). Koksnes virsmas spiedes leņķi a ņem vienādu ar leņķi starp spiedes spēka virzienu un šķiedru garenvirzienu saspiežamajā elementā. Koksnes aprēķina pretestību virsmas spiedē leņķī pret šķiedru garenvirzienu gala iesējumos nosaka, izmantojot formulu (2), neatkarīgi no virsmas spiedes laukuma lieluma.
6.4. Cilindrisko tapu savienojumi
73. Cilindrisko tapu aprēķina nestspēju priedes un egles koksnes elementu savienojumos (10.zīmējums) vienā nobīdes plaknē (šuvē) nosaka saskaņā ar 17.tabulu, ja piepūles, ko nodod tapas, ir vērstas elementu šķiedru garenvirzienā vai ja piepūles, ko nodod naglas, ir vērstas jebkurā leņķī pret šķiedru garenvirzienu. Nosakot cilindrisko tapu aprēķina nestspēju, ja nepieciešams, ievēro šī būvnormatīva 74. un 75.punktā minētās prasības.
10.zīmējums
Cilindrisko tapu savienojumi
a — simetriski; b — nesimetriski
17.tabula
Savienojumu Sprieguma Tapas ap rēķina nestspēja T j,d
shēmas stāvoklis uz elementa starpkārtu vienu nobīdes
plakni — šuvi (nosacīto cirpes vietu) (kN)
naglām, bultskrūvēm, ozolkoka
tērauda, alumīnija tapām
un stiklplasta tapām
1 2 3 4
1. Simetriski a) virsmas spiede
savienojumi vidējos elementos 0,5 t 2 d 0,3 t2 d
(10.a zīmējums) b) virsmas spiede
malējos elementos 0,8 t 1 d 0,5 t1 d
2. Nesimetriski a) virsmas spiede
savienojumi visos vienāda biezuma
(10.b zīmējums) elementos, kā arī
biezākajos elementos
savienojumos ar vienu
starpkārtu nobīdes plakni 0,35 t 2 d 0,2 t2 d
b) virsmas spiede
biezākajos vidējos
elementos savienojumos
ar divām starpkārtu
nobīdes plaknēm,
ja t1 £ 0,5 t2 0,25 t2 d 0,14 t2 d
c) virsmas spiede
plānākajos malējos
elementos,
ja t1 £ 0,35 t2 0,8 t1 d 0,5 t1 d
d) virsmas spiede
plānākajos malējos
elementos savieno-
jumos ar vienu
starpkārtu nobīdes
plakni, kā arī malējos
elementos, ja
t2 > t1 > 0,35 t2 kj t1 d kj t1 d
3. Simetriski un a) nagla liecē 2,5 d 2 + 0,01 t12, —
nesimetriski ne lielāks kā 4 d 2
savienojumi b) tērauda tapa 1,8 d 2 + 0,02 t12, —
liecē ne lielāks kā 2,5 d 2
c) alumīnija sakau- 1,6 d 2 + 0,02 t12, —
sējuma tapa liecē ne lielāks kā 2,2 d 2
d) stiklplasta 1,45 d2 + 0,02 t12, —
tapa liecē ne lielāks kā 1,8 d 2
e) koksnes kārtainā 0,8 d 2 + 0,02 t12,
plastikāta tapa liecē ne lielāks kā d 2 —
f) ozolkoka tapa liecē — 0,45 d2 +
0,02 t12,
ne lielāks
kā 0,65 d 2
Piezīmes.
1. Tabulā pieņemtie apzīmējumi: t 1 — malējo elementu biezums savienojumā, kā arī plānāko elementu biezums savienojumos ar vienu starpkārtu nobīdes plakni; t 2 — vidējo elementu biezums, kā arī vienāda biezuma vai biezāko elementu biezums savienojumos ar vienu starpkārtu nobīdes plakni; d — tapas un naglas diametrs; lielumu t1, t2 un d izmēri dodami centimetros.
2. Tapas aprēķina nestspēju nesimetriskos savienojumos ar divām starpkārtu nobīdes plaknēm, ja elementu biezums ir dažāds, atrod atbilstoši 17.tabulai, ievērojot šādus nosacījumus:
2.1. tapas aprēķina nestspēju no koksnes virsmas spiedes spriegumiem malējos elementos, ja to biezums ir 0,5 t 2 < t1 < t2 , nosaka, interpolējot starp vērtībām, kas aprēķinātas atbilstoši 17.tabulas 2.a un 2.b punktam;
2.2. ja malējo elementu biezums t 1 > t2 , tapas aprēķina nestspēju no koksnes virsmas spiedes spriegumiem malējā elementā nosaka atbilstoši 2.a punktam, samainot lielumu t 2 ar t1;
2.3. nosakot tapas aprēķina nestspēju liecē atbilstoši 17.tabulas 3.punktam, t 1 vērtībai jābūt ne lielākai par 0,6 t 2.
3. Koeficienta kj vērtības, nosakot tapas aprēķina nestspēju koksnes virsmas spiedē elementu savienojumos ar vienu starpkārtu nobīdes plakni, kā arī nesimetrisku savienojumu malējos elementos, ja t 2 ? t1 ? 0,35 t2 , ņem saskaņā ar 18.tabulu.
4. Par tapas aprēķina nestspēju elementu starpkārtu nobīdes plaknē (šuvē) ņem vismazāko no visām vērtībām, kuras iegūtas, izmantojot 17.tabulā dotās formulas, un saskaņā ar šī būvnormatīva 73.punktu.
5. Ja ir izpildīti tapu izvietojuma nosacījumi saskaņā ar šī būvnormatīva 77. un 81.punktu, tapu savienojumu skaldē neaprēķina.
6. Tapu diametru d ņem tādu, lai tiktu pilnīgi izmantota to nestspēja liecē.
7. Tapu skaitu nj simetriskos savienojumos nosaka šādi:
nj = Nd / (Tj,d nsp) , kur (60)
Nd — spēka aprēķina vērtība;
Tj,d — tapas mazākā aprēķina nestspēja elementa vienā starpkārtu nobīdes plaknē;
nsp — tapas nobīdes plakņu (šuvju) aprēķina skaits.
18.tabula
Tapu veids Koeficienta kj raksturlielumi savienojumiem
ar vienu starpkārtu nobīdes plakni, ja t 1/t2 ir
0,35 0,5 0,6 0,7 0,8 0,9 1
1 . Naglas un tērauda,
alumīnija vai stikl-
plasta tapas 0,8 0,58 0,48 0,43 0,39 0,37 0,35
2. Ozolkoka tapas 0,5 0,5 0,44 0,38 0,32 0,26 0,2
74. Cilindrisko tapu aprēķina nestspēju savienojumos, ja piepūles, ko nodod tapas, ir vērstas leņķī pret elementu šķiedru garenvirzienu, nosaka saskaņā ar šī būvnormatīva 73.punktu, reizinot iegūtās vērtības:
74.1. ar koeficientu ka (19.tabula), aprēķinot koksnes nestspēju virsmas spiedē zem tapas; ar lielumu ÷ka , aprēķinot tapas nestspēju liecē;
74.2. leņķi a ņem vienādu ar lielāko no leņķiem starp savienojamiem elementiem, kuri pārnes bīdes spēku.
19.tabula
Koeficients ka
Leņķis a tērauda, alumīnija un stiklplasta tapām ozolkoka
(grādos) ar diametru (mm) tapām
12 16 20 24
30 0,95 0,9 0,9 0,9 1
60 0,75 0,7 0,65 0,6 0,8
90 0,7 0,6 0,55 0,5 0,7
Piezīmes.
1. Koeficienta ka lielumu leņķu starpvērtībām iegūst interpolējot.
2. Tapu savienojumos ar vienu starpkārtu nobīdes plakni biezākajam elementam, ja bīdes spēks vērsts leņķī pret šķiedru garenvirzienu, koeficientu ka reizina ar papildu koeficientu 0,9, ja t2/t1 < 1,5, un ar 0,75, ja t2/t1 ? 1,5.
75. Tapas aprēķina nestspēju T j,d konstrukciju elementu savienojumos, ja tie izgatavoti no citām koku sugām vai atrodas citos ekspluatācijas apstākļos (iedarbojas paaugstināta temperatūra, darbojas tikai pastāvīgās un ilgstošās lietderīgās slodzes), nosaka saskaņā ar šī būvnormatīva 73. un 74.punktu, reizinot tapas aprēķina nestspēju:
75.1. ar attiecīgajiem koeficientiem, kas noteikti šī būvnormatīva 17. un 18.punktā, ja aprēķina tapas nestspēju pēc savienojamo elementu koksnes virsmas spiedes;
75.2. ar kvadrātsakni no koeficientiem, kas noteikti šī būvnormatīva 17. un 18.punktā, ja aprēķina tapas nestspēju liecē.
76. Tapu savienojumus ar tērauda uzlikām vai starplikām (11.zīmējums), kas saskrūvēti ar bultskrūvēm vai kokskrūvēm, drīkst lietot tikai tad, ja ir nodrošināts nepieciešamais savienojuma un tapu ievietošanas blīvums. Kokskrūvēm jābūt iedziļinātām koksnē ne mazāk kā 5 diametru dziļumā. Tapu savienojumus ar tērauda uzlikām vai starplikām aprēķina saskaņā ar šī būvnormatīva 73., 74. un 75.punktu, un, aprēķinot tapas liecē (17.tabulas 3.punkts), ņem lielāko no tapu aprēķina nestspējām. Tērauda uzlikas un starplikas aprēķina stiepē vājinātā šķērsgriezumā un uz virsmas spiedi zem tapām.
77. Cilindrisko tapu savienojuma nestspēju, ja tas ir veidots no viena materiāla, bet dažāda diametra tapām, nosaka kā visu tapu nestspēju summu, izņemot stieptos savienojumus, kuru nestspēju reizina ar koeficientu 0,9.
78. Attālumi elementa koksnes šķiedru garenvirzienā starp cilindrisko tapu asīm a 1 (12.zīmējums) no elementa gala līdz cilindrisko tapu asīm a 3 , kā arī attālumi elementa koksnes šķiedru šķērsvirzienā starp cilindrisko tapu asīm a 2 no elementa malas līdz cilindrisko tapu asīm a 4 ir:
78.1. tērauda tapām a 1 = a3 ? 7 d, a2 ? 3,5 d, a4 ? 3 d;
78.2. alumīnija un stiklplasta tapām a 1 = a3 ? 6 d, a2 ? 3,5 d, a4 ? 3 d;
78.3. ozolkoka tapām a 1 = a3 ? 5 d, a2 ? 3 d, a4 ? 2,5 d.
Ja savienojamo elementu paketes biezums b < 10 d, tad starp tērauda, alumīnija un stiklplasta tapām attālumi ir a 1 = a3 ? 6 d, a2 ? 3 d, a4 ? 2,5 d, ozolkoka tapām a 1 = a3 ? 4 d, a2 = a4 ? 2,5 d.
11.zīmējums
Elementu un tērauda uzliku savienojums ar cilindriskām tapām
a — ar bultskrūvēm; b — ar kokskrūvēm
79. Stieptos savienojumos cilindriskās tapas izvieto divās vai četrās rindās. Apaļkoku konstrukcijās cilindriskās tapas atļauts izvietot pamīšus divās rindās, ja attālums starp tapu asīm koksnes šķiedru garenvirzienā ir 2a 1 un attālums elementa koksnes šķiedru šķērsvirzienā a 2 = 2,5 d.
12.zīmējums
Cilindrisko tapu izvietojums
a — taisnās rindās; b — pamīšus
80. Aprēķinot iedzītās naglas iespīlējuma garumu (13.zīmējums), neņem vērā naglas smailo galu 1,5 d garumā, kā arī no kopējā naglas garuma atskaita 2 mm uz katru savienojamo elementu šuvi. Ja naglas iespīlējuma aprēķinātais garums ir mazāks par 4 d, tad naglas gala darbību attiecībā uz tam piegulošo šuvi neņem vērā. Ja ar naglu caursit savienojamo elementu paketi, tad naglas iespīlējuma garumu malējā elementā samazina par 1,5 d (13.b zīmējums). Naglu diametram jābūt ne lielākam par 1/4 no caursitamo elementu biezuma.
13.zīmējums
Naglas iespīlējuma garuma noteikšana
a — nagla necaursit paketi; b — nagla caursit paketi
81. Attālums starp naglu asīm savienojamo elementu šķiedru garen — virzienā ir: a 1 = 15 d, ja caursitamā elementa biezums t ? 10 d, vai a1 = 25 d, ja caursitamā elementa biezums t = 4 d. Elementu biezuma t starpvērtībām attāluma a 1 minimālo lielumu nosaka interpolējot. Elementiem, kuri nav naglu caursisti, neatkarīgi no to biezuma attālumu starp naglu asīm koksnes šķiedru garenvirzienā ņem a 1 ? 15 d. Attālumu no naglas ass līdz elementa galam koksnes šķiedru garenvirzienā visos gadījumos ņem a 3 ? 15 d.
Attālumu starp naglu asīm elementu koksnes šķiedru šķērsvirzienā, ja naglas izvietotas taisnās rindās, ņem a 2 ? 4 d; ja naglas izvietotas pamīšus vai slīpās rindās leņķī a £ 45ķ (14. zīmējums), attālumu a 2 var samazināt līdz 3 d. Attālumu no naglu malējās rindas līdz elementa garenmalai ņem a4 ? 4 d.
Piezīme.
Attālumus starp naglām apses, alkšņa un papeles koksnei šķiedru garenvirzienā palielina par 50 %, salīdzinot ar iepriekš minētajiem.
82. Kokskrūves kā bīdi uzņemošas cilindriskās tapas atļauts lietot elementu savienojumos ar tērauda vai bakelizētā būvsaplākšņa uzlikām (elementu savienojumos ar vienu starpkārtu nobīdes plakni). Attālumu starp kokskrūvju asīm ņem kā tērauda cilindriskām tapām saskaņā ar šī būvnormatīva 78.punktu.
14.zīmējums
Naglu izvietojums slīpās rindās
83. Kokskrūvju nestspēju, ja to bezvītnes daļa iedziļināta koksnē vismaz 2 d dziļumā, nosaka tāpat kā cilindriskām tērauda tapām.
6.5. Naglu un kokskrūvju pretestība izraušanai
84. Naglas pretestību izraušanai atļauts ievērtēt tikai mazāk nozīmīgos elementos (piemēram, griestos, klājos), kā arī konstrukcijās, kurās naglas vienlaikus uzņem cirpi un pretojas izraušanai. Iepriekš izurbtos caurumos un koksnes šķiedru garenvirzienā iedzītām naglām, kā arī dinamisku iedarbību gadījumos naglu pretestību izraušanai neņem vērā.
85. Šķērsām koksnes šķiedru garenvirzienam iedzītas naglas izraušanas aprēķina pretestību (kN) nosaka, izmantojot šādu formulu:
Tn,d = 0,1 Rpull,n,d p dn l 1,ef , kur (61)
Rpull,n,d — naglas aprēķina pretestība izraušanai naglas un koksnes saskares virsmas laukuma vienībā: gaissausai koksnei R pull,n,d = 0,3 MPa, mitrai koksnei, kas žūs ekspluatācijas laikā, R pull,n,d = 0,1 MPa;
dn — naglas diametrs (centimetros);
l 1,ef — saskaņā ar šī būvnormatīva 80.punktu noteikts naglas iespīlējuma garums kokā (centimetros).
Piezīmes.
1. Paaugstinātā mitrumā vai temperatūrā, kā arī, ja darbojas tikai īslaicīgas vai dominējošas pastāvīgas un mainīgas ilgstošas slodzes, gaissausai koksnei aprēķināto naglas izraušanas nestspēju reizina ar šī būvnormatīva 18.punktā, kā arī 5. un 6.tabulā dotajiem darbības apstākļu koeficientiem.
2. Ja naglu diametrs ir lielāks par 5 mm, tad aprēķinā d n = 5 mm.
86. Naglas iespīlētās daļas garumam jābūt ne mazākam par divkāršotu pienaglojamā koka elementa biezumu un ne mazākam par 10 d n.
87. S avienojamos elementos šķērsām koksnes šķiedru garenvirzienam ieskrūvētas kokskrūves aprēķina pretestību izraušanai (kN) nosaka, izmantojot šādu formulu:
Ts,d = 0,1 Rpull,s,d p ds l 1, kur (62)
Rpull,s,d — kokskrūves aprēķina pretestība izraušanai kokskrūves vītnes daļas un koksnes saskares virsmas laukuma vienībā: gaissausai koksnei R pull,s,d = 1 MPa, citos darbības apstākļos aprēķina pretestību izraušanai reizina ar atbilstošiem darbības apstākļu koeficientiem saskaņā ar šī būvnormatīva 5. un 6.tabulu;
ds — kokskrūves vītnes daļas ārējais diametrs (centimetros);
l 1 — kokskrūves vītnes daļas garums, kas pretojas izraušanai (centimetros).
Attālumam starp kokskrūvju asīm jābūt ne mazākam kā a 1 = a3 = 10 ds un a2 = a4 = 5 ds (12.zīmējums).
6.6. Plakano tapu savienojumi
88. Plakanās tapas, kas izgatavotas no ozola vai citas koku sugas ar cietu koksni, atļauts lietot šķautņu saistīšanai salikta šķērsgriezuma stieņos, ja tiem ir konstruktīvais pacēlums un tie uzņem lieci vai lieci un spiedi. Plakano tapu un to ligzdu izmērus, kā arī izvietojumu (15.zīmējums) savienojamos elementos ņem:
88.1. plakano tapu garums koksnes šķiedru garenvirzienā:
4,5t £ l fd £ 5t;
88.2. caurejošu plakano tapu platums, kas vienāds ar savienojamo elementu platumu, ir ne lielāks par 150 mm; necaurejošu plakano tapu platums, ja savienojamo elementu b > 150 mm, ir b fd = b/2 + 0,3 l fd;
88.3. savienojamo elementu augstums h, ja iecirtuma dziļums h v £ 30 mm, ņem ne mazāku kā 140 mm;
88.4. attālums starp plakanajām tapām a ? 9t, bet, ja l fd > 4,5 t, ieteicams a = 10 t;
88.5. iegriezuma dziļums katrā no savienojamiem elementiem nedrīkst pārsniegt 1/5 no to šķērsgriezuma augstuma, un tas ir h v = l fd + 1 mm;
88.6. koksnes šķiedru virzienam plakanajās tapās jābūt perpendikulāram savienojamo elementu saskares plaknei;
88.7. ja plakanās tapas izgatavotas no tādu koku sugu koksnes, kuras ir neizturīgas pret trupi, tapas antiseptizē visā tilpumā;
88.8. ar plakanajām tapām atļauts saistīt ne vairāk kā trīs elementus konstrukcijas šķērsgriezuma augstumā, bet nav atļauts elementus pagarināt, izmantojot plakanās tapas.
15.zīmējums
Savienojums ar plakanām tapām
a — ar caurejošām tapām; b — ar necaurejošām tapām
89. Vienas plakanās tapas aprēķina nestspēju (kN) priedes un egles koka elementos nosaka, izmantojot šādu formulu:
Tfd,d = 0,625 t bfd , kur (63)
bfd — plakanās tapas platums (centimetros), kas caurejošām tapām ir vienāds ar savienojamo elementu platumu b, bet necaurejošām tapām — 0,5 b;
t — plakanās tapas biezums (centimetros).
Lietojot elementus no ci tu koku sugu koksnes, kā arī paaugstinātā mitrumā un temperatūrā vai, ja darbojas tikai īslaicīgas vai dominējošas pastāvīgas un mainīgas ilgstošas slodzes, aprēķināto plakanās tapas nestspēju reizina ar attiecīgiem koeficientiem saskaņā ar šī būvnormatīv a 17. un 18.punktu un 4., 5. un 6.tabulu.
6.7. Savienojumi ar ielīmētām tērauda tapām
90. Ielīmētās tērauda tapas izgatavo no 12 līdz 25 mm diametra periodiskā profila stiegru tērauda. Ielīmētās tērauda tapas atļauts lietot A1, A2, B1 ekspluatācijas apstākļos, ja apkārtējā gaisa temperatūra nav augstāka par 35 °C.
Piezīme.
Nav atļauts lietot ielīmētās tērauda tapas vaļējos savienojumos, kuri ugunsgrēka gadījumā pakļauti tiešai uguns iedarbībai.
91. Notīrītas un attaukotas tērauda tapas ielīmē ar epoksīda sveķu līmēm iepriekš izurbtos urbumos vai izfrēzētās gropēs. Urbuma diametram vai gropes izmēram jābūt par 5 mm lielākam nekā ielīmējamās tapas nominālais diametrs.
92. Ielīmētās tērauda tapas var izmantot:
92.1. konstrukciju elementu savienošanai, kā arī atsevišķu kārtu saistīšanai elementā;
92.2. koksnes pretestības palielināšanai virsmas spiedē līmētu elementu balstos un stiepes pretestības (koksnes šķiedru šķērsvirzienā) palielināšanai liekti līmētos elementos;
92.3. kā slīpas savienojošas saites saliktās sijās, stieptos savienojumos un balstos iespīlētu kolonnu pēdās.
93. Ielīmētas tērauda tapas aprēķina nestspēju (kN) izraušanā un caurspiešanā neatkarīgi no tapas slīpuma leņķa pret koksnes šķiedru virzienu priedes un egles koka elementos nosaka:
Tg,d = 0,1 Rv,d p ( d + 0,5) l g kv , kur (64)
d — ielīmējamās tērauda tapas nominālais diametrs (centimetros);
l g — tapas ielīmētās daļas garums (centimetros), kuru nosaka ar aprēķinu, bet ne mazāks kā 10 d un ne lielāks kā 30 d;
Rv,d — koksnes aprēķina pretestība skaldē, kas noteikta saskaņā ar 3.tabulas 5.d punktu (MPa);
kv — koeficients, kas ievērtē nevienmērīgo bīdes spriegumu sadalījumu, kuru nosaka, izmantojot formulu k v = 1,2 — 0,02 l g/d.
94. Ielīmētās tērauda tapas nestspēju vienā nobīdes plaknē (kN), priedes vai egles koka savienojamos elementos, ja ielīmējuma dziļums l g ? 6 d un piepūles vērstas koksnes šķiedru garenvirzienā (16.a zīmējums), nosaka, izmantojot šādu formulu:
Tg,v,d = 2 d2 + 0,02 l g2 , (65)
bet ne lielāku par 3,2 d 2 tapām no AII klases stiegru tērauda;
Tg,v,d = 2,5 d2 + 0,02 lg2 , (66)
bet ne lielāku par 3,7d 2 tapām no AIII klases stiegru tērauda.
Nestspējas T g,v,d maksimālajām vērtībām atbilst l g ? 8 d. Formulās (65) un (66) tapas nominālais diametrs d un ielīmējuma dziļums l g centimetros. Savienojot elementus leņķī vienu pret otru, ielīmēto tērauda tapu nestspēju reizina ar atbilstošu koeficientu saskaņā ar šī būvnormatīva 74. un 75.punktu. Attālumiem starp ielīmēto tērauda tapu asīm koksnes šķiedru garenvirzienā jābūt ne mazākiem par 8 urbumu diametriem, bet šķērsvirzienā — saskaņā ar šī būvnormatīva 78.punktu, attiecinot attiecīgos nosacījumus uz urbumu diametru.
95. Stiepti liektu elementu savienojumus, kas saistīti ar slīpi ielīmētām tērauda tapām, aprēķina, izmantojot šādu formulu:
(Nt/Ta)2 + Q/Tg,m,d £ 1 , kur (67)
Nt = U cosa — vienas tapas aprēķina piepūles U komponente (kN), kura slīpi ielīmētajās tapās rada stiepes spriegumus;
Q = U sina — vienas tapas tās pašas piepūles U komponente (kN), kura slīpi ielīmētajās tapās rada lieces spriegumus;
Ta = As Rs — vienas tapas aprēķina nestspēja stiepē (kN);
As — tērauda tapas šķērsgriezuma laukums (cm 2);
Rs — profilētā stiegru tērauda stiepes aprēķina pretestība (AII —
Rs = 280 MPa, AIII — Rs = 365 MPa);
16.zīmējums
Savienojumi ar ielīmētām tērauda tapām
a — liektu elementu savienojumos; b, c — stieptu elementu savienojumos
ar stingu un padevīgu
slīpi ielīmēto tapu saistījumu; d, e, f — spiesti liektu elementu balstos,
kuri iespīlēti pēdās
Tg,m,d — ir vienas tapas aprēķina nestspēja liecē uz vienu starpkārtu nobīdes plakni (šuvi) (kN), kuru nosaka:
1) tērauda tapu un uzliku stingos (metinātos) savienojumos (16.b un 16.d zīmējums):
Tg,m,d = 0,55 d2 — AII klases stiegru tēraudam;
Tg,m,d = 0,7 d2 — AIII klases stiegru tēraudam;
2) tērauda tapu un uzliku padevīgos savienojumos saliktās sijās (16.c zīmējums):
Tg,m,d = 0,4 d2 — AII klases stiegru tēraudam;
Tg,m,d = 0,5 d2 — AIII klases stiegru tēraudam;
šeit:
d — ielīmēto tērauda tapu nominālais diametrs (cm).
Aprēķinātās T g,m,d vērtības ir derīgas, ja ielīmēto tērauda tapu slīpuma leņķis pret koksnes šķiedru garenvirzienu ir 30ķ £ a £ 45-, attālums starp tapu asīm koksnes šķiedru garenvirzienā ir a 1 ? 10 d un ielīmējuma dziļums
l g ? 20 d — elementu saistījumos, bet saliktajās sijās l g ? 15 d. Attālumi starp slīpi ielīmētajām tapām ir a 2 ? 6 d un a4 ? 3 d, izvietojot tapas divās rindās; a 2 = a4 ? 3 d, izvietojot tapas pamīšus.
96. Tērauda uzlikas, pie kurām piemetinātas slīpi ielīmētās tapas, aprēķina kā stiepti liektus elementus, izmantojot šādu formulu:
[ Na / ( Anet Rs ) ]2 + Ma / ( k Wnet Rs ) £ 1 , kur (68)
Na — stiepes piepūle tērauda uzlikā (kN);
Ma — lieces moments (kN cm), kas ir Ma = 2,4 d2 AII klases stiegru tēraudam un M a = 3 d2 AIII klases stiegru tēraudam;
Anet, Wnet — tērauda uzlikas neto šķērsgriezuma laukums (cm 2 ) un pretestības moments (cm 3);
k = 1,47 — koeficients, kas ievērtē taisnstūra šķērsgriezuma tērauda uzlikas darbu plastiskajā stadijā;
d — ielīmēto tērauda tapu diametrs (cm).
6.8. Zobaino tērauda plākšņu savienojumi
97. Zobainās tērauda plāksnes (17.zīmējums) lieto kopņu, rāmju, ēku karkasa konstrukciju, plātņu un paneļu elementu savienojumos. Elementus atļauts savienot ar zobainajām plāksnēm tikai, lietojot mehanizētās presēšanas iekārtas un savienojamos elementus i epr iekš samontējot un fiksējot. Drīkst lietot tikai ar aizsargkārtu galvanizētas (cinkotas) zobainās tērauda plāksnes. Tās iepresē koksnē ar vienmērīgu spiedienu visā zobu garumā.
17.zīmējums
Zobainās tērauda plāksnes
a — konstruktīvais risinājums; b — aprēķina laukuma noteikšana
98. Nesošo konstrukciju elementus savieno ar zobaino plākšņu pāriem, kuru izvietojumam un izmēriem abās savienojuma pusēs jābūt vienādiem. Zobaino plākšņu malējos zobus izvieto vismaz 10 mm attālumā no elementu sānu malām un galiem. Plāksnes laukumu katram no savienojamiem elementiem nosaka ar aprēķinu, un tas ir vismaz 50 cm 2.
99. Zobaino plākšņu savienojuma nestspēja ir atkarīga no zobu tipa, izmēriem, formas un izvietojuma, kā arī no plāksnes biezuma.
18.zīmējums
Aprēķina shēma savienojumam ar zobainām tērauda plāksnēm
100. Zobaino plākšņu aprēķina nestspējai stiepē un cirpē jābūt lielākai par savienojuma aprēķina nestspēju bīdē. To nodrošina ar pareizu zobaino plākšņu biezuma izvēli. Zobaino tērauda plākšņu savienojuma aprēķina shēma dota 18.zīmējumā, kur nosacīti parādīta savienojuma viena puse. Aprēķina nestspēju bīdē vienai zobainai plāksnei nosaka, izmantojot šādu formulu:
Tpmp,d = Rpmp,d Aef , kur (69)
Rpmp,d — zobaino plākšņu stiprības aprēķina vērtība bīdē (MPa), kas atkarīga no plākšņu tipa un materiāla, koka sugas un koksnes mitruma, no leņķa starp spēka virzienu un šķiedru virzienu katram no savienojamiem elementiem;
Aef — aprēķina laukuma lielums katram no savienojamiem elementiem, kas noteikts, atskaitot pa pievienojuma līnijām 10 mm platas joslas veidotos laukumus.
Piezīme.
Ja konstrukciju elementu savienojumos lieto tērauda zobainās plāksnes, kuru kvalitāte un nestspējas aprēķina lielumu vērtības noteiktas saskaņā ar CEN standartu ENV 1075, tad to nestspēju nosaka enkurojuma bīdes stiprība vienā no savienotiem elementiem vai tērauda plākšņu šķērsgriezuma neto laukuma stiprība katrā sadures pusē. Minētajā gadījumā savienojuma nestspējas aprēķinus veic saskaņā ar standartu LVS-EN 1991-1-1:1994.
VII. Galvenās koka konstrukciju projektēšanas prasības
7.1. Vispārīgie nosacījumi
101. Koka konstrukciju projektos ievēro koka konstrukciju ražotnes tehniskās iespējas, transportlīdzekļu un transportēšanas tehniskās iespējas, pasākumus, kas nodrošina atsevišķu konstrukciju un visas būves stabilitāti un konstruktīvo nemainīgumu.
102. Koka konstrukciju aprēķinos neņem vērā spriegumus un deformācijas koksnes šķiedru garenvirzienā, kas radušās koksnes temperatūras izmaiņu, rukuma un briešanas ietekmē.
103. Brīvi balstītām sijveida koka konstrukcijām, kurām laidums ir lielāks par 30 m, vienam no balstiem jābūt kustīgam.
104. Berzes spēka ietekmi koka konstrukciju aprēķinos ievērtē:
104.1. ja konstruktīvās sistēmas līdzsvaru var nodrošināt tikai ar berzi (ja koka elements pastāvīgi ir piespiests un nav dinamiskās slodzes). Minētajā gadījumā berzes koeficients (kokam pa koku) gala virsmai pa sāna virsmu ir 0,3, sānu virsmām (savstarpē ji) — 0,2;
104.2. ja berze palielina piepūles konstrukcijās un to savienojumos, tad berzes koeficients ir 0,6.
105. Stieptos un liektos koka zāģmateriālu elementos nav pieļaujami vājinājumi, kas iziet uz elementu šķautnēm, izņemot iecirtumus uz balstiem.
106. No apaļkokiem izgatavotu elementu noturību aprēķina šķēlumā, kas izvietots elementa aprēķina garuma vidū, bet stiprību — šķēlumā ar lielāko lieces momentu.
107. Koka konstrukciju telpisko stingumu un noturību nodrošina ar horizontālām un vertikālām saitēm. Šķērssaites izvieto nesošo konstrukciju augšējo joslu līmenī vai arī virs nesošajām konstrukcijām. Par saišu kopņu joslām izmanto nesošās konstrukcijas vai to augšējās joslas.
108. Stieptu elementu savienojumus savieto vienā šķēlumā, pārsedzot tos ar uzlikām un savienojot ar cilindriskām tapām vai citām saitēm. Stiepto savienojumu konstrukcijai jānodrošina centrisku stiepes piepūļu pārnešana no elementa uz elementu.
109. Nedrīkst lietot mezglus un savienojumus, kuros ir saites ar dažādu padevīgumu, kā arī mezglus, kuros daļa koka elementu savienoti tieši, bet daļa — ar starpelementu un starpsavienojumu palīdzību.
110. Koka konstrukciju elementus mezglos, savienojumos un uz balstiem savstarpēji centrē pa bruto (vai neto) šķērsgriezumu, izņemot gadījumus, ja elementu ekscentriska savienošana samazina lieces momenta lielumu aprēķina šķēlumā.
111. Koka konstrukciju elementiem mezglos un savienojuma vietās, kā arī saliktu elementu padevīgi saistītām kārtām starp mezgliem jābūt savilktiem ar bultskrūvēm. Cilindrisko tapu savienojuma katrā pusē jābūt vismaz trim savelkošām bultskrūvēm. Bultskrūvju diametru nosaka ar aprēķinu, bet tas nedrīkst būt mazāks par 12 mm. Paplākšņu diametram vai malas garumam jābūt ne mazākam par 3,5 d j , un tiem jābūt ne plānākiem par 0,25 d j.
7.2. Pārsegumu, jumtu un sienu konstrukcijas
112. Spārēm, kopturiem, klājumiem, latojumiem, plātnēm un paneļiem, kā arī citām liektām konstrukcijām aprēķina stiprību un izlieci. Maksimālo izlieču vērtības nedrīkst pārsniegt 16.tabulā dotos robežlielumus.
113. Klājus un latojumus aprēķina šādiem slodžu sakārtojumiem:
113.1. pastāvīgā un mainīgā sniega slodze (veic stiprības un izlieces aprēķinus);
113.2. pastāvīgā un īslaicīgā mainīgā koncentrētā slodze 1 kN, kas reizināta ar slodzes drošuma koeficientu g f = 1,2 (veic tikai stiprības aprēķinu). Vienlaidu klājam, kā arī retinātam klājam, ja attālums starp dēļiem vai latām nav lielāks par 150 mm, slodzi no koncentrētā spēka uzņem divi dēļi vai latas, bet, ja attālums ir lielāks par 150 mm, slodzi uzņem viens dēlis vai lata. Dubultklājam (nesošā un aizsargklāja dēļi ir savstarpēji vērsti leņķī) koncentrēto slodzi ņem kā vienmērīgi sadalītu pa 0,5 m platu nesošā klāja joslu.
114. Līmētu plātņu augšējo apšuvumu papildus pārbauda liecē, ko rada koncentrēta slodze 1 kN, kas reizināta ar slodzes drošuma koeficientu g f = 1,2, pieņemot, ka augšējā apšuvuma būvsaplāksnis iespīlēts garenribās līmējuma vietās.
115. Jumta plātņu atbalsta daļas platumu nosaka ar aprēķinu, bet tas nevar būt mazāks par 5,5 cm. Jumta plātnes stiprina pie nesošām konstrukcijām ar savienojumu, kurš var uzņemt gan atraušanas, gan bīdes piepūles. Ja atmosfēras nokrišņi netiek speciāli novadīti, jumta plātnēm nepieciešama ne mazāk kā 50 cm plata pārkare.
116. Visu veidu plātnēs jānodrošina iekšējo tilpumu dabiskā ventilācija ar ārējo gaisu, ierīkojot atvērumus plātņu šķērsribās. Ja jumta segumu veido no viļņotām loksnēm, ventilāciju pa jumta slīpni nodrošina lokšņu viļņojums.
117. Sienas paneļos ventilācijas kanālus ierīko starp siltumizolācijas kārtu un ārējo apšuvumu. Sienas paneļus novieto uz pamata vai cokola sijas tā, lai ārējais gaiss tajos var brīvi iekļūt sienas apakšējā daļā un izplūst dzegā. Attālumam no zemes līdz sienas paneļa zemākajai malai jābūt ne mazākam par 50 cm.
118. Liektiem viengabala koka elementiem iecirtums (vājinājums) virs balsta (19.zīmējums) pieļaujams, ja ir izpildīts nosacījums F v / (bh) < 0,4 MPa, tad hv £ 0,25 h, kur Fv ir aprēķina slodzes balstreakcija, b un h — elementa šķērsgriezuma bruto platums un augstums, h v — iecirtuma dziļums. Balsta iecirtuma atbalsta laukuma garumam a 1 jābūt ne lielākam par elementa augstumu h, bet slīpās daļas garumam a 2 — ne mazākam par divkāršu iecirtuma h v dziļumu.
19.zīmējums
Iecirtums virs balsta
119. Konsolsiju kopturos locīklas veido ar slīpo saduri.
120. Nesošo koka konstrukciju elementiem koncentrētas slodzes pieliek šo elementu augšējām skaldnēm.
7.3. Sijas
121. Ēku un būvju pārsegumos masīvu viengabala siju vietā ieteicams lietot saliktas sijas — līmētas vai ar padevīgi saistītām kārtām.
122. Saliktām sijām ar padevīgi saistītām kārtām pirms saišu ievietošanas starpkārtu šuvēs veido konstruktīvo pacēlumu, izliecot siju veidojošās kārtas. Konstruktīvā pacēluma lielumam (neņemot vērā sijas turpmāko iztaisnošanos) jābūt pusotras reizes lielākam par normatīvās slodzes radīto saliktās sijas izlieci.
123. Saliktās sijās šķautņu skaits, kas savstarpēji saistīti ar plakanajām tapām, ir ne vairāk kā trīs. Lai ekspluatācijas laikā novērstu plaisu rašanos rukuma (vai briešanas) dēļ, katrā šķautnī garenvirzienā iegriež vertikālu gropi, kuras dziļums ir 1/6 no šķautņa augstuma.
124. Locīklveidā balstītām līmētām sijām veido konstruktīvo pacēlumu, kas ir 1/200 no laiduma. Līmētos liektos un spiesti liektos elementos atļauts šķērsgriezumu izgatavot no divu šķiru zāģmateriāliem: malējās zonās 15/100 no šķērsgriezuma augstuma izmanto augstākas šķiras zāģmateriālus, pēc kuras arī nosaka aprēķina pretestības lielumus.
125. Līmētām sijām ar plakanu būvsaplākšņa sieniņu plauktus izgatavo no dēļu kārtām, kas novietotas uz šķautnes. Kārbveida šķērsgriezuma siju plauktus atļauts izgatavot arī no plakniski izvietotām kārtām. Ja plauktu augstums pārsniedz 100 mm, tad plauktu garumā no sieniņas puses paredz iezāģējumus šķiedru virzienā. Siju sieniņām lieto mitrumizturīgu būvsaplāksni, kura biezums nav mazāks par 8 mm.
7.4. Kopnes
126. Koka kopņu (ar pārtrauktu vai nepārtrauktu augšējo joslu) aprēķinu veic pēc deformētas kopnes shēmas, ievērtējot mezglu padevīgumu. Kopnēs ar nepārtrauktu augšējo joslu iekšējos spēkus (piepūles) elementos un pārvie — tojumus drīkst noteikt, pieņemot, ka mezglos ir locīklas.
12 7. Kopnes projektē ar konstruktīvo pacēlumu, ne mazāku par 1/200 no laiduma, kuru līmētās konstrukcijās veido, izliecot augšējo un apakšējo joslu.
128. Kopņu režģa elementus centrē mezglos. Ja kopņu elementi nav centrēti mezglos, ņem vērā elementos izraisītos lieces momentus. Kopņu spiesto joslu savienojumus novieto pret izkļaušanos nostiprinātos mezglos vai to tuvumā.
7.5. Arkas un velves
129. Arkām un velvēm stiprību aprēķina saskaņā ar šī būvnormatīva 39. un 53.punktu un noturību liekuma plaknē — saskaņā ar formulu (6), ņemot vērā šī būvnormatīva 39. un 44.punktu.
130. Trīslocīklu arkas noturību momenta darbības plaknē aprēķina saskaņā ar šī būvnormatīva 40.punktu.
131. Aprēķinot arkas elementu stiprību pēc deformētas arkas shēmas un noturību momenta darbības plaknē, lielumus N d un Mdef ņem šķēlumā ar maksimālo lieces momentu (attiecīgajai slodzes kombinācijai), bet koeficientus x vai x s un xo nosaka, izmantojot formulu (26), ievietojot tajā arkas kores šķēluma spiedes spēka vērtību N o ; arkas noturību liekuma plaknē aprēķina, izmantojot formulu (6), ievietojot tajā to pašu arkas kores šķēluma spiedes spēka vērtību N o.
7.6. Rāmji
132. Trīslocīklu rāmju elementu stiprības aprēķinu rāmja plaknē veic kā spiesti liektiem elementiem, ņemot vērā šī būvnormatīva 53.punktu un 45.punktā noteikto aprēķina garumu.
133. Trīslocīklu rāmju noturība momenta darbības plaknē, ja tie ir nostiprināti pa ārējo kontūru, aprēķina, izmantojot šī būvnormatīva 40.punktā dotās formulas.
7.7. Elektropārvades gaisa līniju balsti
134. Elektropārvades gaisa līniju koka balstu elementiem atļauts lietot apaļkokus, zāģmateriālus un līmētu koksni.
135. Balstu elementos (stabos, uzgaļos, traversās) apaļkoku diametram jābūt ne mazākam par 18 cm, ja elektropārvades līniju spriegums ir 110 kV un vairāk, un ne mazākam par 16 cm, ja spriegums ir 35 kV un mazāk. Ja elektropārvades līnijas spriegums ir 35 kV un vairāk, koka balstu pastabu (uzgaļu, pāļu) diametram jābūt ne mazākam par 18 cm. Balstu palīgelementu apaļkoku diametram tievgalī jābūt ne mazākam par 14 cm.
136. Bultskrūvju diametram gaisa elektropārvades līniju koka balstu elementos jābūt ne mazākam par 16 mm un ne lielākam par 27 mm.
7.8. Konstruktīvās prasības koka konstrukciju ilgizturībai
137. Konstruktīviem pasākumiem un aizsargapstrādei jānodrošina koka konstrukciju saglabāšana transportēšanas, uzglabāšanas un montāžas laikā, kā arī to ilgizturība ekspluatācijas apstākļos.
138. Konstruktīvie pasākumi paredz:
138.1. konstrukciju koksnes aizsardzību pret samirkšanu no nokrišņiem, gruntsūdens, atkušņu ūdeņiem (izņemot elektropārvades līniju balstus), ražošanas notekūdeņiem un cita veida samirkšanu;
138.2. konstrukciju koksnes aizsardzību pret caursalšanu, kapilāro un kondensāta samitrināšanu;
138.3. sistemātisku konstrukciju koksnes žūšanu, nodrošinot attiecīgu temperatūras un mitruma režīmu (telpu dabīga un mākslīga vēdināšana, izveidojot ēku daļās un konstrukcijās ventilācijas kanālus un aeratorus).
139. Koka konstrukcijām jābūt pēc iespējas atklātām, labi vēdināmām, visās to daļās pieejamām apskatei, profilaktiskajam remontam, koksnes aizsargapstrādes atjaunošanai.
140. Apkurināmās ēkās nesošās konstrukcijas izvieto tā, lai tās nešķērsotu norobežojošās konstrukcijas.
141. Nav pieļaujama koka konstrukciju daļu noslēgta iemūrēšana mūra sienās.
142. Līmētām nesošajām koka konstrukcijām, kuras ekspluatē ārpus telpām — ārgaisā, jābūt ar pilnu šķērsgriezumu un bez iedobēm. Minēto konstrukciju augšējās horizontālās un slīpās skaldnes jāaizsargā ar antiseptizētiem dēļiem vai jumiņiem no cinkota skārda, alumīnija, stiklplasta vai no cita materiāla, kas ir izturīgs pret atmosfēras nokrišņiem.
143. Balstot nesošās koka konstrukcijas uz pamatiem, mūra sienām, metāla vai dzelzsbetona kolonnām, kā arī uz citiem konstruktīviem elementiem, kuru siltumvadītspēja ir lielāka (tiešā to kontaktā), nepieciešams paredzēt hidroizolācijas starpkārtu. Koka starplikas (paliktņi), uz kurām balstās nesošās konstrukcijas, izgatavo no antiseptizētas koksnes (dod priekšroku lapkoku sugām ar cietu koksni).
144. Metāla uzliktņus konstrukciju savienojumos, uz kuriem ekspluatācijas apstākļos var rasties kondensāts, atdala no koksnes ar hidroizolācijas kārtu.
145. Jumta pārsegumus ar nesošajām un norobežojošām koka konstrukcijām projektē, paredzot ārējo ūdens novadīšanu.
146. Apkurināmo ēku un būvju norobežojošās konstrukcijās ekspluatācijas laikā nedrīkst uzkrāties mitrums. Sienu paneļos un pārseguma plātnēs paredz ventilācijas kanālus, kas ir saistīti ar ārējo gaisu, bet gadījumos, kurus paredz siltumtehniskais aprēķins , izveido tvaika izolācijas kārtu. Plātnēs un paneļos, kur apšuvums un karkass savienots ar naglām vai kokskrūvēm, plēves un ruļļu materiālus, kurus izmanto par tvaika izolāciju, starp karkasu un apšuvumu ieklāj vienlaidu, nepārtrauktā kārtā. Ārsienu konstrukcijās, kurās apšuvums pielīmēts karkasam, par tvaika izolāciju lieto krāsu vai ziežamo materiālu. Šuves starp paneļiem un plātnēm noblīvē un aizpilda ar siltumizolācijas un hermetizācijas materiāliem.
Vides aizsardzības un reģionālās attīstības ministrs V.Balodis
1.pielikums
Latvijas būvnormatīvam LBN 206-99
“ Koka konstrukciju projektēšanas normas ”
(apstiprināts ar Ministru kabineta
1999.gada 13.aprīļa noteikumiem Nr.140)
Prasības koka konstrukciju koksnei
1. Koksnei koka konstrukcijās jāatbilst Latvijā piemērojamo standartu prasībām par skujkoku un lapkoku zāģmateriālu un apaļkoku kvalitāti, kā arī papildus jāievēro šādas prasības:
1.1. gadskārtu platums koksnē nedrīkst būt lielāks par 5 mm; vēlīnās koksnes daudzumam gadskārtās jābūt ne mazāk kā 20 % no kopējā apjoma;
1.2. serdes koksne nedrīkst atrasties pirmās un otrās šķiras zāģmateriālu sagatavēs, kuras paredzētas līmētu liektu elementu malējai zonai (15/100 no šķērsgriezuma augstuma), kā arī pirmās, otrās un trešās šķiras dēļos, kuru biezums ir 60 mm un mazāks un kuri darbojas liecē vai stiepē un ir novietoti uz šķautnes.
2. Koksnes paraugu īslaicīgās pretestības pārbaudes rezultātiem jābūt ne mazākiem par šī būvnormatīva 2.pielikumā dotajām vērtībām.
3. Saplākšņiem koka konstrukcijās jāatbilst Latvijā spēkā esošo standartu prasībām attiecībā uz būvsaplākšņu drošumu.
Vides aizsardzības un reģionālās attīstības ministrs V.Balodis
2.pielikums
Latvijas būvnormatīvam LBN 206-99
“ Koka konstrukciju projektēšanas normas ”
(apstiprināts ar Ministru kabineta
1999.gada 13.aprīļa noteikumiem Nr.140)
Priedes un egles koksnes
normatīvās un vidējās īslaicīgās pretestības vērtības
Tabulā doti uz 12 % mitrumu reducēti priedes un egles koksnes pretestības raksturlielumi galvenajos spriegumstāvokļos atbilstoši koksnes šķirai. R k un Rperf,k — attiecīgi zāģmateriālu un pareizas struktūras koksnes standartparaugu normatīvā pretestība ar nodrošinājumu 0,95. R trn un Rtrn,perf — īslaicīgās pretestības vidējās vērtības attiecīgi zāģmateriāliem un pareizas struktūras koksnes standartparaugiem.
Piezīmes.
1. Pārbaudāmo koka konstrukciju elementu un paraugu izmēriem jāatbilst zāģmateriālu biezumam pēc sortimenta.
2. Īslaicīgi slogotu paraugu pretestība jānosaka gan viengabala zāģmateriāliem (to sagatavēm), gan ar zobveida līmētu saduri savienotiem zāģmateriāliem. Stiprības pārbaužu metodikai jāatbilst Latvijā piemērojamiem standartiem.
3. Šķautņu (brusu) un apaļkoku kvalitāti pieļaujams noteikt vizuāli pēc standartizētiem vērtēšanas kritērijiem un saskaņā ar šī būvnormatīva 1.pielikumu.
4. Zāģmateriāla sagatavju pretestībai, ja tās pagarinātas ar zobveida saduri un slodze pielikta to skaldnei, jābūt ne mazākai, kā norādīts tabulas 1.2.apakšpunktā.
Vides aizsardzības un reģionālās attīstības ministrs V.Balodis
3.pielikums
Latvijas būvnormatīvam LBN 206-99
“ Koka konstrukciju projektēšanas normas ”
(apstiprināts ar Ministru kabineta
1999.gada 13.aprīļa noteikumiem Nr.140)
Koksnes un būvsaplākšņa tilpummasa
Koksnes tilpummasa
(kg/m3 ) šī būvnormatīva
Koka suga 1.tabulā dotajām darba apstākļu
klasēm atbilstošās konstrukcijās
A1, A2, B1, B2 Pārējās
1. Skujkoki:
1.1. lapegle 650 800
1.2. priede, egle, ciedrs un dižegle 500 600
2. Lapkoki ar cietu koksni (ozols, bērzs, dižskābardis,
osis, kļava, skābardis, akācija, goba un vīksna) 700 800
3. Lapkoki ar mīkstu koksni (apse, vītols, alksnis un liepa) 500 600
Piezīmes.
1. Svaigi cirstiem skujkokiem un lapkokiem ar mīkstu koksni tilpummasa ir 850 kg/m 3, svaigi cirstiem lapkokiem ar cietu koksni — 1000 kg/m3.
2. Līmētas koksnes tilpummasa ir vienāda ar nelīmētas koksnes tilpummasu.
3. Būvsaplākšņa tilpummasa ir vienāda ar finierskaidu koksnes tilpummasu, bakelizētā būvsaplākšņa tilpummasa ir 1000 kg/m 3.
Vides aizsardzības un reģionālās attīstības ministrs V.Balodis
4.pielikums
Lat vijas būvnormatīvam LBN 206-99
“ Koka konstrukciju projektēšanas normas ”
(apstiprināts ar Ministru kabineta
1999.gada 13.aprīļa noteikumiem Nr.140)
Koeficienti spiestu, liektu
un spiesti liektu koka elementu aprēķinam
1. Koeficienta kst,N vērtības spiestiem un spiesti liektiem koka konstrukciju elementiem ar pastāvīgu šķērsgriezuma laukuma platumu un mainīgu augstumu dotas 1.tabulā.
2. Koeficientu kf un kst,M vērtības elementu noturības aprēķinam darbības plaknē dotas 2.tabulā.
3. Koeficientu kdef,1 un kdef,2 vērtības siju deformāciju aprēķināšanai, ievērtējot šķērsgriezuma mainīgumu un bīdes deformācijas, dotas 3.tabulā.
1.tabula
2.tabula
3.tabula
Piezīme.
g — plauktu un sieniņas laukumu attiecība dubultā T veida sijās (sieniņas augstums ir attālums starp plauktu smagumcentriem).
Vides aizsardzības un reģionālās attīstības ministrs V.Balodis
5.pielikums
Latvijas būvnormatīvam LBN 206-99
“ Koka konstrukciju projektēšanas normas ”
(apstiprināts ar Ministru kabineta
1999.gada 13.aprīļa noteikumiem Nr.140)
Diagrammas būvsaplākšņa
sieniņu un apšuvumu aprēķiniem
salikta šķērsgriezuma elementos
Uz fenolformaldehīda sveķu bāzes līmēta bērza koksnes būvsaplākšņa stiepes pretestības aprēķina vērtību diagramma, ja spēks darbojas leņķī a attiecībā pret koksnes šķiedru virzienu ārējās finierskaidu kārtās, dota 1.zīmējumā. Sijas būvsaplākšņa sieniņas noturības aprēķinā koeficientu k m un kt nosaka saskaņā ar diagrammām, kas dotas 2. un 3.zīmējumā.
1.zīmējums
Bērza koksnes būvsaplākšņa stiepes aprēķina pretestības noteikšanas diagramma
a — ar septiņām finierskaidu kārtām; b — ar piecām finierskaidu kārtām
2.zīmējums
Koeficienta km noteik?anas diagramma, ja koksnes šķiedras ārējo finierskaidu kārtās vērstas laiduma garumā
1 — bakelizētais būvsaplāksnis (7 mm un biezāks); 2 — bērza koksnes būvsaplāksnis (8 mm un biezāks). Apzīmējums g = a / h w (a — attālums starp sijas stinguma ribām; h w — sieniņas augstums starp plauktu iekšējām skaldnēm)
3.zīmējums
Koeficienta kt noteikšanas diagramma
A1 — 7 mm un biezākam bakelizētam būvsaplāksnim, ja ārējo finierskaidu kārtās šķiedru virziens ir paralēls mazākajai paneļa malai; B1 — 7 mm un biezākam
bakelizētam būvsaplāksnim, ja ārējo finierskaidu kārtās šķiedru virziens ir
perpendikulārs mazākajai paneļa malai; A2 un B2 — 8 mm un biezākam bērza koksnes būvsaplāksnim, ja ārējo finierskaidu kārtās šķiedru virziens ir
perpendikulārs mazākajai paneļa malai
Vides aizsa rdzības un reģionālās attīstības ministrs V.Balodis
6.pielikums
Latvijas būvnormatīvam LBN 206-99
“ Koka konstrukciju projektēšanas normas ”
(apstiprināts ar Ministru kabineta1999.gada 13.aprīļa noteikumiem Nr.140)
Galvenie apzīmējumi
1. Simboli
A — laukums
E — elastības modulis
F — spēks, iedarbība
I — inerces moments
M — lieces moments
N — asspēks
Q — šķērsspēks
R — pretestība
S — statiskais moments
T — saites nestspēja
W — pretestības moments
a — attālums
b — platums
d — diametrs
e — ekscentricitāte
h — augstums
i — inerces rādiuss
k — koeficients (parasti ar indeksu)
l — garums
m — masa
r — rādiuss
s — atstarpe
t — biezums
x, y, z — koordinātas
a — leņķis
b — leņķis
g — darbības apstākļu koeficients
l — lokanums
r — tilpummasa
s — normālspriegums
t — bīdes spriegums
2. Indeksi
ap — virsotne
br — bruto
c — spiedes
cr — kritiskais
d — aprēķina
def — deformācija
dis — sadalījums
ef — efektīvais
ext — ārējs
f — plaukts (piemēram, sijai)
fd — plakana tapa
fin — galīgais
h — iespīlēts
ind — netiešs
inf — zems
inst — momentāns
in — iekšējs
j — saite
k — normatīvais
l — apakšējais
loc — vietējs
m — liekts
max — maksimāls
mean — vidējais
min — minimāls
mod — modificēts
net — neto
nom — nomināls
q — mainīga iedarbība
p — saplāksnis
pull — izraut
req — nepieciešamais
s — simetrisks
ser — servisa
sp — nobīdes plakne
st — stingums
stb — stabilizējošs
sup — augšējais
t — stiepe
tor — vērpe
trn — īslaicīgs
u — galīgais
v — bīdes
w — sieniņa
x,y,z — koordinātas
a — leņķis starp spēku
un šķiedru virzienu
0; 90 — leņķis starp koksnes
šķiedru virzienu un
iedarbes virzienu
Vides aizsardzības un reģionālās attīstības ministrs V.Balodis